Catálogo
- Principal
- Bombas industriales
- Bombas por tipoBombas de barrilBombas de vacíoBombas sumergibles verticalesBombas de tornilloBombas de vórticeBombas selladasDispersante - homogeneizador emulsionanteBombas dosificadorasBombas de impulsorEstaciones de alcantarilladoBombas de consolaBombas lobularesBombas neumáticas de diafragma de diafragmaBombas neumáticas sumergibles de diafragmaBombas multietapaBombas monobloque de fundiciónMotobombasBombas de diafragma de motorBomba Ex ATEXBomba accionada por toma de fuerzaBombas de doble entradaBombas en lineaBombas de rotor húmedoBombas de hélice axialBombas peristálticas de mangueraBombas rotativas de paletasBombas de émboloDrenaje superficial y bombas fecalesBombas sumergibles de drenaje y hecesBombas sumergibles para lodosBombas de pistónBomba de rodillosBombas autoaspirantesBombas sanitarias e higiénicasBombas de fondo de pozoDispensador de bomba solenoideEstaciones de abastecimiento de agua y extinción de incendiosBombas químicas de accionamiento magnéticoBombas centrífugasBombas de engranajesBombas peristálticas industriales de manguera
- Bombas multietapa
- Bomba horizontal multietapas Ebara MATRIX 5-3T/0,65 M, 220V
Bomba horizontal multietapas Ebara MATRIX 5-3T/0,65 M, 220V
Compra también con este producto
1042539
Sólo pedido anticipado
Visión

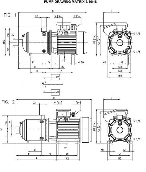
Las bombas centrífugas multicelulares horizontales MATRIX tienen un diseño robusto y compacto. Están disponibles en varias versiones y tienen una amplia gama de aplicaciones en el hogar, la agricultura y la industria. Aplicación: sistemas de ósmosis inversa; tratamiento de aguas; filtración; fregaderos industriales; aumento de la presión; equipo industrial; calefacción y aire acondicionado; sistemas de enfriamiento y refrigeración; irrigación. Características técnicas: Las nuevas bombas MATRIX tienen un diseño compacto y una presión máxima de trabajo de 1 MPa. Amplia gama de modelos para cumplir con los requisitos de rendimiento y altura de entrega. Todas las partes metálicas en contacto con el líquido son de acero inoxidable AISI 304. Los casquillos y cojinetes en contacto con el líquido son de carburo de tungsteno y cerámica. Anillo de inserción con AISI 304 y PTFE. Datos técnicos: productividad hasta 27 m3/hora. Altura de entrega hasta 104 m Motor TEFC 2 Polos. Clase de aislamiento F. Grado de protección IP 55. Tensión de funcionamiento: monofásica 220V, 50 Hz, trifásica 380V, 50 Hz. Condensador incorporado y protección térmica automática para versión monofásica. Para la versión trifásica, la protección de sobrecarga térmica debe ser proporcionada por el consumidor. Accesorio de entrada 1", 1" 1/4, 1" 1/2, 2". Racor de salida 1", 1" 1/4, 1" 1/2.
Características
| Manufacturero | Ebara |
| Productividad, metros cúbicos por hora | 7.8 |
| Altura de suministro, m.agua st | 34.5 |
| Potencia, kilovatios | 0,65 |
| Material | AISI 304 acero inoxidable |
| El diámetro de la tubería de entrada | G 1 1/4" |
| El diámetro de la tubería de salida | G 1" |
| Frecuencia de rotación, rev/min | 2 850 |
| Grado de protección | IP55 |
| Fuente de alimentación | 1х220 V, 50 Hz |
| Seguridad contra explosiones | No |
| Productividad (máx), metros cúbicos por hora | 7.8 |
| Capacidad del condensador del motor eléctrico, Μf | 16 |
| Temperatura (máx.), С | 110 |
| Sellado | Mechanical Seal, CER/CAR/EPDM |
| Altura de suministro (max), m.agua st | 34.5 |
| Material de la carcasa | AISI 304 acero inoxidable |
| Material del impulsor | AISI 304 acero inoxidable |
| Material del eje | AISI 304 acero inoxidable |
| Serie de bombas | MATRIX |
| País natal | Italia |
| Tipo de bomba | multietapa |
| Tipo de unidad | eléctrico |
| Tipo de instalación | horizontal |
| Datos logísticos: | |
| Peso, kg | 9,9 |
Categorías:Bombas multietapaBombas para calderas de vapor, bombas de alimentaciónEbara MATRIX





























































































































































