Catálogo
- Principal
- Servicios y equipos de ingenieríaEvaporadores de vacíoCentrífugas decantadoras, separadorasTrituradoras para moler cereales en el proceso de producción de piensos, harina y etanolInstrumentos de control y medición, sensores, caudalímetros para la automatización de la producciónDiseño, construcción de una destilería, BRUIntercambiador de calor de espiral, carcasa y tubosSecadoras industrialesCalderas de combustible sólidoEnzimas, levadura de alcohol, antisépticos para la producción de alcohol.Auditoría energéticaCalderas industriales de vapor
- Intercambiador de calor de espiral, carcasa y tubos
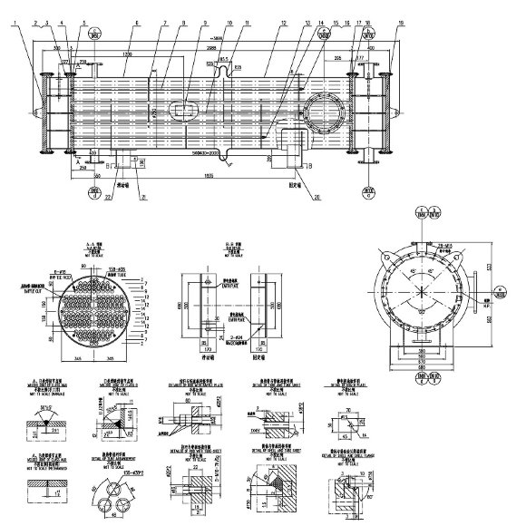
- Intercambiador de calor de casco y tubos deflagrador W6.304, 50 m2
Intercambiador de calor de casco y tubos deflagrador W6.304, 50 m2
Visión
Características
| Manufacturero | BTS Engineering |
| Material | AISI 304 acero inoxidable |
| Área, metros cuadrados | 50 |
| Sellado | silicona, caucho comestible, EPDM, poronite |
| Analógico | Tetra Pakї, Alfa Laval, Danfoss, FAMET S.A., FUNKE, GEA, GEA Wigand, RELIZ, SECESPOL, SONDEX, SWEP, Vogelbusch, Винпромсервис, Опытно механический завод Винница |
| Datos logísticos: |
Productos de la misma categoría
1039406
Sólo pedido anticipado
1039408
Sólo pedido anticipado
1039409
Sólo pedido anticipado










































































































































