Catálogo
- Principal
- Bombas industriales
- Bombas por tipoBombas de barrilBombas de vacíoBombas sumergibles verticalesBombas de tornilloBombas de vórticeBombas selladasDispersante - homogeneizador emulsionanteBombas dosificadorasBombas de impulsorEstaciones de alcantarilladoBombas de consolaBombas lobularesBombas neumáticas de diafragma de diafragmaBombas neumáticas sumergibles de diafragmaBombas multietapaBombas monobloque de fundiciónMotobombasBombas de diafragma de motorBomba Ex ATEXBomba accionada por toma de fuerzaBombas de doble entradaBombas en lineaBombas de rotor húmedoBombas de hélice axialBombas peristálticas de mangueraBombas rotativas de paletasBombas de émboloDrenaje superficial y bombas fecalesBombas sumergibles de drenaje y hecesBombas sumergibles para lodosBombas de pistónBomba de rodillosBombas autoaspirantesBombas sanitarias e higiénicasBombas de fondo de pozoDispensador de bomba solenoideEstaciones de abastecimiento de agua y extinción de incendiosBombas químicas de accionamiento magnéticoBombas centrífugasBombas de engranajesBombas peristálticas industriales de manguera
- Bombas de consola
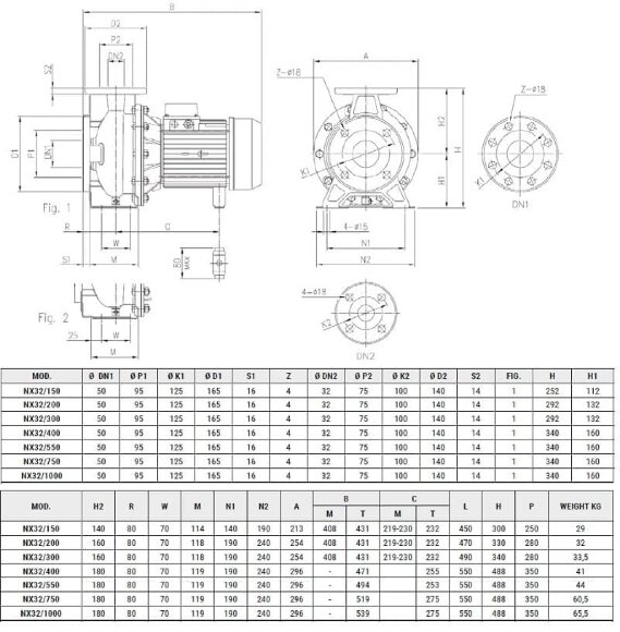
- Bomba de acero inoxidable para torre de refrigeración NX32/200 (160), 1,5 kW, 20 m3/h, 29,5 m, 220 V/M, AISI 304 (EBARA 3M 32-160/1.5)
Bomba de acero inoxidable para torre de refrigeración NX32/200 (160), 1,5 kW, 20 m3/h, 29,5 m, 220 V/M, AISI 304 (EBARA 3M 32-160/1.5)
Compra también con este producto
1042539
Sólo pedido anticipado
Documentación
Descargar instrucciones, catálogo para Bomba de acero inoxidable para torre de refrigeración NX32/200 (160), 1,5 kW, 20 m3/h, 29,5 m, 220 V/M, AISI 304 (EBARA 3M 32-160/1.5)
Visión

Las bombas centrífugas de la serie NX se utilizan para bombear agua químicamente pura sin partículas sólidas en sistemas de calefacción y refrigeración, sistemas de riego y sistemas contra incendios. Todas las partes de la bomba en contacto con el líquido están fabricadas en acero inoxidable y diseñadas de acuerdo con las normas DIN 24255 (UNI EN 733). Una amplia selección y alta confiabilidad hacen que estas bombas sean adecuadas para aplicaciones agrícolas, civiles e industriales. Carcasa de bomba, impulsor, difusores: acero inoxidable AISI 304. Eje motor: acero inoxidable AISI 304. Carcasa y carcasa del motor: aluminio. Sello mecánico: Cer/Car/NBR (estándar).
Características
| Manufacturero | ST Pompe |
| Productividad, metros cúbicos por hora | 20 |
| Altura de suministro, m.agua st | 29.5 |
| Potencia, kilovatios | 1,5 |
| Material | AISI 304 acero inoxidable |
| El diámetro de la tubería de entrada | DN50 |
| El diámetro de la tubería de salida | DN32 |
| Frecuencia de rotación, rev/min | 3 000 |
| Grado de protección | IP55 |
| Fuente de alimentación | 1х220 V, 50 Hz |
| Seguridad contra explosiones | No |
| Productividad (máx), metros cúbicos por hora | 20 |
| Capacidad del condensador del motor eléctrico, Μf | 40 |
| Temperatura (máx.), С | 90 |
| Altura de aspiración (NPSH), m | 7 |
| Sellado | Mechanical Seal, Ceramic/Carbon/NBR |
| Altura de suministro (max), m.agua st | 29.5 |
| Presión, barra | 10 |
| Material de la carcasa | AISI 304 acero inoxidable |
| Material de la parte de flujo | AISI 304 acero inoxidable |
| Material del impulsor | AISI 304 acero inoxidable |
| Material del eje | AISI 304 acero inoxidable |
| Serie de bombas | NX |
| País natal | Italia |
| Tipo de bomba | consola |
| Tipo de unidad | eléctrico |
| Tipo de instalación | horizontal |
| Tipo de equipamiento | con motor |
| Solicitud | lavados CIP, mezcla de amoníaco, brogues, cervezas, vinos, agua, torres de refrigeración, abono líquido, CAS, cáustica, agua helada, leche, urea, suministro de agua reciclada, calefacción, productos alimenticios, picos de presión, riego, lodo de escombros, zumos, sales, mosto, cámara de secado, secadores, cheesecloths |
| Analógico | Ebara 3M, Speroni CX |
| Datos logísticos: | |
| Peso, kg | 32 |
| La longitud del paquete de transporte, ver | 47 |
| El ancho del paquete de transporte, cm | 28 |
| La altura del paquete de transporte, cm | 33 |
Productos de la misma categoría
1039366
Sólo pedido anticipado
1039367
Sólo pedido anticipado





























































































































































