Catálogo
- Principal
- Bombas industriales
- Bombas por tipoBombas de barrilBombas de vacíoBombas sumergibles verticalesBombas de tornilloBombas de vórticeBombas selladasDispersante - homogeneizador emulsionanteBombas dosificadorasBombas de impulsorEstaciones de alcantarilladoBombas de consolaBombas lobularesBombas neumáticas de diafragma de diafragmaBombas neumáticas sumergibles de diafragmaBombas multietapaBombas monobloque de fundiciónMotobombasBombas de diafragma de motorBomba Ex ATEXBomba accionada por toma de fuerzaBombas de doble entradaBombas en lineaBombas de rotor húmedoBombas de hélice axialBombas peristálticas de mangueraBombas rotativas de paletasBombas de émboloDrenaje superficial y bombas fecalesBombas sumergibles de drenaje y hecesBombas sumergibles para lodosBombas de pistónBomba de rodillosBombas autoaspirantesBombas sanitarias e higiénicasBombas de fondo de pozoDispensador de bomba solenoideEstaciones de abastecimiento de agua y extinción de incendiosBombas químicas de accionamiento magnéticoBombas centrífugasBombas de engranajesBombas peristálticas industriales de manguera
- Bombas neumáticas de diafragma de diafragma
- Bomba Neumática de Diafragma BOA Q8 PP
Bomba Neumática de Diafragma BOA Q8 PP
Compra también con este producto
1042539
Sólo pedido anticipado
Visión

Las bombas de diafragma DP, con un innovador sistema de separación de aire, geometría de la cámara de bombeo y sistema de válvulas, permiten bombear una amplia gama de productos agresivos (ácidos concentrados, álcalis, disolventes, barnices, adhesivos, líquidos con partículas en suspensión de hasta 10 mm de tamaño, abrasivos productos, etc.) con viscosidad de 6000 a 55000 cps. La parte de flujo de las bombas de diafragma DP está hecha de materiales como: - PP: POLIPROPLENO (polipropileno) - PB: FIBRA DE POLIPROPLENO; - PVDF: KYNAR (difluoruro de polivinilideno) - AL: ALUMINUM (aluminio) - DD: CAST IRON (hierro fundido) - SC: AISI 316L (acero inoxidable) - SS: AISI 316 (acero inoxidable). Los elementos principales de funcionamiento (diafragmas, válvulas de bola, asientos de válvulas) están fabricados en: - S: SANTOPRENE (santopreno) - N: NEOPRENE (neopreno) - B: BUNA-N (NBR) (caucho nitrilo) - E: EPDM (etileno - caucho de propileno) - T: PTFE (fluoroplástico) - V: VITON / FKM (caucho de flúor). Ventajas de las bombas neumáticas de diafragma DP: - autoaspirantes
Características
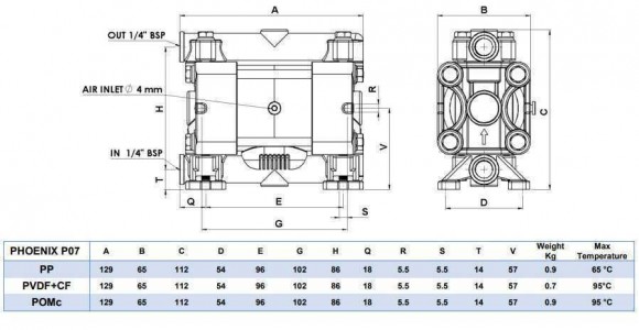
| Manufacturero | M Pumps |
| Altura de suministro, m.agua st | 70 |
| El diámetro de la línea de productos | 1/4" |
| El diámetro de la línea neumática | 4 mm |
| Temperatura (máx.), С | 65 |
| Altura de succión seca (máx), m.agua st | 3 |
| Altura de aspiración (NPSH), m | 9,8 |
| Presión de aire (máx.), bar | 7 |
| Productividad, l/min | 8 |
| Altura de suministro (max), m.agua st | 70 |
| Material de la carcasa | PP |
| Material de la membrana en el lado líquido | PTFE |
| País natal | Italia |
| Tipo de bomba | membrana neumática |
| Tipo de unidad | neumático |
| Datos logísticos: |
Categorías:Bombas neumáticas de diafragma de diafragmaBomba de vidrio liquidoBombas de freón



























































































































































