Catálogo
- Principal
- Bombas industriales
- Bombas por tipoBombas de barrilBombas de vacíoBombas sumergibles verticalesBombas de tornilloBombas de vórticeBombas selladasDispersante - homogeneizador emulsionanteBombas dosificadorasBombas de impulsorEstaciones de alcantarilladoBombas de consolaBombas lobularesBombas neumáticas de diafragma de diafragmaBombas neumáticas sumergibles de diafragmaBombas multietapaBombas monobloque de fundiciónMotobombasBombas de diafragma de motorBomba Ex ATEXBomba accionada por toma de fuerzaBombas de doble entradaBombas en lineaBombas de rotor húmedoBombas de hélice axialBombas peristálticas de mangueraBombas rotativas de paletasBombas de émboloDrenaje superficial y bombas fecalesBombas sumergibles de drenaje y hecesBombas sumergibles para lodosBombas de pistónBomba de rodillosBombas autoaspirantesBombas sanitarias e higiénicasBombas de fondo de pozoDispensador de bomba solenoideEstaciones de abastecimiento de agua y extinción de incendiosBombas químicas de accionamiento magnéticoBombas centrífugasBombas de engranajesBombas peristálticas industriales de manguera
- Bombas de engranajes
- Bomba para productos químicos, ácidos Bomba de engranajes Kupar KIP 2 1/2 in-C, AISI 316, 7-35 m3/h
Bomba para productos químicos, ácidos Bomba de engranajes Kupar KIP 2 1/2 in-C, AISI 316, 7-35 m3/h
Compra también con este producto
1042539
Sólo pedido anticipado
Documentación
Descargar instrucciones, catálogo para Bomba para productos químicos, ácidos Bomba de engranajes Kupar KIP 2 1/2 in-C, AISI 316, 7-35 m3/h
Visión

El criterio más importante a la hora de seleccionar el tipo de bomba de engranajes es la viscosidad del producto.
Los principales criterios a la hora de seleccionar una bomba de engranajes
- Tipo de bomba: el principio básico es que el engranaje externo se utiliza para líquidos de viscosidad relativamente baja y el engranaje interno para líquidos de viscosidad alta.
- Tamaño de las boquillas: el tamaño de las boquillas y las tuberías que deben conectarse también están relacionados con la viscosidad del producto. Al seleccionar el tipo de bomba y diseñar el sistema de tuberías, hay que calcular con precisión los diámetros de las tuberías para conseguir el caudal óptimo para el líquido de una viscosidad determinada.
En este caso, existe una correlación directa: para líquidos de mayor viscosidad, deben utilizarse diámetros mayores.
- Velocidad de la bomba: La velocidad máxima de las bombas de engranajes es de 1.500 rpm. Esta velocidad disminuye a medida que aumenta la viscosidad. Deben seleccionarse velocidades altas para viscosidades bajas y velocidades bajas para viscosidades altas.
El acoplamiento directo al motor se utiliza a 1000 y 1500 rpm. Para 500 rpm e inferiores, el motor se acopla a la bomba mediante una caja de engranajes o una transmisión por correa trapezoidal.
- Tolerancias de funcionamiento: las tolerancias de funcionamiento se fijan durante la fabricación de la bomba, algunas tolerancias se ajustan durante el montaje de la bomba, en función de los rangos de viscosidad.
Para bombear un determinado tipo de líquido, debe utilizarse una bomba con las tolerancias de trabajo adecuadas; de lo contrario, la bomba puede funcionar a una presión inferior o pararse por completo.
Características
| Caudal, L/rev | 1,296 |
| Rango de presión, bar | 2-14 |
| Tipo de engranaje | interno |
| Manufacturero | KUPAR |
| Productividad, metros cúbicos por hora | 35 |
| Potencia, kilovatios | 11 |
| Material | AISI 316 acero inoxidable |
| El diámetro de la tubería de entrada | 2 1/2" |
| El diámetro de la tubería de salida | 2 1/2" |
| Frecuencia de rotación, rev/min | 450 |
| Productividad (máx), metros cúbicos por hora | 35 |
| Temperatura de trabajo | 20°C +200°C |
| Viscosidad máxima, cPz | 25 000 |
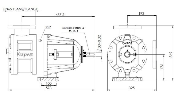
| Dimensiones, mm | 573x369x325 |
| Material de la carcasa | AISI 316 acero inoxidable |
| Serie de bombas | KIP |
| País natal | Pavo |
| Tipo de bomba | engranaje |
| Tipo de instalación | horizontal |
| Datos logísticos: | |
| Peso, kg | 95 |
Categorías:Bombas de engranajesBomba de vidrio liquidoBomba de jarabeBomba de cremaBomba para emulsiones y suspensionesBomba de especias y salBombas para glicerinabombas de heladoBombas de aceite vegetalBombas de engranajes de acero inoxidableBombas de alimentos
Productos de la misma categoría
1040491
Sólo pedido anticipado
1040492
Sólo pedido anticipado
1040493
Sólo pedido anticipado
1040495
Sólo pedido anticipado
1040496
Sólo pedido anticipado
1040497
Sólo pedido anticipado

































































































































































