Catálogo
- Principal
- Bombas industriales
- Bombas por tipoBombas de barrilBombas de vacíoBombas sumergibles verticalesBombas de tornilloBombas de vórticeBombas selladasDispersante - homogeneizador emulsionanteBombas dosificadorasBombas de impulsorEstaciones de alcantarilladoBombas de consolaBombas lobularesBombas neumáticas de diafragma de diafragmaBombas neumáticas sumergibles de diafragmaBombas multietapaBombas monobloque de fundiciónMotobombasBombas de diafragma de motorBomba Ex ATEXBomba accionada por toma de fuerzaBombas de doble entradaBombas en lineaBombas de rotor húmedoBombas de hélice axialBombas peristálticas de mangueraBombas rotativas de paletasBombas de émboloDrenaje superficial y bombas fecalesBombas sumergibles de drenaje y hecesBombas sumergibles para lodosBombas de pistónBomba de rodillosBombas autoaspirantesBombas sanitarias e higiénicasBombas de fondo de pozoDispensador de bomba solenoideEstaciones de abastecimiento de agua y extinción de incendiosBombas químicas de accionamiento magnéticoBombas centrífugasBombas de engranajesBombas peristálticas industriales de manguera
- Bombas químicas de accionamiento magnético
- Bomba de accionamiento magnético DM 15 PVDF, VITON, 2,2 kW
Bomba de accionamiento magnético DM 15 PVDF, VITON, 2,2 kW
Compra también con este producto
1042539
Sólo pedido anticipado
Visión

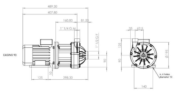
Bombas DM selladas herméticamente sin juntas y con acoplamiento magnético. Las bombas de accionamiento magnético selladas se utilizan para bombear líquidos corrosivos, tóxicos o inflamables, así como líquidos que contienen partículas. Varios imanes accionan la bomba, un imán externo ubicado en el eje transmite el movimiento a un imán interno integrado en el impulsor, el cual está sellado herméticamente. El impulsor no está montado en el eje de la bomba, por lo tanto, no hay sellos, lo que elimina la fuga del líquido bombeado, como resultado del desgaste de los sellos. El cabezal de la bomba consta de varios componentes, lo que simplifica el mantenimiento. Materiales estándar de la bomba: polipropileno (PP) y polivinillindendenfluoruro (PVDF). Estas bombas no pueden funcionar en seco. El bombeo de líquidos contaminados acorta la vida útil de las bombas.
Características
| Manufacturero | DEBEM |
| Productividad, metros cúbicos por hora | 23.5 |
| Altura de suministro, m.agua st | 20 |
| Potencia, kilovatios | 2,2 |
| Material | PVDF |
| El diámetro de la tubería de entrada | 1 1/2" |
| El diámetro de la tubería de salida | 1 1/4" |
| Fuente de alimentación | 3х380 V, 50 Hz |
| Productividad (máx), metros cúbicos por hora | 24 |
| Modelo | DM15 |
| Temperatura (máx.), С | 95 |
| Máx. temperatura del líquido, °C | 95 |
| Diámetro del impulsor, mm | 123 |
| Viscosidad máxima, cPz | 150 |
| Altura de suministro (max), m.agua st | 20 |
| Material de la parte de flujo | PVDF |
| Material de la junta tórica | VITON(FKM) |
| Serie de bombas | DM |
| País natal | Italia |
| Tipo de bomba | con embrague magnético |
| Tipo de unidad | eléctrico |
| Disponibilidad de repuestos | asi que |
| Datos logísticos: |
Productos de la misma categoría
CM06KVTA811IE-3h-0.37
Sólo pedido anticipado
CM06PDTA811IE-3h-0.37
Sólo pedido anticipado
CM10KVTA981IE-3h-0.75
Sólo pedido anticipado
DM06P-SV2NE063
Sólo pedido anticipado
1039237
Sólo pedido anticipado
1039238
Sólo pedido anticipado





























































































































































