Catálogo
- Principal
- Bombas industriales
- Bombas por tipoBombas de barrilBombas de vacíoBombas sumergibles verticalesBombas de tornilloBombas de vórticeBombas selladasDispersante - homogeneizador emulsionanteBombas dosificadorasBombas de impulsorEstaciones de alcantarilladoBombas de consolaBombas lobularesBombas neumáticas de diafragma de diafragmaBombas neumáticas sumergibles de diafragmaBombas multietapaBombas monobloque de fundiciónMotobombasBombas de diafragma de motorBomba Ex ATEXBomba accionada por toma de fuerzaBombas de doble entradaBombas en lineaBombas de rotor húmedoBombas de hélice axialBombas peristálticas de mangueraBombas rotativas de paletasBombas de émboloDrenaje superficial y bombas fecalesBombas sumergibles de drenaje y hecesBombas sumergibles para lodosBombas de pistónBomba de rodillosBombas autoaspirantesBombas sanitarias e higiénicasBombas de fondo de pozoDispensador de bomba solenoideEstaciones de abastecimiento de agua y extinción de incendiosBombas químicas de accionamiento magnéticoBombas centrífugasBombas de engranajesBombas peristálticas industriales de manguera
- Bombas peristálticas de manguera
- Bomba industrial de manguera JXHIN-10-AL-NBR-P, 57 l/h, 0,37 kW, 10 bar, 380V
Bomba industrial de manguera JXHIN-10-AL-NBR-P, 57 l/h, 0,37 kW, 10 bar, 380V
Compra también con este producto
1042539
Sólo pedido anticipado
Documentación
Descargar instrucciones, catálogo para Bomba industrial de manguera JXHIN-10-AL-NBR-P, 57 l/h, 0,37 kW, 10 bar, 380V
Visión

La bomba peristáltica de manguera industrial de la serie JXHIN se utiliza para bombear lodos abrasivos, ácidos cáusticos, sólidos de gran tamaño, mezclas de gas-líquido y líquidos muy viscosos.
Características de la bomba peristáltica de manguera: arranque en seco sin daños, a prueba de fugas, sin juntas, válvulas, diafragmas, etc.
Caudal estable, medición precisa y repetible. Precisión ± 1%.
Sin equipos auxiliares, válvulas de retención ni sistemas de lavado con agua. Funcionamiento reversible, las partículas pueden salir con seguridad de la tubería de aspiración o descarga.
Mantenimiento mínimo: basta con sustituir la manguera.
Características
| Manufacturero | BTS Engineering |
| Productividad, metros cúbicos por hora | 0.057 |
| Altura de suministro, m.agua st | 100 |
| Potencia, kilovatios | 0,37 |
| Material | AL |
| El diámetro de la tubería de entrada | 3/8" |
| El diámetro de la tubería de salida | 3/8" |
| Frecuencia de rotación, rev/min | 43 |
| Fuente de alimentación | 3х380 V, 50 Hz |
| Productividad (máx), metros cúbicos por hora | 0.16 |
| Temperatura (máx.), С | 80 |
| Productividad (nom), metros cúbicos por hora | 0.057 |
| Productividad, l/h | 57 |
| El diámetro máximo de inclusiones sólidas, mm. | 1,5 |
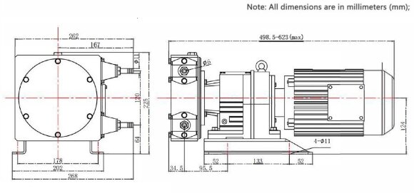
| Dimensiones, mm | 623x268x225 |
| Altura de succión seca (máx.), m | 9,5 |
| Altura de suministro (max), m.agua st | 100 |
| Presión, barra | 10 |
| Material de la carcasa | aluminio |
| El material de la manguera de trabajo | NBR |
| Serie de bombas | JXHIN |
| País natal | Porcelana |
| Tipo de bomba | peristáltico |
| Tipo de unidad | eléctrico |
| Datos logísticos: | |
| Peso, kg | 27 |
Categorías:Bombas peristálticas de mangueraBombas peristálticas industriales de manguera
Productos de la misma categoría
1043012
Sólo pedido anticipado
1043013
Sólo pedido anticipado
1043014
Sólo pedido anticipado
1043016
Sólo pedido anticipado
1043017
Sólo pedido anticipado
1043018
Sólo pedido anticipado



























































































































































