Catálogo
- Principal
- Bombas industriales
- Bombas por tipoBombas de barrilBombas de vacíoBombas sumergibles verticalesBombas de tornilloBombas de vórticeBombas selladasDispersante - homogeneizador emulsionanteBombas dosificadorasBombas de impulsorEstaciones de alcantarilladoBombas de consolaBombas lobularesBombas neumáticas de diafragma de diafragmaBombas neumáticas sumergibles de diafragmaBombas multietapaBombas monobloque de fundiciónMotobombasBombas de diafragma de motorBomba Ex ATEXBomba accionada por toma de fuerzaBombas de doble entradaBombas en lineaBombas de rotor húmedoBombas de hélice axialBombas peristálticas de mangueraBombas rotativas de paletasBombas de émboloDrenaje superficial y bombas fecalesBombas sumergibles de drenaje y hecesBombas sumergibles para lodosBombas de pistónBomba de rodillosBombas autoaspirantesBombas sanitarias e higiénicasBombas de fondo de pozoDispensador de bomba solenoideEstaciones de abastecimiento de agua y extinción de incendiosBombas químicas de accionamiento magnéticoBombas centrífugasBombas de engranajesBombas peristálticas industriales de manguera
- Bombas sumergibles verticales
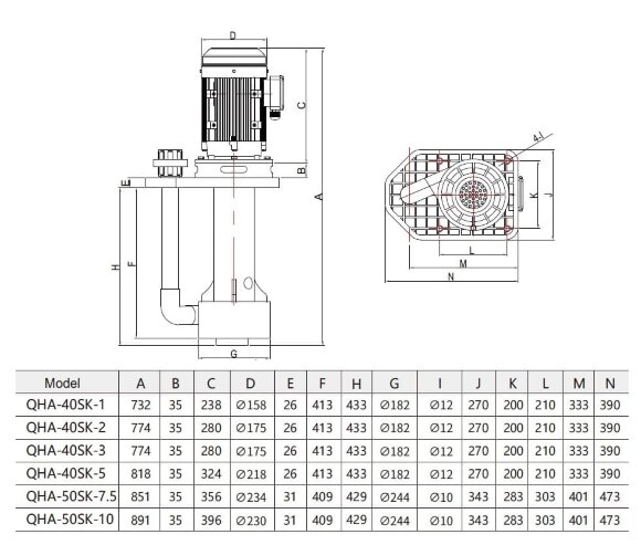
- QHA-40SK-5, PP, 3,7kW, 500L/min, bomba centrífuga vertical 25m para alcalinos
QHA-40SK-5, PP, 3,7kW, 500L/min, bomba centrífuga vertical 25m para alcalinos
Compra también con este producto
1042539
Sólo pedido anticipado
Documentación
Descargar instrucciones, catálogo para QHA-40SK-5, PP, 3,7kW, 500L/min, bomba centrífuga vertical 25m para alcalinos
Visión

Bomba para galvanoplastia, electrolitos, ácidos, álcalis, instalación semisumergible o exterior, electrolito, preparación de SIP (SIP), líquidos agresivos - también son muy utilizadas en instalaciones de filtración, purificación de ácidos reactivos, álcalis. Bomba centrífuga vertical QHA. Material: PP es un copolímero en bloque de propileno y etileno con un contenido muy alto de polietileno. Instalación de bombas - semisumergible, instalación exterior. La bomba semisumergible se puede instalar al aire libre o en un lugar conveniente, lo que permite proporcionar un sistema de suministro de filtración de dimensiones compactas, mantenimiento y control convenientes. Dependiendo de los requisitos de la tecnología, los materiales de la bomba se presentan en varias opciones para la selección. - garantía extendida - servicio y suministro de repuestos. Controle la temperatura cuando mezcle fluidos químicos para evitar daños a la bomba.
Características
| Manufacturero | Qeehua |
| Productividad, metros cúbicos por hora | 30 |
| Altura de suministro, m.agua st | 25 |
| Potencia, kilovatios | 3,7 |
| Material | PP |
| El diámetro de la tubería de entrada | 50 mm |
| El diámetro de la tubería de salida | 40 mm |
| Fuente de alimentación | 3х380 V, 50 Hz |
| Productividad (máx), metros cúbicos por hora | 30 |
| Modelo | QHA-50SK-3,7kW |
| Temperatura (máx.), С | 70 |
| Productividad, l/min | 500 |
| Dimensiones, mm | 390х270х818 |
| Altura de suministro (max), m.agua st | 25 |
| La longitud de la parte sumergida | 433 |
| Serie de bombas | QHA |
| Tipo de bomba | semisumergible |
| Tipo de unidad | eléctrico |
| Tipo de instalación | vertical |
| Tipo de equipamiento | con motor |
| Datos logísticos: | |
| Peso, kg | 41 |
Categorías:Bombas sumergibles verticalesBombas de ácidobombas químicasBombas de galvanoplastiaBombas químicas verticales semisumergibles de las series QP, QHD, QHA
Productos de la misma categoría
1023084
Sólo pedido anticipado































































































































































