Catálogo
- Principal
- Válvulas de cierre
- Válvulas de mariposa
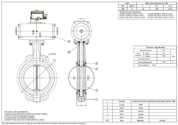
- PN6 DN100 Válvula de mariposa wafer, cuerpo y disco AISI 304, PTFE, Simple efecto (con muelle) Actuador neumático Ex+posicionador 4-20MA
PN6 DN100 Válvula de mariposa wafer, cuerpo y disco AISI 304, PTFE, Simple efecto (con muelle) Actuador neumático Ex+posicionador 4-20MA
Documentación
Descargar instrucciones, catálogo para PN6 DN100 Válvula de mariposa wafer, cuerpo y disco AISI 304, PTFE, Simple efecto (con muelle) Actuador neumático Ex+posicionador 4-20MA
Visión

La válvula de compuerta de mariposa con actuadores neumáticos de doble efecto y posicionador se utiliza para controlar y cerrar el flujo del medio de trabajo en la tubería. El elemento de bloqueo (control) de la válvula de compuerta es un disco giratorio. El cuerpo y el disco son de acero inoxidable AISI 304.
La válvula de compuerta de mariposa o válvula de mariposa de disco se utiliza para controlar y cerrar los medios líquidos y gaseosos en las instalaciones de producción y empresas de calor y energía, gas y suministro de agua, química, refinación de petróleo, alimentos y otras industrias.
Características
| Señal de control, mA | 4-20 |
| Diámetro de conexión, DN | 100 |
| Manufacturero | BTS Engineering |
| Seguridad contra explosiones | Asi que |
| Presión nominal, MPa | 0,6 |
| Tipo de conexiones | interbrida |
| Temperatura de trabajo | -60°C + 260°C |
| Material de la carcasa | AISI 304 acero inoxidable |
| material de sellado | PTFE |
| Material del disco | AISI 304 acero inoxidable |
| País natal | Porcelana |
| Tipo de unidad | neumático |
| Entorno de trabajo | agua, aire, líquidos, líquidos espesos y viscosos, líquidos ligeramente corrosivos, etanol |
| Datos logísticos: |
Productos de la misma categoría
1042192
Sólo pedido anticipado























































































































































