Catálogo
- Principal
- Repuestos para bombas industrialesPiezas y accesorios de DrenoRepuestos y componentes ROVER POMPEPiezas de repuesto para bombas AlphaDynamicRepuestos para bombas ALUNAKRepuestos para bombas BTSRepuestos para bombas DebemRepuestos para bombas DiaPumpPiezas de repuesto para bombas DICKOWRepuestos para bombas EbaraRepuestos para bombas EklerRepuestos para bombas ErduroRepuestos para bombas ETATRON D.S.Repuestos para bombas FerroniPiezas de repuesto para bombas FLOWSERVERecambios para bombas FLUIMACPiezas de repuesto para bombas HERMETICPiezas de repuesto para bombas KSBPiezas de repuesto para bombas LEWAPiezas de repuesto para bombas MILTON ROYPiezas de repuesto para bombas ProMinentPiezas de repuesto para bombas RuhrpumpenPiezas de repuesto para bombas SULZERPiezas de repuesto para bombas WarmanRepuestos para bombas de vacíoRepuestos y accesorios para bombas de barrilMotores eléctricos para bombas
- Piezas y accesorios de Dreno
- Embrague automático Dreno tipo A6
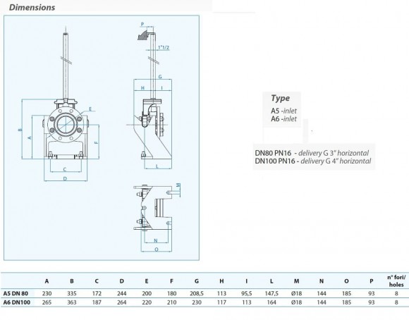
Embrague automático Dreno tipo A6
Documentación
Descargar instrucciones, catálogo para Embrague automático Dreno tipo A6
Visión

Principales características técnicas: bridado; el cuerpo está hecho de hierro fundido GG25; racor con junta de goma NBR; paso libre completo; los rieles guía, el soporte de conexión y el tornillo/perno INOX están incluidos en la entrega; los alicates y los tornillos para la fijación están incluidos en el volumen de suministro.
Características
| Manufacturero | Dreno |
| Material | hierro fundido |
| El diámetro de la tubería de entrada | DN100 |
| El diámetro de la tubería de salida | DN100 |
| El diámetro máximo de inclusiones sólidas, mm. | 100 |
| Tipo de repuesto | Acoplamiento |
| País natal | Italia |
| Datos logísticos: |








































































































































