Catálogo
- Principal
- Sellos mecánicosSellos mecánicos por tipoSello mecánico para bombaSellos mecánicos por marcaLos sellos mecánicos para agitadores, tolvas y transportadores soportan descentramiento del ejeReparación de sellos mecánicos, pares de fricciónFabricación de brazaletes, anillos, sellosProducción de piezas de carburo de silicio, silicato de circonioAislador del defensor del rodamiento
- Sellos mecánicos por tipoR-101R-102R-102UR-103/R-103AR-104/R-104AR-108R-108UR-109/R-8UR-109B/R-8BR-10T/R-10RR-110R-112R-113R-120/R-120PR-120WR-124R-125R-128/R-128PR-152 (T/R)R-1527R-156R-1577R-16R-202/R-208R-21R-2100R-21UKR-260TSR-31K/R-31UR-4701R-4702R-502BR-560AR-560CR-58B/59BR-58U/59UR-58VR-6R-609/R-650R-680R-6AR-6BR-6BGR-6CR-6CF-16R-6CH-16R-6CK-16R-6SB/R-SBR-706AR-706BR-706CR-706DR-706ER-706FR-706H(CR)R-706KR-706LR-706SER-706SO/706SSOR-706SPR-706SSR-7K/R-7K-UR-802R-877/R-877-UR-960R-AL.FMR-AL.LKHdR-AL.LKHfR-AL.LKHsR-AL.SRR-APV-01R-B151R-BEDR-BIAR-BL-28/R-BU-28R-BT-ARR-BT-FNR-BT-FN.NUR-BT-RNR-BT-RN3/R-BT-RN3.NUR-CARTEX(DN)R-CARTEX(SN)R-ConvertorR-CSMR-CURCR-D-15R-DJR-E5K-UR-EL-22/R-EU-22R-FL-22/R-FU-22R-FL.58URR-FL.AL-20/R-FL.AU-20R-FL.NLR-FL.NUR-FL.OLR-FL.OUR-FL.XAR-FL.XER-FL.СR-FRR-GEAR-GL-20/R-GU-20R-GTZR-H12NR-H75R-H7NR-HG202R-HG204/R-HG204BR-HG212R-HJ92N/R-HJ97/R-GNZR-HL-20/R-GU-20R-HLGR-HLG1R-HRNR-Il-28/R-IU-28R-ISC2-PXR-J580R-JB103R-JB104R-JL-25/R-JU-25R-KL-35/R-KU-35R-LL-35/R-KU-35R-LPSR-LWR-LWRR-M010DR-M07R-M2NR-M3.ALWR-M3NR-M481KL-DR-M74DR-M7N/M74NR-MFL WT80R-MFL85NR-MFLC12R-MG1R-MG12R-MG13R-MG1S20R-MG1S6R-MG9R-ML-35/R-MU-35R-MR35L-DR-MSR-RBR-SE1F-APR-T1/R-FBCR-T2/R-FBDR-TSWER-W01R-W011R-WB2R-WB3R-XBR-ZF
- R-CSM
- Sello de cartucho R-CSM 105, SIC/SIC, VITON, 304
Sello de cartucho R-CSM 105, SIC/SIC, VITON, 304
Documentación
Descargar instrucciones, catálogo para Sello de cartucho R-CSM 105, SIC/SIC, VITON, 304
Visión

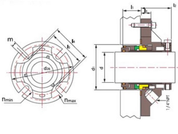
El sello tipo cartucho R-CSM es simple, no depende de la dirección de rotación del eje, el par de fricción se descarga hidráulicamente.
Aplicación: para mezcladores, agitadores, reactores, tanto en diseño horizontal como vertical, para sellar medios vaporosos.
El diseño permite compensar un gran descentramiento radial del eje (se permite un desplazamiento de hasta 1,5 mm) y se puede utilizar para ejes voladizos largos. Se puede utilizar en entornos químicamente agresivos si se seleccionan los materiales apropiados. Se proporcionan canales correspondientes para suministrar y drenar el refrigerante.
Tipo: AESSEAL CSM™
Usado con planes de flejado API 2, API 32
Presión: ≤ 2.1MPa
Velocidad: ≤ 20 m/s
Temperatura: -30˚C ~ +220˚C
Anillo móvil (SiC / CAR / TC)
Anillo estacionario (SiC/TC)
Sello secundario (VlTON / PTFE)
Otras partes (SUS304 / SUS316 / Titanio / Hastelloy-C)
Características
| Manufacturero | BTS Engineering |
| Diámetro del eje | 105 |
| Material de caucho | VITON |
| Parejas de fricción | SIC/SIC |
| Material de las piezas metálicas | 304 |
| Velocidad | 20 m/s |
| Presión | 2,1 Mpa |
| Temperatura de trabajo | -30°C +220°C |
| Tipo de sellado | R-CSM |
| Analógico | AESSEAL CSM™ |
| Datos logísticos: |
Vídeo Sello de cartucho R-CSM 105, SIC/SIC, VITON, 304
Cómo medir correctamente un cierre mecánico
Productos de la misma categoría
29017_100__SIC/SIC__VITON__304
Sólo pedido anticipado
29017_110__SIC/SIC__VITON__304
Sólo pedido anticipado
29017_115__SIC/SIC__VITON__304
Sólo pedido anticipado
29017_120__SIC/SIC__VITON__304
Sólo pedido anticipado

























































































































































