Catalogue
- Principal
- Services et équipements d'ingénierieÉvaporateurs sous videDécanteurs centrifuges, séparateursBroyeurs pour le broyage des cultures céréalières dans le processus de production d'aliments pour animaux, de farine et d'éthanolInstruments de contrôle et de mesure, capteurs, débitmètres pour l'automatisation de la productionConception, construction d'une distillerie, BRUÉchangeur de chaleur à spirale, à calandre et à tubesSéchoirs industrielsChaudières à combustible solideEnzymes, levure alcoolique, antiseptiques pour la production d'alcoolAudit énergétiqueChaudières industrielles à vapeur
- Conception, construction d'une distillerie, BRU
- Usine de distillation de cognac 1000 dal/jour
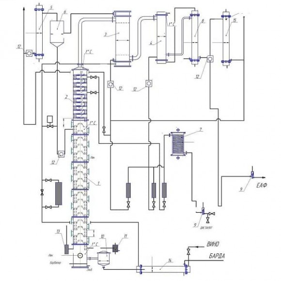
Usine de distillation de cognac 1000 dal/jour
Aperçu

Usine de distillation de brandy 1000 dal/jour comprend : 1. Colonne à double ébullition f1000, AISI 304, 18 plaques + cube (1 pc) 2. Section de renforcement f1000, M3, 9 plaques (1 pc) 3. Chauffe-vin F=15m2, M3 ( 2 pcs) 4. Condenseur F=15m2, M3 (1 pc) 5. Piège à alcool F=5m2, AISI304 (1 pc) 6. Interrupteur à vide AISI304 (2 pcs) 7. Réfrigérateur F=10m2(AISI304) + F= 6m2, M3 (1 pc) 8. Arroseur M3 (1 pc) 9. Chauffe-vin récupérateur F=20m2 AISI 304 (1 pc) 10. Piège à alcool F=5m2, AISI 316 (1 pc) 11. Bardorégulateur AISI 304 (1 pc) 12. Collecte des déchets de vinasse AISI 304 (1 pc) 13. Lampes de poche (7 pcs) 14. Sonde Solleron (1 pc) 15. Séparateur de CO2 ø700 AISI 304 (1 pc) 16. Rotamètres RM-0.16ZHUS(1) , RM-1, 6ZHUS(2) (3 pièces) 17. Rotamètre RP-6.3 ZhUS (1 pièce) Consommation de vapeur 850-9500 kg/heure, Consommation d'eau 8-10 m3/heure.
Caractéristiques
| Fabricant | BTS Engineering |
| Taper | service |
| Consommation de vapeur chaude, kg/litre (6 bar) | 2.5 - 4.0 |
| Consommation électrique, kW/litre | 0,5 |
| Eau artésienne, m3/litre | 0,002 |
| Consommation d'eau de circulation, m3/litre | 0,2 |
| Consommation de carburant organique, nm3/litre | 0,2 - 0,32 |
| Matière brute | cultures céréalières, mélasse, ruisseau |
| Productivité, litre/jour | 5000-100000 |
| Transformation des vinasses post-alcoolisées | Oui |
| Présence d'ACS TP | Oui |
| Données logistiques: |
Produits de la même catégorie
1020435
Pré-commande uniquement
1020437
Pré-commande uniquement







































































































































