Catalogue
- Principal
- Pompes industrielles
- Pompes par typePompes à fûtLes pompes à videPompes submersibles verticalesPompes à visPompes vortexPompes scelléesDispersant - émulsifiant homogénéisateurPompes doseusesPompes à turbineStations d'égoutPompes consolesPompes à lobesPompes pneumatiques à membranePompes submersibles pneumatiques à membranePompes multicellulairesPompes monobloc en fonteMotopompesPompes à diaphragme à moteurPompe Ex ATEXPompe entraînée par prise de forcePompes à double aspirationPompes en lignePompes sans glandePompes à hélice axialePompes péristaltiquesPompes à palettesPompes à pistonDrainage de surface et pompes fécalesPompes submersibles de drainage et fécalesPompes à lisier submersiblesPompes à pistonsPompe à rouleauxPompes auto-amorçantesPompes sanitaires et hygiéniquesPompes de fondDistributeur de pompe à solénoïdeStations d'approvisionnement en eau et d'extinction d'incendiePompes chimiques à entraînement magnétiquePompes centrifugesPompes à engrenagesIndustrielles péristaltiques pompes
- Pompes consoles
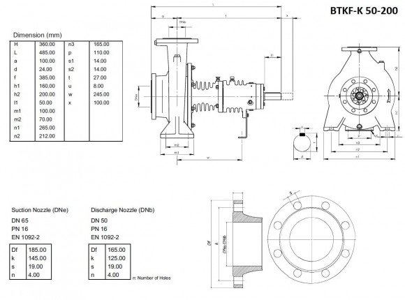
- Pompe à huile surchauffée BTKF-K 50-200, imp 214mm, 3000 sans moteur
Pompe à huile surchauffée BTKF-K 50-200, imp 214mm, 3000 sans moteur
Achetez également avec ce produit
1042539
Pré-commande uniquement
Documentation
Télécharger les instructions, le catalogue pour Pompe à huile surchauffée BTKF-K 50-200, imp 214mm, 3000 sans moteur
Aperçu

La pompe à huile chaude BTKF-K est conçue pour pomper des liquides à haute température, huile 350°C. Pompe à chaleur bitume, pompe pour usines de menuiserie pour la production de produits. Les pompes sont équipées de roues de trois tailles de diamètre (avec garniture), ce qui vous permet de sélectionner plus précisément la pompe pour la pression et la puissance sur l'arbre. La pompe à eau chaude est une pompe centrifuge refroidie par air avec un radiateur en fonte pour soulager la contrainte thermique de la chambre d'arbre et des joints mécaniques installés. La pompe et le moteur sont reliés par un accouplement. Cela donne des avantages lors du démontage. La taille de la pompe est conforme à la norme TS EN 733. Les dimensions des brides d'entrée et de sortie sont conformes à la norme ISO 7005-2 / PN16. La pompe est équipée d'une garniture mécanique constituée de matériaux résistants aux hautes températures. S'il est nécessaire de remplacer la roue, les roulements ou les joints, la pompe peut être facilement démontée. Usage : pompe pour liquide surchauffé, huile, autres produits propres avec des températures jusqu'à 350°C. Applications : - usines chimiques et pétrochimiques, papeteries, sucreries, agroalimentaire, boulangeries usines de plastique, de caoutchouc et de fibres synthétiques, cuisinières et chauffage, industries du textile et du cuir, métallurgie, préparation de peinture, chauffage du bitume pour la construction de routes, industrie de transformation du bois , production de panneaux pour meubles, collage, etc., pour les échangeurs de chaleur technologiques lors du transfert et du chauffage des liquides.
Caractéristiques
| Fabricant | ERDURO |
| Productivité, mètres cubes par heure | 98 |
| Hauteur d'alimentation, m.niveau d'eau | 65 |
| Puissance, kW | 22 |
| Matériel | fonte |
| Le diamètre du tuyau d'admission | DN65 |
| Le diamètre du tuyau de sortie | DN50 |
| Fréquence de rotation, tr/min | 3 000 |
| Degré de protection | IP55 |
| Sécurité anti-explosion | Non |
| Productivité (max), mètres cubes par heure | 98 |
| Température (max), С | 350 |
| Diamètre de la roue à aubes, mm | 214 |
| Sceller | Mechanical Seal, Eagle Burgmann |
| Hauteur de refoulement (max), m.eau st | 65 |
| Pression, bars | 16 |
| Série de pompes | BTKF-K |
| Pays d'origine | Turquie |
| Type de pompe | console |
| Type d'entraînement | électrique |
| Type d'installation | horizontal |
| Type d'équipement | sans moteur |
| Garantie, mois | 12 |
| Application | eau surchauffée, huiles thermiques |
| Analogue | FLOWSERVE, ALLWEILER, KSB, Pompetravaini TCD, SIHI, WILO |
| Données logistiques: | |
| Poids, kg | 46 |
| Poids brut, kg | 46 |
Catégories:Pompes consolesPompes centrifugesPompes à huile thermique +350Pompes haute température +400°C
Produits de la même catégorie
1030849
Pré-commande uniquement
1029076
Pré-commande uniquement













































































































































































