Catalogue
- Principal
- Pompes industrielles
- Pompes par typePompes à fûtLes pompes à videPompes submersibles verticalesPompes à visPompes vortexPompes scelléesDispersant - émulsifiant homogénéisateurPompes doseusesPompes à turbineStations d'égoutPompes consolesPompes à lobesPompes pneumatiques à membranePompes submersibles pneumatiques à membranePompes multicellulairesPompes monobloc en fonteMotopompesPompes à diaphragme à moteurPompe Ex ATEXPompe entraînée par prise de forcePompes à double aspirationPompes en lignePompes sans glandePompes à hélice axialePompes péristaltiquesPompes à palettesPompes à pistonDrainage de surface et pompes fécalesPompes submersibles de drainage et fécalesPompes à lisier submersiblesPompes à pistonsPompe à rouleauxPompes auto-amorçantesPompes sanitaires et hygiéniquesPompes de fondDistributeur de pompe à solénoïdeStations d'approvisionnement en eau et d'extinction d'incendiePompes chimiques à entraînement magnétiquePompes centrifugesPompes à engrenagesIndustrielles péristaltiques pompes
- Pompes pneumatiques à membrane
- Pompe à membrane alimentaire FOODBOXER 100
Pompe à membrane alimentaire FOODBOXER 100
Achetez également avec ce produit
1042539
Pré-commande uniquement
Aperçu

Pompes FOODBOXER hygiéniques alimentaires pour l'industrie alimentaire, cosmétique. Principales caractéristiques de la pompe FOODBOXER 100 - Capacité maximale de la pompe jusqu'à 150 l/min ; - Auto-injection de liquides jusqu'à 5 m ; - Travailler en mode sans pression ; - Alimentation en air sans lubrification ; - Régulation rapide tout en maintenant une pression élevée ; - Possibilité d'installation avec un support de suspension ; - Soufflage et tête réglables ; - Sorties multi-tubes ; - Peut fonctionner à sec sans problème ; - Pas de connexions électriques ; - Pièces facilement remplaçables. - NORME : II 3/3 GD c IIB T135°C (POUR ZONE 2) - CONDUITE : II 2/2 GD c IIB T135°C (POUR ZONE 1)
Caractéristiques
| Fabricant | DEBEM |
| Productivité, mètres cubes par heure | 9 |
| Hauteur d'alimentation, m.niveau d'eau | 70 |
| Matériel | AISI 316L |
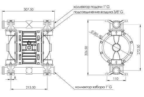
| Le diamètre du tuyau d'admission | 1" |
| Le diamètre du tuyau de sortie | 1" |
| Productivité (max), mètres cubes par heure | 9 |
| Modèle | FOODBOXER 100 |
| Température (max), С | 95 |
| Connexion à la ligne pneumatique, pouce, f | 3/8" |
| Viscosité maximale, cPz | 30 000 |
| Pression d'air (max), bars | 7 |
| Le diamètre maximal des inclusions solides, mm | 4 |
| Productivité, l/min | 150 |
| Hauteur d'aspiration sèche (max), m | 5 |
| Hauteur de refoulement (max), m.eau st | 70 |
| Matériau de la pièce d'écoulement | AISI 316L |
| Matériau de la membrane côté air | HYTREL |
| Matériau de la membrane côté liquide | PTFE |
| Matériau des robinets à tournant sphérique | PTFE |
| Matériau du joint torique | PTFE |
| Matériau du siège de soupape | INOX |
| Série de pompes | FOODBOXER |
| Pays d'origine | Italie |
| Type de pompe | pneumatique à membrane |
| Type d'entraînement | pneumatique |
| Disponibilité des pièces de rechange | Oui |
| Application | acide nitrique, ammoniac, butane, hydrogène, fluides visqueux, argile, cendres, boue de kaolin, urée, carbonate, peintures, laque, amine saturée, oléum, peroxyde, soufre, systèmes d'osmose inverse, l'alcool, acide acétique, phénol, formol, phosphates, acide phosphorique, scories, boue, alcalins, éthylène, éthers |
| Analogue | AGRAL DDE-030, AGRAL DDE-100, AGRAL DDE-160, AGRAL DDE-300, AGRAL DDE-60, AGRAL DDE-600, AlphaDynamic Ruby, AQUA, AquaViva, Astralpool, Debem BOXER, Debem FOODBOXER, Debem SANIBOXER, DELLMECO DM, DELLMECO DMCX, DEPA DB, DEPA L, DEPA М, DEPA РМ (Р), DOSITEC, Duotek AF Zone 2 Atex, DUOTEK FOOD, DUOTEK SANI, Emec, FWT, Graco Husky, Grundfos, Injecta, Jesco Pump, MILTON ROY, Milwaukee, PRODOSE, ProMinent, Seko, Sera, WILDEN, YAMADA NDP |
| Données logistiques: | |
| Poids, kg | 11 |
Catégories:Pompes pneumatiques à membranePompe à acide nitriquePompe à verre liquidePompe à crème et pâtePompes pour liquides visqueuxPompes à glycérinePompes à acidePompes adhésivesPompes à peinture et vernisPompes à glacePompes à résinePompes à fréonPompes alcalinesPompes résistantes aux acides pour liquides agressifsPompes à membrane FDAPompe pour liquides agressifs, pompe acidePompes alimentairesPompes pneumatiquesPompes à membrane alimentaire FOODBOXER



























































































































































