Catalogue
- Principal
- Pompes industrielles
- Pompes par typePompes à fûtLes pompes à videPompes submersibles verticalesPompes à visPompes vortexPompes scelléesDispersant - émulsifiant homogénéisateurPompes doseusesPompes à turbineStations d'égoutPompes consolesPompes à lobesPompes pneumatiques à membranePompes submersibles pneumatiques à membranePompes multicellulairesPompes monobloc en fonteMotopompesPompes à diaphragme à moteurPompe Ex ATEXPompe entraînée par prise de forcePompes à double aspirationPompes en lignePompes sans glandePompes à hélice axialePompes péristaltiquesPompes à palettesPompes à pistonDrainage de surface et pompes fécalesPompes submersibles de drainage et fécalesPompes à lisier submersiblesPompes à pistonsPompe à rouleauxPompes auto-amorçantesPompes sanitaires et hygiéniquesPompes de fondDistributeur de pompe à solénoïdeStations d'approvisionnement en eau et d'extinction d'incendiePompes chimiques à entraînement magnétiquePompes centrifugesPompes à engrenagesIndustrielles péristaltiques pompes
- Pompes pneumatiques à membrane
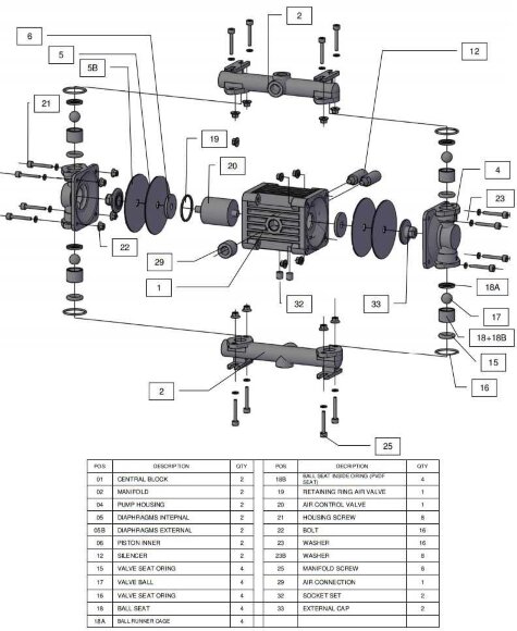
- Pompe à membrane pneumatique RUBY 010S-P-NTSS-T
Pompe à membrane pneumatique RUBY 010S-P-NTSS-T
Achetez également avec ce produit
1042539
Pré-commande uniquement
Documentation
Télécharger les instructions, le catalogue pour Pompe à membrane pneumatique RUBY 010S-P-NTSS-T
Aperçu

Les avantages des pompes Ruby :
- consommation d'air économique, conception écologique ;
- haut degré de productivité;
- des performances optimales ;
- haute efficacité pour la pression / capacité ;
- ne gèle pas ;
- nouvelle conception de vanne d'air, passage d'air entièrement contrôlé ;
- facilité de démontage et de remontage ;
- technologie membranaire avancée ;
- membranes d'une nouvelle génération à piston externe interne ;
- membranes combinées PTFE+EPDM. Ils combinent la plus haute résistance aux environnements agressifs du Téflon et l'élasticité de l'EPDM. Température de fonctionnement de -10°C à +130°C ;
- membranes combinées avec une couche de Téflon modifié, conçues pour 100 millions de cycles, idéales pour travailler avec des liquides abrasifs et pour travailler dans des conditions de températures négatives ;
- Option Twin Manifold (deux aspiration et deux refoulements) ;
- excellentes performances et rapport qualité-prix ;
- idéal pour les fluides abrasifs, visqueux et sensibles au cisaillement ;
- aspiration automatique ;
- immersion totale dans le fluide pompé (sur demande) ;
- pompage de liquides visqueux ;
- facilité d'entretien et de remplacement des pièces;
- réorientation facile des orifices d'alimentation (collecteur de retour).
Caractéristiques
| Fabricant | AlphaDynamic |
| Productivité, mètres cubes par heure | 1.32 |
| Hauteur d'alimentation, m.niveau d'eau | 70 |
| Matériel | AISI 316 acier inoxydable |
| Le diamètre du tuyau d'admission | 3/8" |
| Le diamètre du tuyau de sortie | 3/8" |
| Sécurité anti-explosion | Oui |
| Productivité (max), mètres cubes par heure | 1.32 |
| Modèle | RUBY 010 |
| Le diamètre de la conduite pneumatique | 3/8" |
| Température (max), С | 95 |
| Hauteur d'aspiration sèche (max), m.water st | 4 |
| Pression d'air (max), bars | 7 |
| Le diamètre maximal des inclusions solides, mm | 0,5 |
| Productivité, l/min | 22 |
| Dimensions, mm | 173x134x168 |
| Hauteur de refoulement (max), m.eau st | 70 |
| Matériau du corps | AISI 316 acier inoxydable |
| Matériau de la membrane côté liquide | PTFE |
| Matériau des robinets à tournant sphérique | PTFE |
| Matériau du joint torique | PTFE |
| Matériau du siège de soupape | AISI 316 acier inoxydable |
| Série de pompes | RUBY |
| Pays d'origine | Grèce |
| Type de pompe | pneumatique à membrane |
| Type d'entraînement | pneumatique |
| Disponibilité des pièces de rechange | Oui |
| Garantie, mois | 12 |
| Application | acide nitrique, ammoniac, butane, hydrogène, fluides visqueux, argile, cendres, boue de kaolin, urée, carbonate, peintures, laque, amine saturée, oléum, peroxyde, soufre, systèmes d'osmose inverse, l'alcool, acide acétique, phénol, formol, phosphates, acide phosphorique, scories, boue, alcalins, éthylène, éthers |
| Analogue | AGRAL DDE-030, AGRAL DDE-100, AGRAL DDE-160, AGRAL DDE-300, AGRAL DDE-60, AGRAL DDE-600, AlphaDynamic Ruby, AQUA, AquaViva, Astralpool, Debem BOXER, Debem FOODBOXER, Debem SANIBOXER, DELLMECO DM, DELLMECO DMCX, DEPA DB, DEPA L, DEPA М, DEPA РМ (Р), DOSITEC, Duotek AF Zone 2 Atex, DUOTEK FOOD, DUOTEK SANI, Emec, FWT, Graco Husky, Grundfos, Injecta, Jesco Pump, MILTON ROY, Milwaukee, PRODOSE, ProMinent, Seko, Sera, WILDEN, YAMADA NDP |
| Données logistiques: | |
| Poids, kg | 3 |
Catégories:Pompes pneumatiques à membranePompe à acide nitriquePompe à verre liquidePompe à crème et pâtePompes pour liquides visqueuxPompes à glycérinePompes à acidePompes adhésivesPompes à peinture et vernisPompes à résinePompes à fréonPompes alcalinesPompes résistantes aux acides pour liquides agressifsPompe pour liquides agressifs, pompe acidePompes pneumatiques































































































































































