Catalogue
- Principal
- Pompes industrielles
- Pompes par typePompes à fûtLes pompes à videPompes submersibles verticalesPompes à visPompes vortexPompes scelléesDispersant - émulsifiant homogénéisateurPompes doseusesPompes à turbineStations d'égoutPompes consolesPompes à lobesPompes pneumatiques à membranePompes submersibles pneumatiques à membranePompes multicellulairesPompes monobloc en fonteMotopompesPompes à diaphragme à moteurPompe Ex ATEXPompe entraînée par prise de forcePompes à double aspirationPompes en lignePompes sans glandePompes à hélice axialePompes péristaltiquesPompes à palettesPompes à pistonDrainage de surface et pompes fécalesPompes submersibles de drainage et fécalesPompes à lisier submersiblesPompes à pistonsPompe à rouleauxPompes auto-amorçantesPompes sanitaires et hygiéniquesPompes de fondDistributeur de pompe à solénoïdeStations d'approvisionnement en eau et d'extinction d'incendiePompes chimiques à entraînement magnétiquePompes centrifugesPompes à engrenagesIndustrielles péristaltiques pompes
- Pompes pneumatiques à membrane
- Pompe à membrane pneumatique RUBY FDA 015S-W-EST-T
Pompe à membrane pneumatique RUBY FDA 015S-W-EST-T
Achetez également avec ce produit
1042539
Pré-commande uniquement
Documentation
Télécharger les instructions, le catalogue pour Pompe à membrane pneumatique RUBY FDA 015S-W-EST-T
Aperçu

Les pompes pneumatiques à membrane Ruby sont fabriquées conformément aux exigences de la FDA. Toute la gamme de ces pompes est en acier inoxydable AISI 316 Electro poli sur la base
Réglementation internationale ASTM A380, et les membranes PTFE et EPDM sont des membranes de nouvelle technologie avec un piston intégré. (composé).
Avantages des pompes Ruby FDA :
- Membranes EPDM de nouvelle génération avec piston intérieur-extérieur intégré avec certificat FDA Membranes nouvelle génération et design PTFE avec piston intégré pour une plus longue durée de vie (compound) avec certificat FDA. Température de fonctionnement de -10°C à +130°C ;
- membranes PTFE-Α de technologie avancée offrant un haut débit avec certificat FDA ;
- consommation d'air économique, conception écologique ;
- haut degré de productivité;
- des performances optimales ;
- nouvelle conception de vanne d'air, passage d'air entièrement contrôlé ;
- facilité de démontage et de remontage ;
- membranes combinées avec une couche de Téflon modifié, conçues pour 100 millions de cycles, idéales pour travailler avec des liquides abrasifs et pour travailler dans des conditions de températures négatives ;
- excellentes performances et rapport qualité-prix ;
- idéal pour les fluides abrasifs, visqueux et sensibles au cisaillement ;
- pompage de liquides visqueux ;
- facilité d'entretien et de remplacement des pièces.
Caractéristiques
| Fabricant | AlphaDynamic |
| Productivité, mètres cubes par heure | 4.32 |
| Hauteur d'alimentation, m.niveau d'eau | 70 |
| Matériel | AISI 316 acier inoxydable |
| Le diamètre du tuyau d'admission | 1/2" |
| Le diamètre du tuyau de sortie | 1/2" |
| Sécurité anti-explosion | Oui |
| Productivité (max), mètres cubes par heure | 4.32 |
| Modèle | RUBY 015 |
| Le diamètre de la conduite pneumatique | 1/2" |
| Température (max), С | 95 |
| Hauteur d'aspiration sèche (max), m.water st | 3 |
| Pression d'air (max), bars | 7 |
| Le diamètre maximal des inclusions solides, mm | 3 |
| Productivité, l/min | 72 |
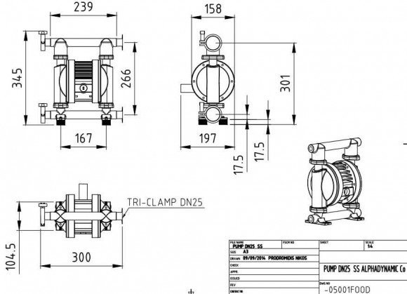
| Dimensions, mm | 300x197x345 |
| Hauteur de refoulement (max), m.eau st | 70 |
| Matériau du corps | AISI 316 acier inoxydable |
| Matériau de la membrane côté liquide | EPDM |
| Matériau des robinets à tournant sphérique | PTFE |
| Matériau du joint torique | PTFE |
| Matériau du siège de soupape | AISI 316 acier inoxydable |
| Série de pompes | RUBY FDA |
| Pays d'origine | Grèce |
| Type de pompe | pneumatique à membrane |
| Type d'entraînement | pneumatique |
| Disponibilité des pièces de rechange | Oui |
| Garantie, mois | 12 |
| Application | acide nitrique, ammoniac, butane, hydrogène, fluides visqueux, argile, cendres, boue de kaolin, urée, carbonate, peintures, laque, amine saturée, oléum, peroxyde, soufre, systèmes d'osmose inverse, l'alcool, acide acétique, phénol, formol, phosphates, acide phosphorique, scories, boue, alcalins, éthylène, éthers |
| Analogue | AGRAL DDE-030, AGRAL DDE-100, AGRAL DDE-160, AGRAL DDE-300, AGRAL DDE-60, AGRAL DDE-600, AlphaDynamic Ruby, AQUA, AquaViva, Astralpool, Debem BOXER, Debem FOODBOXER, Debem SANIBOXER, DELLMECO DM, DELLMECO DMCX, DEPA DB, DEPA L, DEPA М, DEPA РМ (Р), DOSITEC, Duotek AF Zone 2 Atex, DUOTEK FOOD, DUOTEK SANI, Emec, FWT, Graco Husky, Grundfos, Injecta, Jesco Pump, MILTON ROY, Milwaukee, PRODOSE, ProMinent, Seko, Sera, WILDEN, YAMADA NDP |
| Données logistiques: | |
| Poids, kg | 9 |
Catégories:Pompes pneumatiques à membranePompe à acide nitriquePompe à verre liquidePompe à crème et pâtePompes pour liquides visqueuxPompes à glycérinePompes à acidePompes adhésivesPompes à peinture et vernisPompes à glacePompes à résinePompes à fréonPompes alcalinesPompes résistantes aux acides pour liquides agressifsPompes à membrane FDAPompe pour liquides agressifs, pompe acidePompes alimentairesPompes pneumatiques































































































































































