Catalogue
- Principal
- Pompes industrielles
- Pompes par typePompes à fûtLes pompes à videPompes submersibles verticalesPompes à visPompes vortexPompes scelléesDispersant - émulsifiant homogénéisateurPompes doseusesPompes à turbineStations d'égoutPompes consolesPompes à lobesPompes pneumatiques à membranePompes submersibles pneumatiques à membranePompes multicellulairesPompes monobloc en fonteMotopompesPompes à diaphragme à moteurPompe Ex ATEXPompe entraînée par prise de forcePompes à double aspirationPompes en lignePompes sans glandePompes à hélice axialePompes péristaltiquesPompes à palettesPompes à pistonDrainage de surface et pompes fécalesPompes submersibles de drainage et fécalesPompes à lisier submersiblesPompes à pistonsPompe à rouleauxPompes auto-amorçantesPompes sanitaires et hygiéniquesPompes de fondDistributeur de pompe à solénoïdeStations d'approvisionnement en eau et d'extinction d'incendiePompes chimiques à entraînement magnétiquePompes centrifugesPompes à engrenagesIndustrielles péristaltiques pompes
- Pompes chimiques à entraînement magnétique
- Pompe à entraînement magnétique DM 10 PP, VITON, 0,75 kW
Pompe à entraînement magnétique DM 10 PP, VITON, 0,75 kW
Achetez également avec ce produit
1042539
Pré-commande uniquement
Aperçu

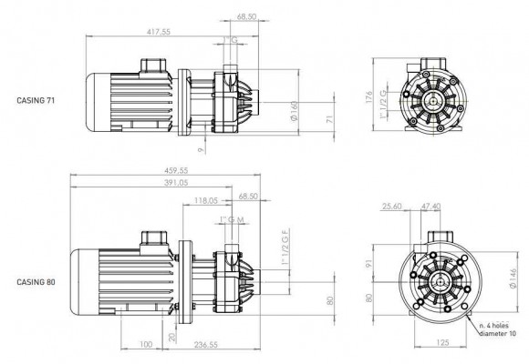
Pompes DM hermétiquement fermées sans joints et avec accouplement magnétique. Les pompes à entraînement magnétique étanches sont utilisées pour pomper des liquides corrosifs, toxiques ou inflammables, ainsi que des liquides contenant des particules. Plusieurs aimants entraînent la pompe, un aimant externe situé sur l'arbre transmet le mouvement à un aimant interne intégré à la roue, qui est hermétiquement scellé. La roue n'est pas montée sur l'arbre de la pompe, par conséquent, il n'y a pas de joints, ce qui élimine la fuite du liquide pompé, en raison de l'usure des joints. La tête de pompe se compose de plusieurs composants, ce qui simplifie la maintenance. Matériaux standard de la pompe : polypropylène (PP) et polyvinylindendenfluoride (PVDF). Ces pompes ne peuvent pas fonctionner à sec. Le pompage de liquides contaminés raccourcit la durée de vie des pompes.
Caractéristiques
| Fabricant | DEBEM |
| Productivité, mètres cubes par heure | 13 |
| Hauteur d'alimentation, m.niveau d'eau | 13.8 |
| Puissance, kW | 0,75 |
| Matériel | PP |
| Le diamètre du tuyau d'admission | 1 1/2" |
| Le diamètre du tuyau de sortie | 1" |
| Pouvoir électrique | 3x380 V, 50 Hz |
| Productivité (max), mètres cubes par heure | 13 |
| Modèle | DM10 |
| Température (max), С | 65 |
| Température maximale du liquide, °C | 65 |
| Diamètre de la roue à aubes, mm | 98 |
| Viscosité maximale, cPz | 150 |
| Hauteur de refoulement (max), m.eau st | 13.8 |
| Matériau de la pièce d'écoulement | PP |
| Matériau du joint torique | VITON(FKM) |
| Série de pompes | DM |
| Pays d'origine | Italie |
| Type de pompe | avec accouplement magnétique |
| Type d'entraînement | électrique |
| Disponibilité des pièces de rechange | Oui |
| Données logistiques: |
Catégories:Pompes chimiques à entraînement magnétiquePompes scelléesPompes centrifugesPompe à acide nitriquePompes à acidePompes alcalinesPompes résistantes aux acides pour liquides agressifsPompe pour liquides agressifs, pompe acidePompes de galvanoplastiePompes à entraînement magnétique DM
Produits de la même catégorie
DM10P-SV2BE071
Pré-commande uniquement
DM10FCSV1BE080
Pré-commande uniquement





























































































































































