Catalogue
- Principal
- Mélangeurs et agitateurs
- Agitateurs à basse vitesse
- Mélangeur pour la chimie AQUA AG3-AISI90/S, 380V, 70 RPM, ADAG3A09S
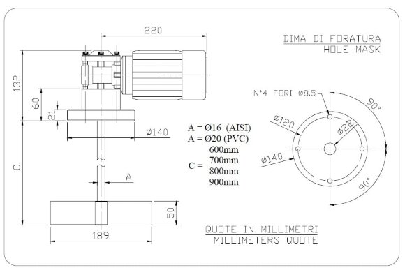
Mélangeur pour la chimie AQUA AG3-AISI90/S, 380V, 70 RPM, ADAG3A09S
Documentation
Télécharger les instructions, le catalogue pour Mélangeur pour la chimie AQUA AG3-AISI90/S, 380V, 70 RPM, ADAG3A09S
Aperçu

Le mélangeur électrique fabriqué par la société italienne AQUA est utilisé pour mélanger des réactifs chimiques (solutions acides et alcalines) dans des réservoirs. Ils sont destinés à être installés sur un récipient de travail dans le but de préparer et de maintenir des réactifs chimiques dans un état adapté au pompage par des pompes. Les conteneurs sont attachés par le haut. Ce modèle est conçu pour mélanger à basse vitesse. L'exécution du moteur électrique est triphasée. Convient à tous les types de pompes doseuses. La capacité Aqua A-TANK-10 de 10 000 litres convient à ce mélangeur.
Caractéristiques
| Fabricant | AQUA |
| Puissance, kW | 0,089 |
| Matériel | AISI 304 acier inoxydable |
| Fréquence de rotation, tr/min | 70 |
| Pouvoir électrique | 3x380 V, 50 Hz |
| Diamètre de la roue, mm | 189 |
| Longueur, mm | 900 |
| Série de mélangeurs | AG-S |
| Pays d'origine | Italie |
| Application | suspensions, barattage, lait de chaux, dissolution, solutions, réactifs et émulsions pour l'homogénéisation, mélange, sels, suspension, suspensions |
| Analogue | FLUIMAC, AGF, Emec, FWT, Grundfos, Inoxpa, Jesco Pump, Lightnin, ProMinent, SULZER, Tapflo |
| Données logistiques: | |
| Poids brut, kg | 7 |
| La longueur du colis de transport, voir | 21 |
| La largeur du colis de transport, cm | 123 |
| La hauteur du colis de transport, voir | 21 |
Produits de la même catégorie
ADAG3A06S
Pré-commande uniquement
ADAG3A07S
Pré-commande uniquement













































































































































