Catalogue
- Principal
- Pompes industrielles
- Pompes par typePompes à fûtLes pompes à videPompes submersibles verticalesPompes à visPompes vortexPompes scelléesDispersant - émulsifiant homogénéisateurPompes doseusesPompes à turbineStations d'égoutPompes consolesPompes à lobesPompes pneumatiques à membranePompes submersibles pneumatiques à membranePompes multicellulairesPompes monobloc en fonteMotopompesPompes à diaphragme à moteurPompe Ex ATEXPompe entraînée par prise de forcePompes à double aspirationPompes en lignePompes sans glandePompes à hélice axialePompes péristaltiquesPompes à palettesPompes à pistonDrainage de surface et pompes fécalesPompes submersibles de drainage et fécalesPompes à lisier submersiblesPompes à pistonsPompe à rouleauxPompes auto-amorçantesPompes sanitaires et hygiéniquesPompes de fondDistributeur de pompe à solénoïdeStations d'approvisionnement en eau et d'extinction d'incendiePompes chimiques à entraînement magnétiquePompes centrifugesPompes à engrenagesIndustrielles péristaltiques pompes
- Pompes consoles
- Pompe Ebara 3M 50-200/15, 380V
Pompe Ebara 3M 50-200/15, 380V
Achetez également avec ce produit
1042539
Pré-commande uniquement
Documentation
Télécharger les instructions, le catalogue pour Pompe Ebara 3M 50-200/15, 380V
Aperçu

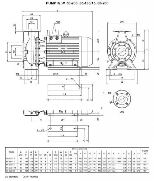
Les pompes centrifuges Ebara à brides selon EN 733 sont fabriquées en acier inoxydable AISI 304 (AISI 316). Application : systèmes d'approvisionnement en eau ; pomper des liquides modérément agressifs ; filtration; traitement de l'eau; éviers industriels; augmentation de la pression; chauffage et climatisation; systèmes de refroidissement et de réfrigération; irrigation. Caractéristiques techniques : Conception hydraulique robuste. Convient pour le pompage de nombreux liquides (version en AISI 304 ou AISI 316). Grâce à la chambre en spirale spéciale, l'efficacité de la pompe est augmentée. Châssis de pompe standard en AISI 304. Corps de pompe fixé avec des vis AISI 304. Dimensions compactes. Une large gamme de pompes équipées de moteurs 2 et 4 pôles. Fabriqué selon la norme ISO EN 733. La conception "couvercle arrière divisé" permet de séparer l'ensemble moteur/turbine tout en laissant le boîtier en place. Garniture mécanique standard DIN 24960. Moteur IEC (3S - 3P). Moteurs spéciaux : antidéflagrants, haut rendement EFF 1, silencieux, avec onduleur VMA intégré. Un joint mécanique en option est disponible pour répondre à vos besoins. Spécification : productivité jusqu'à 132 m3/heure. Hauteur de refoulement jusqu'à 72 m.Pression maximale : 1 MPa. Température du liquide pompé : -10°C ÷ 100°C. en standard, -10°C ÷ 110°C pour la version H. Corps de pompe, couvercle de corps, roue et arbre en acier inoxydable AISI 304 (série 3), avec AISI 316L (série 3L). Garniture mécanique Graphite/Céramique/NBR pour version standard (Série 3), SiC/SiC/FPM (Série 3L), Garniture mécanique Graphite/Céramique/FPM pour version H, Garniture mécanique SiC/SiC/FPM pour version HS, SiC/graphite Garniture mécanique /FPM pour la version E. Caractéristiques techniques : moteur asynchrone 2 et 4 pôles. Classe d'isolation F . Degré de protection IP55. Monophasé 220V, 50 Hz, triphasé 380V, 50 Hz. Une protection contre les surcharges thermiques doit être fournie par l'utilisateur.
Caractéristiques
| Fabricant | Ebara |
| Productivité, mètres cubes par heure | 72 |
| Hauteur d'alimentation, m.niveau d'eau | 72 |
| Puissance, kW | 15 |
| Matériel | AISI 304 acier inoxydable |
| Le diamètre du tuyau d'admission | DN65 |
| Le diamètre du tuyau de sortie | DN50 |
| Fréquence de rotation, tr/min | 2 800 |
| Degré de protection | IP55 |
| Pouvoir électrique | 3x380 V, 50 Hz |
| Sécurité anti-explosion | Non |
| Productivité (max), mètres cubes par heure | 72 |
| Température (max), С | 90 |
| Dimensions, mm | 880x390x532 |
| Sceller | Mechanical Seal, Carbon/Ceramic/NBR |
| Hauteur de refoulement (max), m.eau st | 72 |
| Pression, bars | 10 |
| Matériau du corps | AISI 304 acier inoxydable |
| Matériau de la pièce d'écoulement | AISI 304 acier inoxydable |
| Matériau de l'impulseur | AISI 304 acier inoxydable |
| Matériau de l'arbre | AISI 304 acier inoxydable |
| Série de pompes | 3M |
| Pays d'origine | Italie |
| Type de pompe | console |
| Type d'entraînement | électrique |
| Type d'installation | horizontal |
| Application | lavages CIP, mélange d'ammoniaque, brogues, brassins, vins, l'eau, tours de refroidissement, engrais liquide, CAS, caustique, eau glacée, lait, urée, le recyclage l'approvisionnement en eau, chauffage, les denrées alimentaires, coups de bélier, arrosage, boue de débris, jus de fruits, sels, moût, chambre de séchage, séchoirs, fromage de chèvre |
| Données logistiques: | |
| Poids, kg | 105,1 |
Catégories:Pompes consolesPompes centrifugesPompe pour émulsions et suspensionsPompes pour eau ammoniaquée, hydroxyde d'ammonium NH4OHPompes pour vinasse, puréePompes à vinPompes à eauPompes pour mélanges UAN urée-ammoniaquePompes pour urée, engrais liquides, ammoniacPompes à perméatPompes à bièrePompes à huile végétalePompes alimentaires pour jus, concentréPompes à engrais (UAN)Pompes centrifuges en acier inoxydablePompes pour l'approvisionnement en eauPompes alimentairesPompes centrifuges série Ebara 3M
Produits de la même catégorie
1035072
Pré-commande uniquement
1035073
Pré-commande uniquement































































































































































