Catalogue
- Principal
- Pompes industrielles
- Pompes par typePompes à fûtLes pompes à videPompes submersibles verticalesPompes à visPompes vortexPompes scelléesDispersant - émulsifiant homogénéisateurPompes doseusesPompes à turbineStations d'égoutPompes consolesPompes à lobesPompes pneumatiques à membranePompes submersibles pneumatiques à membranePompes multicellulairesPompes monobloc en fonteMotopompesPompes à diaphragme à moteurPompe Ex ATEXPompe entraînée par prise de forcePompes à double aspirationPompes en lignePompes sans glandePompes à hélice axialePompes péristaltiquesPompes à palettesPompes à pistonDrainage de surface et pompes fécalesPompes submersibles de drainage et fécalesPompes à lisier submersiblesPompes à pistonsPompe à rouleauxPompes auto-amorçantesPompes sanitaires et hygiéniquesPompes de fondDistributeur de pompe à solénoïdeStations d'approvisionnement en eau et d'extinction d'incendiePompes chimiques à entraînement magnétiquePompes centrifugesPompes à engrenagesIndustrielles péristaltiques pompes
- Pompes consoles
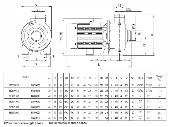
- Pompe centrifuge à eau BB300/150D, AISI304, 220V/50Hz, 2900
Pompe centrifuge à eau BB300/150D, AISI304, 220V/50Hz, 2900
Achetez également avec ce produit
1042539
Pré-commande uniquement
Documentation
Télécharger les instructions, le catalogue pour Pompe centrifuge à eau BB300/150D, AISI304, 220V/50Hz, 2900
Aperçu

Les pompes centrifuges de la série BB conviennent au pompage d'eau propre et de liquides légèrement agressifs, de solutions de glycol et d'autres liquides. Les pompes peuvent être utilisées dans les systèmes industriels, domestiques, de lavage, de piscine et d'irrigation, etc. Cette pompe peut être utilisée à pleine charge sans surcharger le moteur. Température du liquide : -15°C~+80°C.
Caractéristiques
| Fabricant | BTS Engineering |
| Productivité, mètres cubes par heure | 24 |
| Hauteur d'alimentation, m.niveau d'eau | 22.5 |
| Puissance, kW | 1,5 |
| Matériel | AISI 304 acier inoxydable |
| Le diamètre du tuyau d'admission | G 2" |
| Le diamètre du tuyau de sortie | G 2" |
| Fréquence de rotation, tr/min | 2 900 |
| Degré de protection | IP55 |
| Pouvoir électrique | 1x220 V, 50 Hz |
| Sécurité anti-explosion | Non |
| Productivité (max), mètres cubes par heure | 24 |
| Température (max), С | 100 |
| Dimensions, mm | 403x193x253 |
| Sceller | Mechanical Seal, CAR/SIC/VITON |
| Hauteur de refoulement (max), m.eau st | 22.5 |
| Matériau de la pièce d'écoulement | AISI 304 acier inoxydable |
| Série de pompes | BB |
| Pays d'origine | Chine |
| Type de pompe | console |
| Type d'entraînement | électrique |
| Type d'installation | horizontal |
| Garantie, mois | 12 |
| Données logistiques: | |
| Poids, kg | 17 |
Catégories:Pompes consolesPompes centrifuges monobloc en acier inoxydable des séries GTP, BB, CSPPompes de piscine









































































































































































