Catalogue
- Principal
- Mélangeurs et agitateurs
- Agitateurs à basse vitesse
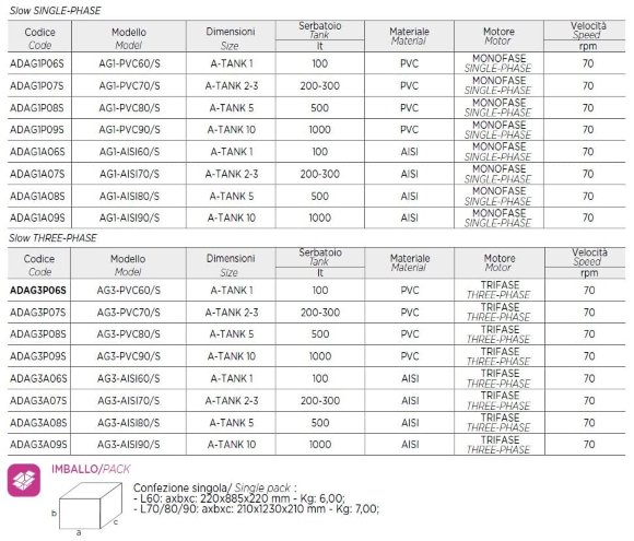
- Mélangeur chimique AQUA AG1-PVC70/S, 220V, 70 RPM, ADAG1P07S
Mélangeur chimique AQUA AG1-PVC70/S, 220V, 70 RPM, ADAG1P07S
Documentation
Télécharger les instructions, le catalogue pour Mélangeur chimique AQUA AG1-PVC70/S, 220V, 70 RPM, ADAG1P07S
Aperçu

Le mélangeur électrique fabriqué par la société italienne AQUA est utilisé pour mélanger des réactifs chimiques (solutions acides et alcalines) dans des réservoirs. Ils sont destinés à être installés sur un récipient de travail dans le but de préparer et de maintenir des réactifs chimiques dans un état adapté au pompage par des pompes. Les conteneurs sont attachés par le haut. Ce modèle est conçu pour mélanger à basse vitesse. L'exécution du moteur électrique est monophasée. Convient à tous les types de pompes doseuses. Le conteneur Aqua A-TANK-2-3 d'un volume de 200 à 300 litres convient à ce mélangeur.
Caractéristiques
| Fabricant | AQUA |
| Puissance, kW | 0,089 |
| Matériel | PVC |
| Fréquence de rotation, tr/min | 70 |
| Pouvoir électrique | 1x220 V, 50 Hz |
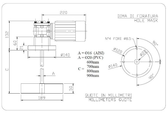
| Diamètre de la roue, mm | 189 |
| Longueur, mm | 700 |
| Série de mélangeurs | AG-S |
| Pays d'origine | Italie |
| Application | suspensions, barattage, lait de chaux, dissolution, solutions, réactifs et émulsions pour l'homogénéisation, mélange, sels, suspension, suspensions |
| Analogue | FLUIMAC, AGF, Emec, FWT, Grundfos, Inoxpa, Jesco Pump, Lightnin, ProMinent, SULZER, Tapflo |
| Données logistiques: | |
| Poids brut, kg | 7 |
| La longueur du colis de transport, voir | 21 |
| La largeur du colis de transport, cm | 123 |
| La hauteur du colis de transport, voir | 21 |
Produits de la même catégorie
ADAG1P06S
Pré-commande uniquement
ADAG1P08S
Pré-commande uniquement
ADAG1A06S
Pré-commande uniquement













































































































































