Katalog
Więcej kategorii
- Główna
- Pompy przemysłowe
- Pompy według typuPompy beczkowe Pompy próżniowePionowe pompy półzanurzeniowePompy śrubowe ślimakowePompy wirowePompy hermetyczneDyspergator-emulgator, homogenizator Pompy dozującePompy wirnikoweStacje kanalizacyjnePompy wspornikowePompa krzywkowaPompy membranowePompy pneumatyczne zatapialne membranowePompy wielostopniowePompy monoblokowe z żeliwaPompy silnikoweMembrana silnika pompyPompa Ex ATEXPompa napędzana przez wał odbioru mocy ciągnikaPompy z podwójnym wlotemPompy InlinePompy bezdławnicowePompy osiowePompy perystaltycznePompy rotacyjne łopatkowePompy tłokowePółzanurzalne pompy kałowe, drenażoweZatapialne pompy drenażowe i kałoweZatapialne pompy szlamowePompy tłokowePompy rolkowe Pompy samozasysającePompy sanitarne, higienicznePompy wiertniczeDozownik pompy elektromagnetycznejWodociągi i stacje gaśniczeChemiczne Pompy MagnetycznePompy odśrodkowePompy zębatePompy przemysłowy perystaltyczne z wężem
- Pompy zębate
- Pompa zębata EMSE EDP-I 4 cale, 54 m3/h, 8 bar, 22 kW, 400 obr/min, 380 V z przekładnią wewnętrzną, z bypassem
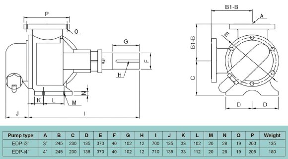
Pompa zębata EMSE EDP-I 4 cale, 54 m3/h, 8 bar, 22 kW, 400 obr/min, 380 V z przekładnią wewnętrzną, z bypassem
Kupuj również z tym produktem
Dokumentacja
Pobierz instrukcje, katalog dla Pompa zębata EMSE EDP-I 4 cale, 54 m3/h, 8 bar, 22 kW, 400 obr/min, 380 V z przekładnią wewnętrzną, z bypassem
Przegląd

Dzięki dużemu skokowi i luzowi międzyzębnemu pompy zębate EMSE z serii EDP-I mogą pompować lepkie ciecze, takie jak melasa, czekolada, asfalt, olej, produkty ropopochodne, farby, kleje, oleje roślinne, mydło, paliwo, farmaceutyki, chemikalia, żywność, tworzywa sztuczne i produkty gumowe oraz inne wysoce lepkie ciecze do ciśnienia 14-15 barów. Dzięki przepływowi objętościowemu wysokie ciśnienie można osiągnąć nawet przy niskich prędkościach.
Zasada działania: Wewnętrzne pompy zębate są używane do pompowania cieczy o wysokiej lepkości. Ten typ pompy składa się z koła zębatego napędzającego po stronie zewnętrznej i koła zębatego napędzanego w pozycji mimośrodowej. Dzięki prostej konstrukcji jest to trwała i łatwa w konserwacji pompa. Koło zębate napędzające (wirnik) jest podłączone do silnika i styka się z kołem zębatym napędzającym od wewnątrz. W pompie wyporowej z wewnętrznym zazębieniem podciśnienie jest wytwarzane po stronie ssawnej przez rozszerzanie się objętości między kołami zębatymi. Ciecz wypełniająca obudowę pompy znajduje się pod ciśnieniem w wyniku zwężenia szczeliny między kołami zębatymi i przemieszcza się w kierunku wylotu pompy.
Pompa jest dostępna w wersjach wykonanych z różnych materiałów:
Obudowy: żeliwo, żeliwo sferoidalne
Koła zębate: żeliwo sferoidalne, stal
Wały: stal
Tuleja: brąz, grafit
Charakterystyka
| Materiał przekładni | 8620 STEEL |
| Typ zazębienia przekładni | wewnętrzny |
| Producent | EMSE |
| Wydajność, m3/godz | 54 |
| Moc, kW | 22 |
| Materiał | Żeliwo |
| Średnica króćca wlotowego | 4" |
| Średnica króćca wylotowego | 4" |
| Prędkość obrotowa, obr/min | 400 |
| Zasilanie | 3х380 V, 50 Hz |
| Zabezpieczenie przeciwwybuchowe | Nie |
| Uszczelnienie | Mechanical Seal |
| Ciśnienie, bar | 8 |
| Materiał obudowy | Żeliwo |
| Materiał wału | AISI 420 |
| Kraj pochodzenia | Turcja |
| Typ Pompy | Przekładniowy |
| Typ napędu | Elektryczny |
| Typ sprzętu | z silnikiem |
| Dane logistyczne: |

































































































































































