Katalog
Więcej kategorii
- Główna
- Pompy przemysłowe
- Pompy według typuPompy beczkowe Pompy próżniowePionowe pompy półzanurzeniowePompy śrubowe ślimakowePompy wirowePompy hermetyczneDyspergator-emulgator, homogenizator Pompy dozującePompy wirnikoweStacje kanalizacyjnePompy wspornikowePompa krzywkowaPompy membranowePompy pneumatyczne zatapialne membranowePompy wielostopniowePompy monoblokowe z żeliwaPompy silnikoweMembrana silnika pompyPompa Ex ATEXPompa napędzana przez wał odbioru mocy ciągnikaPompy z podwójnym wlotemPompy InlinePompy bezdławnicowePompy osiowePompy perystaltycznePompy rotacyjne łopatkowePompy tłokowePółzanurzalne pompy kałowe, drenażoweZatapialne pompy drenażowe i kałoweZatapialne pompy szlamowePompy tłokowePompy rolkowe Pompy samozasysającePompy sanitarne, higienicznePompy wiertniczeDozownik pompy elektromagnetycznejWodociągi i stacje gaśniczeChemiczne Pompy MagnetycznePompy odśrodkowePompy zębatePompy przemysłowy perystaltyczne z wężem
- Pompy zębate
- Pompa zębata do asfaltu EMSE EDP-I 3 cal, 16,2-31,9 m3/h z przekładnią wewnętrzną, bez silnika
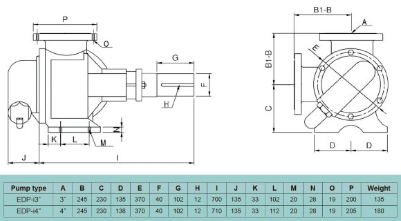
Pompa zębata do asfaltu EMSE EDP-I 3 cal, 16,2-31,9 m3/h z przekładnią wewnętrzną, bez silnika
Kupuj również z tym produktem
Dokumentacja
Pobierz instrukcje, katalog dla Pompa zębata do asfaltu EMSE EDP-I 3 cal, 16,2-31,9 m3/h z przekładnią wewnętrzną, bez silnika
Przegląd

Dzięki dużemu skokowi i luzowi międzyzębnemu, pompy zębate EMSE z serii EDP-I mogą pompować lepkie ciecze, takie jak melasa, czekolada, asfalt, olej, produkty ropopochodne, farby, kleje, oleje roślinne, mydło, paliwa, farmaceutyki, chemikalia, żywność, tworzywa sztuczne i produkty gumowe oraz inne wysoce lepkie ciecze do ciśnienia 14-15 barów. Dzięki przepływowi objętościowemu wysokie ciśnienie można osiągnąć nawet przy niskich prędkościach.
Zasada działania: Wewnętrzne pompy zębate są używane do pompowania cieczy o wysokiej lepkości. Ten typ pompy składa się z koła zębatego napędzającego na zewnątrz i koła zębatego napędzanego w pozycji mimośrodowej. Dzięki prostej konstrukcji jest to trwała i łatwa w konserwacji pompa. Koło zębate napędzające (wirnik) jest podłączone do silnika i styka się z kołem zębatym napędzającym od wewnątrz. W pompie wyporowej z wewnętrznym zazębieniem podciśnienie jest wytwarzane po stronie ssawnej przez rozszerzanie się objętości między kołami zębatymi. Ciecz wypełniająca obudowę pompy znajduje się pod ciśnieniem w wyniku zwężenia szczeliny między kołami zębatymi i przemieszcza się w kierunku wylotu pompy.
Pompa jest dostępna w wersjach wykonanych z różnych materiałów:
Obudowy: żeliwo, żeliwo sferoidalne
Koła zębate: żeliwo sferoidalne, stal
Wały: stal
Tuleja: brąz, grafit
Charakterystyka
| Zakres ciśnienia, bar | 2-10 |
| Typ zazębienia przekładni | wewnętrzny |
| Producent | EMSE |
| Wydajność, m3/godz | 31.9 |
| Moc, kW | 15 |
| Materiał | Żeliwo |
| Średnica króćca wlotowego | 3" |
| Średnica króćca wylotowego | 3" |
| Prędkość obrotowa, obr/min | 400 |
| Wydajność (max), m3/godz | 31.9 |
| Temperatura pracy | -10°C +110°C |
| Materiał obudowy | Żeliwo |
| Seria pomp | EDP-I |
| Kraj pochodzenia | Turcja |
| Typ Pompy | Przekładniowy |
| Rodzaj instalacji | Poziomy |
| Dane logistyczne: | |
| Waga, kg | 135 |



































































































































































