Katalog
 Uszczelnienia mechaniczne
Uszczelnienia mechaniczneWięcej kategorii
- Główna
- Pompy przemysłowe
- Pompy według typuPompy beczkowe Pompy próżniowePionowe pompy półzanurzeniowePompy śrubowe ślimakowePompy wirowePompy hermetyczneDyspergator-emulgator, homogenizator Pompy dozującePompy wirnikoweStacje kanalizacyjnePompy wspornikowePompa krzywkowaPompy membranowePompy pneumatyczne zatapialne membranowePompy wielostopniowePompy monoblokowe z żeliwaPompy silnikoweMembrana silnika pompyPompa Ex ATEXPompa napędzana przez wał odbioru mocy ciągnikaPompy z podwójnym wlotemPompy InlinePompy bezdławnicowePompy osiowePompy perystaltycznePompy rotacyjne łopatkowePompy tłokowePółzanurzalne pompy kałowe, drenażoweZatapialne pompy drenażowe i kałoweZatapialne pompy szlamowePompy tłokowePompy rolkowe Pompy samozasysającePompy sanitarne, higienicznePompy wiertniczeDozownik pompy elektromagnetycznejWodociągi i stacje gaśniczeChemiczne Pompy MagnetycznePompy odśrodkowePompy zębatePompy przemysłowy perystaltyczne z wężem
- Pompy zębate
- Pompa zębata do detergentów Kupar KIPK 3/8 cala, 0,012-0,175 m3/h
Pompa zębata do detergentów Kupar KIPK 3/8 cala, 0,012-0,175 m3/h
Kupuj również z tym produktem
Dokumentacja
Pobierz instrukcje, katalog dla Pompa zębata do detergentów Kupar KIPK 3/8 cala, 0,012-0,175 m3/h
Przegląd

Najważniejszym kryterium przy wyborze rodzaju pomp zębatych jest lepkość produktu.
Główne kryteria wyboru pompy zębatej:
- Typ Pompy: podstawową zasadą jest to, że zewnętrzne sprzężenie kół zębatych jest stosowane w przypadku płynów o stosunkowo niskiej lepkości, a wewnętrzne w przypadku płynów o wysokiej lepkości.
- rozmiar króćców: rozmiar króćców i łączonych rurociągów jest również związany z lepkością produktu. Wybierając rodzaj pompy i projektując system rurociągów, należy dokładnie obliczyć średnice rurociągów w celu osiągnięcia optymalnego natężenia przepływu dla cieczy o danej lepkości.
W takim przypadku ważna jest bezpośrednia zależność - w przypadku płynów o większej lepkości należy stosować rury o większej średnicy.
- prędkość obrotowa pompy: maksymalna prędkość dla pomp zębatych wynosi 1500 obr. / min. Zmniejsza się wraz ze wzrostem lepkości. Wysokie prędkości należy wybrać dla niskiej lepkości, niskie prędkości dla wysokiej lepkości.
Bezpośrednie sprzęgło z silnikiem elektrycznym jest stosowane przy 1000 i 1500 obr. / min. Dla 500 obr. / min. i poniżej-sprzęgło z silnikiem elektrycznym odbywa się za pomocą skrzyni biegów lub przekładni pasowej klinowej.
- tolerancje robocze: szczeliny robocze są instalowane podczas produkcji pompy, niektóre szczeliny są regulowane podczas montażu pompy, zgodnie z zakresami lepkości.
Aby przepompować określony rodzaj cieczy, należy użyć pompy z odpowiednimi szczelinami roboczymi, w przeciwnym razie pompa może pracować z niższym ciśnieniem lub całkowicie się zatrzymać.
Charakterystyka
| Natężenie przepływu, l/obr | 0,002 | 
| Zakres ciśnienia, bar | 1-14 | 
| Typ zazębienia przekładni | wewnętrzny | 
| Producent | KUPAR | 
| Wydajność, m3/godz | 0.175 | 
| Moc, kW | 0,18 | 
| Materiał | Żeliwo | 
| Średnica króćca wlotowego | 3/8" | 
| Średnica króćca wylotowego | 3/8" | 
| Prędkość obrotowa, obr/min | 1 500 | 
| Wydajność (max), m3/godz | 0.175 | 
| Temperatura pracy | 20°C +200°C | 
| Maksymalna lepkość, cPs | 25 000 | 
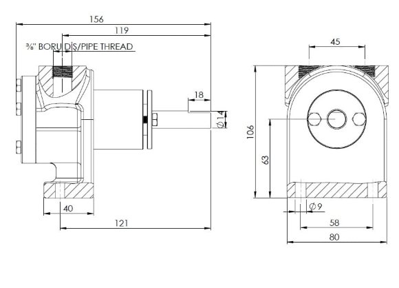
| Wymiary, mm | 156x106x80 | 
| Materiał obudowy | Żeliwo | 
| Seria pomp | KIPK | 
| Kraj pochodzenia | Turcja | 
| Typ Pompy | Przekładniowy | 
| Rodzaj instalacji | Poziomy | 
| Dane logistyczne: | |
| Waga, kg | 3 | 
Kategorie:Pompy zębatePompa do płynnego szkłaPompa do ryb i owoce morzaPompa syropuPompa do smietanyPompa do emulsji i zawieszeniaPompa przypraw i soliPompy do winaPompy do glicerynyPompy do lodówPompy do oleju roślinnegoPompy spożywcze
Produkty z tej samej kategorii
1040145
Pod zamówienia

























































































































































 
             
            























