Katalog
Więcej kategorii
- Główna
- Pompy przemysłowe
- Pompy według typuPompy beczkowe Pompy próżniowePionowe pompy półzanurzeniowePompy śrubowe ślimakowePompy wirowePompy hermetyczneDyspergator-emulgator, homogenizator Pompy dozującePompy wirnikoweStacje kanalizacyjnePompy wspornikowePompa krzywkowaPompy membranowePompy pneumatyczne zatapialne membranowePompy wielostopniowePompy monoblokowe z żeliwaPompy silnikoweMembrana silnika pompyPompa Ex ATEXPompa napędzana przez wał odbioru mocy ciągnikaPompy z podwójnym wlotemPompy InlinePompy bezdławnicowePompy osiowePompy perystaltycznePompy rotacyjne łopatkowePompy tłokowePółzanurzalne pompy kałowe, drenażoweZatapialne pompy drenażowe i kałoweZatapialne pompy szlamowePompy tłokowePompy rolkowe Pompy samozasysającePompy sanitarne, higienicznePompy wiertniczeDozownik pompy elektromagnetycznejWodociągi i stacje gaśniczeChemiczne Pompy MagnetycznePompy odśrodkowePompy zębatePompy przemysłowy perystaltyczne z wężem
- Pompy zębate
- Pompa zębata ze stali nierdzewnej Kupar KHP 1/2 in-C, AISI 316, 0,19-0,5 m3/h
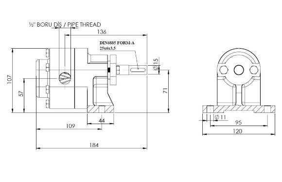
Pompa zębata ze stali nierdzewnej Kupar KHP 1/2 in-C, AISI 316, 0,19-0,5 m3/h
Kupuj również z tym produktem
Dokumentacja
Pobierz instrukcje, katalog dla Pompa zębata ze stali nierdzewnej Kupar KHP 1/2 in-C, AISI 316, 0,19-0,5 m3/h
Przegląd

Najważniejszym kryterium przy wyborze rodzaju pomp zębatych jest lepkość produktu.
Główne kryteria wyboru pompy zębatej:
- Typ Pompy: podstawową zasadą jest to, że zewnętrzne sprzężenie kół zębatych jest stosowane w przypadku płynów o stosunkowo niskiej lepkości, a wewnętrzne w przypadku płynów o wysokiej lepkości.
- rozmiar króćców: rozmiar króćców i łączonych rurociągów jest również związany z lepkością produktu. Wybierając rodzaj pompy i projektując system rurociągów, należy dokładnie obliczyć średnice rurociągów w celu osiągnięcia optymalnego natężenia przepływu dla cieczy o danej lepkości.
W takim przypadku ważna jest bezpośrednia zależność - w przypadku płynów o większej lepkości należy stosować rury o większej średnicy.
- prędkość obrotowa pompy: maksymalna prędkość dla pomp zębatych wynosi 1500 obr. / min. Zmniejsza się wraz ze wzrostem lepkości. Wysokie prędkości należy wybrać dla niskiej lepkości, niskie prędkości dla wysokiej lepkości.
Bezpośrednie sprzęgło z silnikiem elektrycznym jest stosowane przy 1000 i 1500 obr. / min. Dla 500 obr. / min. i poniżej-sprzęgło z silnikiem elektrycznym odbywa się za pomocą skrzyni biegów lub przekładni pasowej klinowej.
- tolerancje robocze: szczeliny robocze są instalowane podczas produkcji pompy, niektóre szczeliny są regulowane podczas montażu pompy, zgodnie z zakresami lepkości.
Aby przepompować określony rodzaj cieczy, należy użyć pompy z odpowiednimi szczelinami roboczymi, w przeciwnym razie pompa może pracować z niższym ciśnieniem lub całkowicie się zatrzymać.
Charakterystyka
| Natężenie przepływu, l/obr | 0,06 |
| Zakres ciśnienia, bar | 2-14 |
| Typ zazębienia przekładni | zewnętrzny |
| Producent | KUPAR |
| Wydajność, m3/godz | 0.54 |
| Moc, kW | 0,55 |
| Materiał | AISI 316 stal nierdzewna |
| Średnica króćca wlotowego | 1/2" |
| Średnica króćca wylotowego | 1/2" |
| Prędkość obrotowa, obr/min | 1 500 |
| Wydajność (max), m3/godz | 0.54 |
| Temperatura pracy | 20°C +200°C |
| Maksymalna lepkość, cPs | 25 000 |
| Wymiary, mm | 184x120x107 |
| Materiał obudowy | AISI 316 stal nierdzewna |
| Seria pomp | KHP |
| Kraj pochodzenia | Turcja |
| Typ Pompy | Przekładniowy |
| Rodzaj instalacji | Poziomy |
| Dane logistyczne: | |
| Waga, kg | 5,5 |
Kategorie:Pompy zębatePompa do płynnego szkłaPompa syropuPompa do smietanyPompa do emulsji i zawieszeniaPompa przypraw i soliPompy do glicerynyPompy do lodówPompy do oleju roślinnegoPompy zębate ze stali nierdzewnejPompy spożywcze
Produkty z tej samej kategorii
1040494
Pod zamówienia

































































































































































