Katalog
Więcej kategorii
- Główna
- Pompy przemysłowe
- Pompy według typuPompy beczkowe Pompy próżniowePionowe pompy półzanurzeniowePompy śrubowe ślimakowePompy wirowePompy hermetyczneDyspergator-emulgator, homogenizator Pompy dozującePompy wirnikoweStacje kanalizacyjnePompy wspornikowePompa krzywkowaPompy membranowePompy pneumatyczne zatapialne membranowePompy wielostopniowePompy monoblokowe z żeliwaPompy silnikoweMembrana silnika pompyPompa Ex ATEXPompa napędzana przez wał odbioru mocy ciągnikaPompy z podwójnym wlotemPompy InlinePompy bezdławnicowePompy osiowePompy perystaltycznePompy rotacyjne łopatkowePompy tłokowePółzanurzalne pompy kałowe, drenażoweZatapialne pompy drenażowe i kałoweZatapialne pompy szlamowePompy tłokowePompy rolkowe Pompy samozasysającePompy sanitarne, higienicznePompy wiertniczeDozownik pompy elektromagnetycznejWodociągi i stacje gaśniczeChemiczne Pompy MagnetycznePompy odśrodkowePompy zębatePompy przemysłowy perystaltyczne z wężem
- Chemiczne Pompy Magnetyczne
- pompa sprzęgła magnetycznego 06 DM PP, EPDM, 0,37 kW
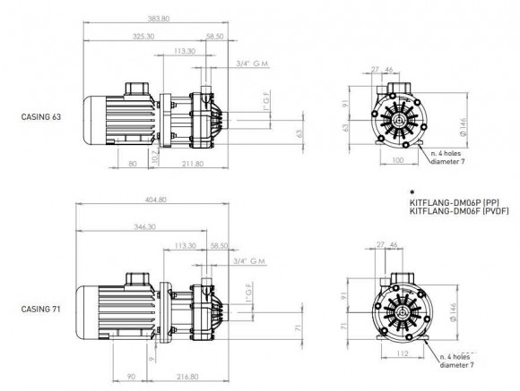
pompa sprzęgła magnetycznego 06 DM PP, EPDM, 0,37 kW
Kupuj również z tym produktem
Przegląd

DM konserwy pompy bez uszczelnień i sprzęgieł magnetycznych.
Pompy hermetyczne ze sprzęgłem magnetycznym używane do pompowania korozyjnych, toksycznych lub palnych cieczy, cieczy zawierających cząstki stałe.
Wiele magnesów napędza pompę ruchu magnes zewnętrzny znajdujący się na wale przenosi ruch na magnes osadzony w wewnętrznym wirnikiem, który jest hermetycznie izolowane. Wirnik jest zamocowany na wale pompy, a zatem, bez uszczelnienia, który zapobiega wyciekowi płynu pompowanego wskutek zużycia uszczelki. Głowica pompy składa się z kilku komponentów, upraszczając tym samym konserwację. Standardowe materiały wydajności pompy: polipropylen (PP) i polivinilindenftorid (PVDF).
Pompy te nie mogą pracować „na sucho”. Pompowanie cieczy zanieczyszczonych prowadzi do zmniejszenia żywotności pompy.
Charakterystyka
| Producent | DEBEM |
| Wydajność, m3/godz | 6.5 |
| Wysokość podnoszenia, m.w.St | 8.5 |
| Moc, kW | 0,37 |
| Materiał | PP |
| Średnica króćca wlotowego | 1" |
| Średnica króćca wylotowego | 3/4" |
| Zasilanie | 3х380 V, 50 Hz |
| Wydajność (max), m3/godz | 6.5 |
| Model | DM06 |
| Temperatura (max), C | 65 |
| Maksymalna temperatura cieczy, °C | 65 |
| Średnica wirnika, mm | 81 |
| Maksymalna lepkość, cPs | 150 |
| Wysokość podnoszenia (max), m.w.St | 8.5 |
| Materiał części przepływowej | PP |
| Materiał pierścienia uszczelniającego | EPDM |
| Seria pomp | DM |
| Kraj pochodzenia | Włochy |
| Typ Pompy | Ze sprzęgłem magnetycznym |
| Typ napędu | Elektryczny |
| Dostępność części zamiennych | Tak |
| Dane logistyczne: |
Kategorie:Chemiczne Pompy MagnetycznePompy hermetycznePompy odśrodkowePompa kwasu azotowegoPompy do kwasuPompy do ługuPompy kwasoodporne do cieczy agresywnychPompa do cieczy korozyjnych, pompa kwasowaPompy do galwanizacjiPompy z napędem magnetycznym DM
Video pompa sprzęgła magnetycznego 06 DM PP, EPDM, 0,37 kW
Produkty z tej samej kategorii
DM30P-SD1NE090
Pod zamówienia
DM30FC-SV1NE090
Pod zamówienia





























































































































































