Katalog
 Uszczelnienia mechaniczne
Uszczelnienia mechaniczneWięcej kategorii
- Główna
- Pompy przemysłowe
- Pompy według typuPompy beczkowe Pompy próżniowePionowe pompy półzanurzeniowePompy śrubowe ślimakowePompy wirowePompy hermetyczneDyspergator-emulgator, homogenizator Pompy dozującePompy wirnikoweStacje kanalizacyjnePompy wspornikowePompa krzywkowaPompy membranowePompy pneumatyczne zatapialne membranowePompy wielostopniowePompy monoblokowe z żeliwaPompy silnikoweMembrana silnika pompyPompa Ex ATEXPompa napędzana przez wał odbioru mocy ciągnikaPompy z podwójnym wlotemPompy InlinePompy bezdławnicowePompy osiowePompy perystaltycznePompy rotacyjne łopatkowePompy tłokowePółzanurzalne pompy kałowe, drenażoweZatapialne pompy drenażowe i kałoweZatapialne pompy szlamowePompy tłokowePompy rolkowe Pompy samozasysającePompy sanitarne, higienicznePompy wiertniczeDozownik pompy elektromagnetycznejWodociągi i stacje gaśniczeChemiczne Pompy MagnetycznePompy odśrodkowePompy zębatePompy przemysłowy perystaltyczne z wężem
- Pompy perystaltyczne
- Przemysłowa pompa wężowa JXHIN-10-SS-NR-P, 57 l/h, 0,37 kW, 10 bar, 380V
Przemysłowa pompa wężowa JXHIN-10-SS-NR-P, 57 l/h, 0,37 kW, 10 bar, 380V
Kupuj również z tym produktem
Dokumentacja
Pobierz instrukcje, katalog dla Przemysłowa pompa wężowa JXHIN-10-SS-NR-P, 57 l/h, 0,37 kW, 10 bar, 380V
Przegląd

Przemysłowa pompa wężowa serii JXHIN jest używana do pompowania szlamów ściernych, żrących kwasów, dużych ciał stałych, mieszanin gaz-ciecz i cieczy o wysokiej lepkości.
Charakterystyka wężowej pompy perystaltycznej: rozruch na sucho bez uszkodzeń, szczelność, brak uszczelek, zaworów, membran itp.
Stabilny przepływ, dokładny i powtarzalny pomiar. Dokładność ± 1%.
Brak urządzeń pomocniczych, zaworów zwrotnych lub systemów płukania wodą. Odwracalne działanie, cząsteczki mogą bezpiecznie opuścić rurę ssącą lub tłoczną.
Minimalna konserwacja - wystarczy wymienić wąż.
Charakterystyka
| Producent | BTS Engineering | 
| Wydajność, m3/godz | 0.057 | 
| Wysokość podnoszenia, m.w.St | 100 | 
| Moc, kW | 0,37 | 
| Materiał | AISI stal nierdzewna | 
| Średnica króćca wlotowego | 3/8" | 
| Średnica króćca wylotowego | 3/8" | 
| Prędkość obrotowa, obr/min | 43 | 
| Zasilanie | 3х380 V, 50 Hz | 
| Wydajność (max), m3/godz | 0.16 | 
| Temperatura (max), C | 80 | 
| Wydajność (nom), m3/godz | 0.057 | 
| Wydajność, l/godz | 57 | 
| Maksymalna średnica wtrąceń stałych, mm | 1,5 | 
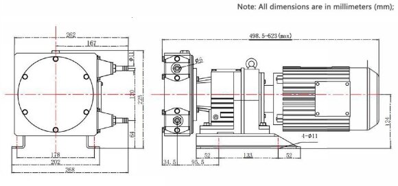
| Wymiary, mm | 623x268x225 | 
| Wysokość ssania na sucho (max), m.wod.St | 9,5 | 
| Wysokość podnoszenia (max), m.w.St | 100 | 
| Ciśnienie, bar | 10 | 
| Materiał obudowy | AISI stal nierdzewna | 
| Materiał wykonania węża roboczego | NR | 
| Seria pomp | JXHIN | 
| Kraj pochodzenia | Chiny | 
| Typ Pompy | Perystaltyczny | 
| Typ napędu | Elektryczny | 
| Dane logistyczne: | |
| Waga, kg | 27 | 
Kategorie:Pompy perystaltycznePompy przemysłowy perystaltyczne z wężem
Produkty z tej samej kategorii
1042999
Pod zamówienia
1043000
Pod zamówienia
1043001
Pod zamówienia



















































































































































 
             
            























