Katalog
Więcej kategorii
- Główna
- Pompy przemysłowe
- Pompy według typuPompy beczkowe Pompy próżniowePionowe pompy półzanurzeniowePompy śrubowe ślimakowePompy wirowePompy hermetyczneDyspergator-emulgator, homogenizator Pompy dozującePompy wirnikoweStacje kanalizacyjnePompy wspornikowePompa krzywkowaPompy membranowePompy pneumatyczne zatapialne membranowePompy wielostopniowePompy monoblokowe z żeliwaPompy silnikoweMembrana silnika pompyPompa Ex ATEXPompa napędzana przez wał odbioru mocy ciągnikaPompy z podwójnym wlotemPompy InlinePompy bezdławnicowePompy osiowePompy perystaltycznePompy rotacyjne łopatkowePompy tłokowePółzanurzalne pompy kałowe, drenażoweZatapialne pompy drenażowe i kałoweZatapialne pompy szlamowePompy tłokowePompy rolkowe Pompy samozasysającePompy sanitarne, higienicznePompy wiertniczeDozownik pompy elektromagnetycznejWodociągi i stacje gaśniczeChemiczne Pompy MagnetycznePompy odśrodkowePompy zębatePompy przemysłowy perystaltyczne z wężem
- Pionowe pompy półzanurzeniowe
- Pompa chemiczna QHA-50SK-10, PP, 7,5kW, 1006L/min, 32m
Pompa chemiczna QHA-50SK-10, PP, 7,5kW, 1006L/min, 32m
Kupuj również z tym produktem
Dokumentacja
Pobierz instrukcje, katalog dla Pompa chemiczna QHA-50SK-10, PP, 7,5kW, 1006L/min, 32m
Przegląd

Pompy do galwanizacji, elektrolitów, kwasów, zasad, instalacji półzanurzalnych lub zewnętrznych, elektrolitu, przygotowania SIP (SIP), cieczy agresywnych - mają również szerokie zastosowanie w instalacjach do filtracji, oczyszczania reaktywnych kwasów, zasad. Pionowa pompa odśrodkowa QHA. Materiał: PP to kopolimer blokowy propylenu i etylenu o bardzo wysokiej zawartości polietylenu. Instalacja pompy - półzanurzalna, instalacja na zewnątrz. Pompę półzanurzalną można zainstalować na zewnątrz lub w dogodnym miejscu, co umożliwia zapewnienie systemu zasilania filtracją o kompaktowych wymiarach, wygodnej konserwacji i kontroli. W zależności od wymagań technologii, materiały pompy prezentowane są w różnych opcjach doboru. - przedłużona gwarancja - serwis i dostawa części zamiennych. Kontroluj temperaturę podczas mieszania płynów chemicznych, aby zapobiec uszkodzeniu pompy.
Charakterystyka
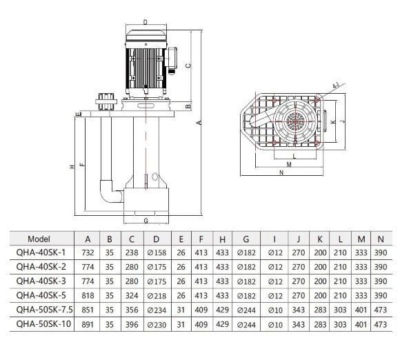
| Producent | Qeehua |
| Wydajność, m3/godz | 60.36 |
| Wysokość podnoszenia, m.w.St | 32 |
| Moc, kW | 7,5 |
| Materiał | PP |
| Średnica króćca wlotowego | 65 mm |
| Średnica króćca wylotowego | 50 mm |
| Zasilanie | 3х380 V, 50 Hz |
| Wydajność (max), m3/godz | 60.36 |
| Temperatura (max), C | 70 |
| Wydajność, l/min | 1006 |
| Wymiary, mm | 473x343x891 |
| Wysokość podnoszenia (max), m.w.St | 32 |
| Długość części zanurzeniowej | 429 |
| Seria pomp | QHA |
| Typ Pompy | Półprodukty |
| Typ napędu | Elektryczny |
| Rodzaj instalacji | Pionowy |
| Typ sprzętu | z silnikiem |
| Dane logistyczne: | |
| Waga, kg | 63 |
Kategorie:Pionowe pompy półzanurzeniowePompy do kwasuPompy chemicznePompy do galwanizacjiPółzanurzalne pionowe pompy chemiczne serii QP, QHD, QHA































































































































































