Katalog
Więcej kategorii
- Główna
- Miksery i mieszadła
- Mieszadła niskoobrotowe
- Mikser elektryczny AQUA AG1-PVC90/S, 220V, 70 RPM, ADAG1P09S
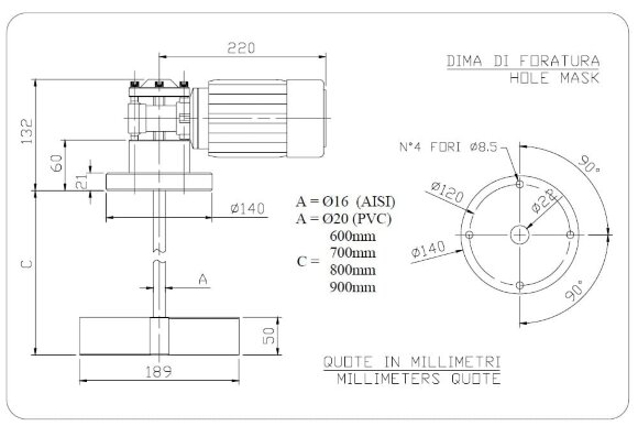
Mikser elektryczny AQUA AG1-PVC90/S, 220V, 70 RPM, ADAG1P09S
Dokumentacja
Pobierz instrukcje, katalog dla Mikser elektryczny AQUA AG1-PVC90/S, 220V, 70 RPM, ADAG1P09S
Przegląd

Mieszadło elektryczne włoskiej firmy AQUA służy do mieszania odczynników chemicznych (roztwory kwasów i zasad) w zbiornikach. Przeznaczone są do montażu na zbiorniku roboczym w celu przygotowania i utrzymania odczynników chemicznych w stanie odpowiednim do pompowania za pomocą pomp. Pojemniki są mocowane od góry. Ten model jest przeznaczony do mieszania przy niskich prędkościach. Wykonanie silnika elektrycznego jest jednofazowe. Nadaje się do wszystkich typów pomp dozujących. Do tego mieszalnika pasuje zbiornik Aqua A-TANK-10 o pojemności 10 000 litrów.
Charakterystyka
| Producent | AQUA |
| Moc, kW | 0,089 |
| Materiał | PVC |
| Prędkość obrotowa, obr/min | 70 |
| Zasilanie | 1х220 V, 50 Hz |
| Średnica wirnika, mm | 189 |
| Długość, mm | 900 |
| Seria mikserów | AG-S |
| Kraj pochodzenia | Włochy |
| Zastosowanie | zawieszenie, podniecenie, mleko wapienne, rozpuszczenie, rozwiązania, odczynniki i emulsje do celów homogenizacji, dezorientacja, Sól, zawieszenie, zawieszenia |
| Alternatywa | FLUIMAC, AGF, Emec, FWT, Grundfos, Inoxpa, Jesco Pump, Lightnin, ProMinent, SULZER, Tapflo |
| Dane logistyczne: | |
| Waga Brutto, kg | 7 |
| Długość opakowania transportowego, cm | 21 |
| Szerokość opakowania transportowego, cm | 123 |
| Wysokość opakowania transportowego, cm | 21 |













































































































































