Katalog
Więcej kategorii
- Główna
- Zawory odcinające
- Zawory tarczowe
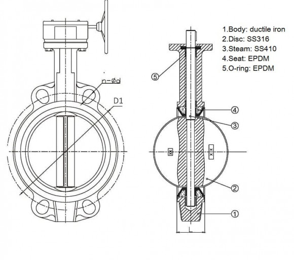
- PN16 DN50 Zawór motylkowy, korpus żeliwny, dysk AISI 316, Seat EPDM
PN16 DN50 Zawór motylkowy, korpus żeliwny, dysk AISI 316, Seat EPDM
Dokumentacja
Pobierz instrukcje, katalog dla PN16 DN50 Zawór motylkowy, korpus żeliwny, dysk AISI 316, Seat EPDM
Przegląd

Zawory obrotowe tarczowe stosowane są w przemyśle, produkcji. Urządzenia stosowane są na rurociągach o dużej średnicy rur transportujących medium pod niskim ciśnieniem i małym przepływem. Dyski zaworów odcinających w zależności od modelu mogą być wykonane z żeliwo, stal nierdzewna lub stal stopowa.
Zatrzaski motylkowe mają uniwersalne zastosowanie.
Zalety zaworów obrotowych tarczowych:
- kompaktowe wymiary;
- niewielka waga;
- klasa szczelności A;
- minimalne straty hydrauliczne;
- prosta instalacja, konserwacja, obsługa;
- odporne na zużycie materiały antykorozyjne.
Zastosowanie przepustnic zmniejsza koszty instalacji, minimalizuje opory hydrauliczne oraz pozwala skutecznie regulować przepływy w głównych układach.
Charakterystyka
| Średnica przyłącza, DN | 50 |
| Producent | BTS Engineering |
| Ciśnienie nominalne, Mpa | 1,6 |
| Typ połączenia | międzykołnierzowy |
| Temperatura pracy | 0°C + 120°C |
| Materiał obudowy | Żeliwo |
| Materiał uszczelniający | EPDM |
| Materiał dysku | AISI 316 stal nierdzewna |
| Kraj pochodzenia | Chiny |
| Środowisko pracy | woda, powietrze, płyny, gęste i lepkie ciecze, środowisko nie powodujące korozji |
| Dane logistyczne: |







































































































































