Katalog
Więcej kategorii
- Główna
- Części zamienne do pomp przemysłowychCzęści i akcesoria DrenoCzęści i akcesoria RoverCzęści zamienne do pomp AlphaDynamicCzęści zamienne do pomp ALUNAKCzęści zamienne do pomp BTSCzęści zamienne do pomp DebemCzęści zamienne do pomp DiaPumpCzęści zamienne do pomp DICKOWCzęści zamienne do pomp EbaraCzęści zamienne do pomp EklerCzęści zamienne do pomp ErduroCzęści zamienne do pomp ETATRON D.S.Części zamienne do pomp FerroniCzęści zamienne do pomp FLOWSERVECzęści zamienne do pomp FLUIMACCzęści zamienne do pomp HERMETICCzęści zamienne do pomp KSBCzęści zamienne do pomp LEWACzęści zamienne do pomp MILTON ROYCzęści zamienne do pomp ProMinentCzęści zamienne do pomp RuhrpumpenCzęści zamienne do pomp SULZERCzęści zamienne do pomp WarmanCzęści do pomp próżniowychCzęści i akcesoria do pomp beczkowychSilniki elektryczne do pomp
- Części i akcesoria Dreno
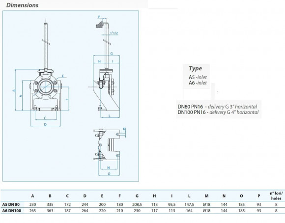
- Sprzęgło automatyczne Dreno Typ A5
Sprzęgło automatyczne Dreno Typ A5
Dokumentacja
Pobierz instrukcje, katalog dla Sprzęgło automatyczne Dreno Typ A5
Przegląd
Charakterystyka
| Producent | Dreno |
| Materiał | Żeliwo |
| Średnica króćca wlotowego | DN80 |
| Średnica króćca wylotowego | DN80 |
| Maksymalna średnica wtrąceń stałych, mm | 80 |
| Rodzaj części | Sprzęganie |
| Kraj pochodzenia | Włochy |
| Dane logistyczne: |








































































































































