Katalog
Więcej kategorii
- Główna
- Części zamienne do pomp przemysłowychCzęści i akcesoria DrenoCzęści i akcesoria RoverCzęści zamienne do pomp AlphaDynamicCzęści zamienne do pomp ALUNAKCzęści zamienne do pomp BTSCzęści zamienne do pomp DebemCzęści zamienne do pomp DiaPumpCzęści zamienne do pomp DICKOWCzęści zamienne do pomp EbaraCzęści zamienne do pomp EklerCzęści zamienne do pomp ErduroCzęści zamienne do pomp ETATRON D.S.Części zamienne do pomp FerroniCzęści zamienne do pomp FLOWSERVECzęści zamienne do pomp FLUIMACCzęści zamienne do pomp HERMETICCzęści zamienne do pomp KSBCzęści zamienne do pomp LEWACzęści zamienne do pomp MILTON ROYCzęści zamienne do pomp ProMinentCzęści zamienne do pomp RuhrpumpenCzęści zamienne do pomp SULZERCzęści zamienne do pomp WarmanCzęści do pomp próżniowychCzęści i akcesoria do pomp beczkowychSilniki elektryczne do pomp
- Części zamienne do pomp BTS
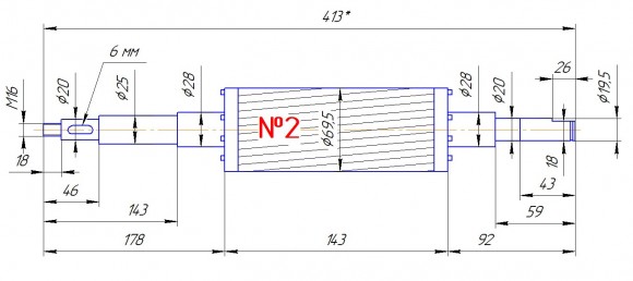
- Wirnik silnika №2
Wirnik silnika №2
Przegląd

Wirnik silnika. Możesz kupić części zamienne do pomp, składając zamówienie w naszym sklepie internetowym za pomocą prostego formularza. Jeśli masz jakieś pytania, możesz zadzwonić pod podane numery telefonów lub zamówić oddzwonienie. Specjaliści naszego sklepu internetowego doradzą i pomogą dokonać właściwego wyboru.
Charakterystyka
| Producent | BTS Engineering |
| Rodzaj części | Wał |
| Kraj pochodzenia | Chiny |
| Dane logistyczne: |







































































































































