Katalog
Więcej kategorii
- Główna
- Uszczelnienia mechaniczneUszczelnienia mechaniczne sklep w PolsceUszczelnienie mechaniczne pompyUszczelnienia mechaniczne według marekUszczelnienia mechaniczne mieszadeł, lejów i przenośnikówNaprawa uszczelnień mechanicznych, par ciernychProdukcja mankietów, pierścieni, uszczelek olejowychProdukcja detali z węglika krzemu, krzemianu cyrkonuIzolator Ochrona łożyska Bearing defender isolator
- Uszczelnienia mechaniczne sklep w PolsceR-101R-102R-102UR-103/R-103AR-104/R-104АR-108R-108UR-109/R-8UR-109B/R-8BR-10T/R-10RR-110R-112R-113R-120/R-120PR-120WR-124R-125R-128/R-128PR-152 (T/R)R-1527R-156R-1577R-16R-202/R-208R-21R-2100R-21UKR-260TSR-31K/R-31UR-4701R-4702R-502BR-560AR-560CR-58B/59BR-58U/59UR-58VR-6R-609/R-650R-680R-6AR-6BR-6BGR-6CR-6CF-16R-6CH-16R-6CK-16R-6SB/R-SBR-706AR-706BR-706CR-706DR-706ER-706FR-706H(CR)R-706KR-706LR-706SER-706SO/706SSOR-706SPR-706SSR-7K/R-7K-UR-802R-877/R-877-UR-960R-AL.FMR-AL.LKHdR-AL.LKHfR-AL.LKHsR-AL.SRR-APV-01R-B151R-BEDR-BIAR-BL-28/R-BU-28R-BT-ARR-BT-FNR-BT-FN.NUR-BT-RNR-BT-RN3/R-BT-RN3.NUR-CARTEX(DN)R-CARTEX(SN)R-ConvertorR-CSMR-CURCR-D-15R-DJR-E5K-UR-EL-22/R-EU-22R-FL-22/R-FU-22R-FL.58URR-FL.AL-20/R-FL.AU-20R-FL.NLR-FL.NUR-FL.OLR-FL.OUR-FL.XAR-FL.XER-FL.СR-FRR-GEAR-GL-20/R-GU-20R-GTZR-H12NR-H75R-H7NR-HG202R-HG204/R-HG204BR-HG212R-HJ92N/R-HJ97R-HL-20/R-GU-20R-HLGR-HLG1R-HRNR-Il-28/R-IU-28R-ISC2-PXR-J580R-JB103R-JB104R-JL-25/R-JU-25R-KL-35/R-KU-35R-LL-35/R-KU-35R-LPSR-LWR-LWRR-M010DR-M07R-M2NR-M3.ALWR-M3NR-M481KL-DR-M74DR-M7N/M74NR-MFL WT80R-MFL85NR-MFLC12R-MG1R-MG12R-MG13R-MG1S20R-MG1S6R-MG9R-ML-35/R-MU-35R-MR35L-DR-MSR-RBR-SE1F-APR-T1/R-FBCR-T2/R-FBDR-TSWER-W01R-W011R-WB2R-WB3R-XBR-ZF
- R-ZF
- Uszczelnienie kasetowe R-ZF 70, SIC/SIC, VITON, 304
Uszczelnienie kasetowe R-ZF 70, SIC/SIC, VITON, 304
Dokumentacja
Pobierz instrukcje, katalog dla Uszczelnienie kasetowe R-ZF 70, SIC/SIC, VITON, 304
Przegląd

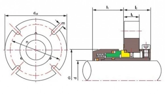
Uszczelnienie kasetowe R-ZF to seria pojedynczych uszczelnień, które nie wymagają zewnętrznego chłodzenia. Uszczelka nie posiada ruchomych części na wale, dzięki czemu może być montowana bezpośrednio na wale bez dodatkowej tulei. Sprężyny są niezawodnie izolowane od produktu, co zapobiega zapychaniu się. R-ZF to niezawodne, ekonomiczne i trwałe uszczelnienie przeznaczone dla przemysłu papierniczego.
Zastosowanie: Nadaje się do skanowania Ahlstrom/APP/Sulzer/ABS bez dodatkowej modyfikacji pompy
35 mm –Sulzer 1, 38 mm – ABS Scan 1, 40 mm– Sulzer 2, 45 mm – Sulzer 2, 48 mm- ABS Scan 2, 50 mm - Sulzer 3, 50 mm – KEST H, 55 mm - Sulzer 3, 60 mm - Sulzer 4, 60 mm - KEST L, 65 mm - Sulzer 4, 65 mm - ABS Scan 3, 70 mm - KEST P, 75 mm - ABS Scan 4, 80 mm - Sulzer 5, 85 mm - Sulzer 5, 85 mm - KEST R, 90 мм - Sulzer 6, 95 mm - Sulzer 6, 100 mm - ABS Scan 5.
Typ: Chesterton ZF (uszczelnienie Zero Flush)
Ciśnienie: ≤2 MPa
Prędkość: ≤25m/s
Temperatura: ≤ +260ºC
Pierścień obrotowy: SiC/Carbon/TC
Pierścień stacjonarny: SiC/TC
Uszczelnienia wtórne: VITON/Encapsulated Ring/PTFE
Charakterystyka
| Producent | BTS Engineering |
| Średnica wału | 70 |
| Materiał gumowy | VITON |
| Materiał par ciernych | SIC/SIC |
| Materiał części metalowych | 304 |
| Prędkość | 25 m/s |
| Ciśnienie | 2 MPa |
| Temperatura pracy | +260°C |
| Rodzaj uszczelnienia | R-ZF |
| Zastosowanie | ABS Scan, Ahlstrom, APP, KEST, Sulzer |
| Alternatywa | Chesterton ZF |
| Dane logistyczne: |













































































































































