Katalog
Mehr Kategorien
- Hauptsächlich
- Ingenieurleistungen und AusrüstungVakuumeindampfanlageDekanterzentrifugen, SeparatorenBrecher für die Zerkleinerung von Getreide für die Futtermittel-, Mehl- und EthanolproduktionKontroll- und Messgeräte, Sensoren, Durchflussmesser für die ProduktionsautomatisierungEntwurf, Bau einer Brennerei, DestillationsanlageSpiralwärmetauscher, rohrbündelwärmetauscherIndustrielle TrocknerFestbrennstoffkesselEnzyme, Alkohol Hefe, Antiseptika zur Herstellung von AlkoholEnergie-AuditDampfindustriekessel
- Entwurf, Bau einer Brennerei, Destillationsanlage
- Engineering-Dienstleistungen für den Bau einer Bioethanolanlage
Engineering-Dienstleistungen für den Bau einer Bioethanolanlage
Überblick

Alkohol, Bioethanol, Bau von Brennereien, Bioethanolanlagen, Anlagen zur Herstellung alternativer Kraftstoffe, Anlagen zur Herstellung von Ethanol, Auslegung von Brennereien, Auslegung von Anlagen zur Herstellung von Bioethanol.
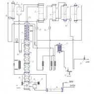
Unser Unternehmen bietet eine ganze Reihe von Arbeiten an der Planung und Inbetriebnahme von Anlagen zur Herstellung von alternativen Brennstoffen, insbesondere Bioethanol.
Wir haben Erfahrung in der Gestaltung von Fabriken mit einer Kapazität von 1000 bis 40.000 Dal pro Tag.
Mais, Weizen, Melasse und andere Arten von stärkehaltigen Rohstoffen können als Rohstoff für die Herstellung von Bioethanol fungieren.
BTS-ENGINEERING Rekonstruktion, sowie die Gestaltung von Fabriken in verschiedenen Größen und Spezialitäten nicht nur auf dem Territorium der Ukraine, sondern auch auf dem Territorium der GUS-Staaten, der Europäischen Union und Afrika.
BTS-ENGINEERING bietet seinen Kunden eine umfassende Überwachung und Umsetzung des gesamten schlüsselfertigen Projekts: von der Projektierungsphase bis zur Inbetriebnahme und anschließenden After-Sales-Service.
BTS-ENGINEERING bietet Baudienstleistungen "schlüsselfertig" folgenden Fabriken:
Alkoholische Betriebe
Biokraftstoff-Anlagen
BTS-ENGINEERING führt:
die Projektierung und die komplexe Projektierung des ganzen Objektes;
die Herstellung und Lieferung des gesamten Spektrums der notwendigen Ausrüstung;
die Automatisierung von Prozessen;
installation, Aufsicht des Autors, Inbetriebnahme und Schulung des Personals.
Dieser Ansatz gewährleistet die Umsetzung des Projekts in kürzerer Zeit, schnelle Lösung von Problemen und Fragen, die Möglichkeit der Herstellung von Geräten streng nach den spezifischen Anforderungen des Kunden, sowie andere wichtige Vorteile.
Basierend auf der fortschrittlichen wissenschaftlichen Forschung, dem Streben nach Innovation und fundiertem Wissen in der Alkoholindustrie, schaffen BTS-ENGINEERING-Spezialisten einzigartige persönliche Lösungen im Bereich des Aufbaus von Alkoholfabriken, die zum Geschäftserfolg unserer Kunden beitragen.
Eigenschaften
| Hersteller | BTS-Engineering |
| Typ | Service |
| Verbrauch von heißem Dampf, kg/Liter (6bar) | 2,5 - 4,0 |
| Stromverbrauch, kW/Liter | 0,5 |
| Artesisches Wasser, m3/Liter | 0,002 |
| Verbrauch von zirkulierendem Wasser, m3/Liter (am Ausgang des Kühlturms 20˚C) | 0,2 |
| Verbrauch fossiler Brennstoffe, nm3/Liter (am Beispiel Erdgas) | 0,2 - 0,32 |
| Rohes | Getreide, Melasse, Bach |
| Produktivität, Liter/Tag | 5000-100000 |
| Post-Alkohol-Verarbeitung Barden | Also |
| Das Vorhandensein von ACS TP | Also |
| Logistische Daten: |









































































































































