Katalog
Mehr Kategorien
- Hauptsächlich
- Industriepumpen
- Die Automatisierung und die Schilde der Verwaltung
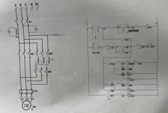
- Fernbedienungspanel für die Automatisierung der Pumpensteuerung, 15 kW
Fernbedienungspanel für die Automatisierung der Pumpensteuerung, 15 kW
Überblick

Das Bedienfeld ist so konzipiert, dass die Pumpenausrüstung jeder Art zuverlässig und störungsfrei funktioniert. Die elektrische» Füllung " der Fernbedienungen der Produktion BTS realisiert die folgenden Funktionen:
- sanftes Starten und Stoppen des Motors;
- kurzschluss-Schutz;
- phasenbruch schutz;
- überstromschutz. Das Bedienteil verfügt über zusätzliche Kontakte, mit denen andere Steuerelemente wie Schwimmerschalter, Füllstandssensor, Alarm, Drucksensor angeschlossen werden können. So können die Pumpenanlagen sowohl für industrielle als auch für häusliche Zwecke in den Bereichen Wasserversorgung, Abwasserentsorgung, Brandbekämpfung, Umwälzsysteme und viele andere Branchen automatisiert werden. Der Einsatzbereich des Steuergeräts ist nicht auf Pumpenausrüstung beschränkt, es kann für die Steuerung von asynchronen Elektromotoren mit einer Leistung von 1,5 bis 110 kW verwendet werden.
Eigenschaften
| Hersteller | BTS-Engineering |
| Leistung, kW | 15 |
| Logistische Daten: | |
| Gewicht, kg | 57 |
| Länge der Transportverpackung, cm | 45 |
| Breite der Transportverpackung, cm | 31 |
| Höhe der Transportverpackung, cm | 120 |















































































































































