Katalog
Mehr Kategorien
- Hauptsächlich
- Industriepumpen
- Pumpen nach TypFasspumpen VakuumpumpenVertikale HalbtauchpumpenSchraubenpumpenWirbelpumpenHermetische PumpenDispergiermittel-Emulgator, HomogenisatorDosierpumpenImpeller PumpenKanalisationsstationenAuslegerpumpenRotationspumpeMembranpumpenPneumatische Membran-TauchpumpenMehrstufige PumpenMonoblockpumpen aus GusseisenMotorpumpenMotormembranpumpenEx ATEX PumpeZapfwellenpumpeDoppelte EinlasspumpenInline-PumpenDrüsenlose PumpenAxialpumpenSchlauchpumpenDrehschieberpumpenKolbenpumpenHalbtauch-Fäkalien-EntwässerungspumpenTauchentwässerung und KotpumpenTauchschlammpumpenKolbenpumpenRollenpumpen Selbstansaugende PumpenHygienepumpenBohrlochpumpenMagnetpumpenspenderWasserversorgungs- und FeuerlöschstationenChemische MagnetpumpenKreiselpumpenZahnradpumpenIndustrielle Peristaltische Schlauchpumpen
- Auslegerpumpen
- CD-34ST, INOX Pumpe rostfrei für Wasserversorgung
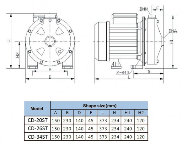
CD-34ST, INOX Pumpe rostfrei für Wasserversorgung
Kaufen Sie auch mit diesem Produkt
1042539
Nur Vorbestellung
Dokumentation
Anleitung herunterladen, Katalog für CD-34ST, INOX Pumpe rostfrei für Wasserversorgung
Überblick

Der Strömungsweg der Kreiselpumpen der Serie CD (Gehäuse, Laufrad, Boden, Welle) besteht aus Edelstahl AISI 304. CD-Pumpen sind einstufige Monoblockpumpen. Das Laufrad befindet sich auf der verlängerten Welle des Elektromotors und die Arbeitskammer von Atmosphärendruck mit Gleitringdichtung, aufgrund dieser Konstruktion ist die Pumpe einfach zu bedienen und zu warten.
Elektromotor - asynchron, einphasig 1x220 V, 50 Hz
Einsatzgebiete: Pumpen von sauberen Flüssigkeiten ohne Feststoffe in der Landwirtschaft, in technologischen Prozessen zum Pumpen von Flüssigkeiten mit schwacher Säure- und Laugenlösung, für Wein, Bier, Milch, für den Einsatz in Heizungsanlagen, Wasserversorgung.
Eigenschaften
| Hersteller | JEFF |
| Leistung, Kubikmeter/Stunde | 7.2 |
| Förderhöhe, mCE | 33 |
| Leistung, kW | 1,1 |
| Das Material | AISI 304 Rostfreier Stahl |
| Durchmesser des Einlassrohrs | 1 1/4" |
| Durchmesser des Auslassrohrs | 1" |
| Stromversorgung | 1x220V, 50Hz |
| Leistung (max), Kubikmeter/Stunde | 7.2 |
| Leistung, L/min | 120 |
| Förderhöhe (max), mCE | 33 |
| Material des Gehäuses | AISI 304 Rostfreier Stahl |
| Pumpen-Reihe | CD |
| Herkunftsland | China |
| Pumpentyp | Konsole |
| Antriebsart | elektrisch |
| Installationstyp | horizontal |
| Gebrauch | Wein, Wasserversorgung, Wasser, Klimaanlage, Milch, Bewässerung, Heizung, Bier, Glasur |
| Analog | Ebara СD, Ebara СDX, Lowara CEAM, Pedrollo CP-ST, Speroni CMX |
| Logistische Daten: | |
| Gewicht, kg | 9,5 |
| Länge der Transportverpackung, cm | 38 |
| Breite der Transportverpackung, cm | 25,5 |
| Höhe der Transportverpackung, cm | 28 |
Kategorien:AuslegerpumpenKreiselpumpenWeinpumpen:WasserpumpenMilchpumpenBierpumpenEdelstahl KreiselpumpenLebensmittelpumpen







































































































































































