Katalog
Mehr Kategorien
- Hauptsächlich
- Industriepumpen
- Pumpen nach TypFasspumpen VakuumpumpenVertikale HalbtauchpumpenSchraubenpumpenWirbelpumpenHermetische PumpenDispergiermittel-Emulgator, HomogenisatorDosierpumpenImpeller PumpenKanalisationsstationenAuslegerpumpenRotationspumpeMembranpumpenPneumatische Membran-TauchpumpenMehrstufige PumpenMonoblockpumpen aus GusseisenMotorpumpenMotormembranpumpenEx ATEX PumpeZapfwellenpumpeDoppelte EinlasspumpenInline-PumpenDrüsenlose PumpenAxialpumpenSchlauchpumpenDrehschieberpumpenKolbenpumpenHalbtauch-Fäkalien-EntwässerungspumpenTauchentwässerung und KotpumpenTauchschlammpumpenKolbenpumpenRollenpumpen Selbstansaugende PumpenHygienepumpenBohrlochpumpenMagnetpumpenspenderWasserversorgungs- und FeuerlöschstationenChemische MagnetpumpenKreiselpumpenZahnradpumpenIndustrielle Peristaltische Schlauchpumpen
- Auslegerpumpen
- Pumpe Ebara 3M 65-200/15, 380V
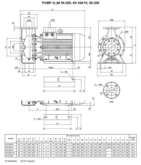
Pumpe Ebara 3M 65-200/15, 380V
Kaufen Sie auch mit diesem Produkt
1042539
Nur Vorbestellung
Dokumentation
Anleitung herunterladen, Katalog für Pumpe Ebara 3M 65-200/15, 380V
Überblick

Ebara Kreiselpumpen mit Flanschen nach EN 733 sind aus Edelstahl AISI 304 (AISI 316) gefertigt.
Anwendung: Wasserversorgungssysteme; Pumpen von mäßig aggressiven Flüssigkeiten; Filtration; Wasseraufbereitung; industrielle Waschanlagen; Druckanstieg; Heizung und Klimaanlage; Kühl- und Kühlsysteme; Bewässerung.
Technische Eigenschaften: robuste hydraulische Konstruktion. Geeignet zum Pumpen vieler Flüssigkeiten (Version aus AISI 304 oder AISI 316). Durch die spezielle Spiralkammer wird der Wirkungsgrad der Pumpe erhöht. Pumpenbett nach Norm AISI 304. Das Pumpengehäuse ist mit Schrauben aus AISI 304 befestigt. Kompakte Abmessungen. Breite Pumpenreihe mit 2- und 4-Zylinder
polmotoren. Hergestellt nach ISO EN 733. Das Design "mit rückseitiger Abdeckung" ermöglicht die Trennung der Motor-/Laufradbaugruppe, während das Gehäuse an seinem Platz bleibt. Standard-Gleitringdichtung DIN 24960. Maschine des IEC-Standards (3S - 3P). Spezielle Motoren: explosionsgeschützte, hocheffiziente EFF 1, geräuscharm, mit integriertem VMA-Wechselrichter. Eine Gleitringdichtung wird auf Bestellung installiert, um Ihre Anforderungen zu erfüllen.
Spezifikation: Kapazität bis zu 132 m3/h. Vorschubhöhe bis zu 72 m. Maximaler Druck: 1 MPa. Temperatur der zu fördernden Flüssigkeit: -10°C bis 100°C. nach Standard, -10°C bis 110°C für Version N.
Pumpengehäuse, Gehäusedeckel, Laufrad und Welle aus Edelstahl AISI 304 (Serie 3), mit AISI 316L (Serie 3L). Gleitringdichtung aus Graphit/Keramik/NBR für Standardversion (Serie 3), aus SiC/SiC/FPM (Serie 3L), Gleitringdichtung aus Graphit/Keramik/FPM für Version H, Gleitringdichtung aus SiC/SiC/FPM für Version HS, Gleitringdichtung aus SiC/Graphit/FPM für Version E.
Technische Daten: asynchroner 2- und 4-poliger Motor. Isolierungs-Klasse F. Schutzart IP55. Einphasig 220V, 50Hz, dreiphasig 380V, 50Hz. Den Schutz vor thermischer Überlastung muss der Verbraucher sicherstellen.
Eigenschaften
| Hersteller | Ebara |
| Leistung, Kubikmeter/Stunde | 126 |
| Förderhöhe, mCE | 54 |
| Leistung, kW | 15 |
| Das Material | AISI 304 Rostfreier Stahl |
| Durchmesser des Einlassrohrs | DN80 |
| Durchmesser des Auslassrohrs | DN65 |
| Drehzahl, U/min | 2 800 |
| Schutzwert | IP55 |
| Stromversorgung | 3x380V, 50Hz |
| Explosionsschutz | Nein |
| Leistung (max), Kubikmeter/Stunde | 126 |
| Temperatur (max), mit | 90 |
| Abmessungen, mm | 880 x 390 x 532 |
| Dichtung | Gleitringdichtung, Carbon/Keramik/NBR |
| Förderhöhe (max), mCE | 54 |
| Druck, Bar | 10 |
| Material des Gehäuses | AISI 304 Rostfreier Stahl |
| Material des fließenden Teils | AISI 304 Rostfreier Stahl |
| Material des Laufrades | AISI 304 Rostfreier Stahl |
| Material der Welle | AISI 304 Rostfreier Stahl |
| Pumpen-Reihe | 3M |
| Herkunftsland | Italien |
| Pumpentyp | Konsole |
| Antriebsart | elektrisch |
| Installationstyp | horizontal |
| Gebrauch | CIP-Wasch, Ammoniak-Gemisch, Braga, brauen, Wein, Wasser, Kühlturm, Flüssigdünger, CAS, ätzend, Eiswasser, Milch, Harnstoff, Wasserrecycling, Heizung, Lebensmittel, steigender Druck, Glasur, mudflow Lösung, Säfte, Salz-, Würze, die Trocknungskammer, Trocknen, Käseblättchen |
| Logistische Daten: | |
| Gewicht, kg | 110,1 |
Kategorien:AuslegerpumpenKreiselpumpenPumpe für Emulsionen und SuspensionenPumpen für Ammoniakwasser, Ammoniumhydroxid NH4OHPumpen für Stillage, MaischeWeinpumpen:WasserpumpenPumpen für UANPompy do mocznika, płynnych nawozówPermeatpumpeBierpumpenPflanzenölpumpenLebensmittelpumpen für Saft, KonzentratPumpen für MineraldüngerEdelstahl KreiselpumpenPumpen zur WasserversorgungLebensmittelpumpenKreiselpumpen der Serie Ebara 3M































































































































































