Katalog
Mehr Kategorien
- Hauptsächlich
- Industriepumpen
- Pumpen nach TypFasspumpen VakuumpumpenVertikale HalbtauchpumpenSchraubenpumpenWirbelpumpenHermetische PumpenDispergiermittel-Emulgator, HomogenisatorDosierpumpenImpeller PumpenKanalisationsstationenAuslegerpumpenRotationspumpeMembranpumpenPneumatische Membran-TauchpumpenMehrstufige PumpenMonoblockpumpen aus GusseisenMotorpumpenMotormembranpumpenEx ATEX PumpeZapfwellenpumpeDoppelte EinlasspumpenInline-PumpenDrüsenlose PumpenAxialpumpenSchlauchpumpenDrehschieberpumpenKolbenpumpenHalbtauch-Fäkalien-EntwässerungspumpenTauchentwässerung und KotpumpenTauchschlammpumpenKolbenpumpenRollenpumpen Selbstansaugende PumpenHygienepumpenBohrlochpumpenMagnetpumpenspenderWasserversorgungs- und FeuerlöschstationenChemische MagnetpumpenKreiselpumpenZahnradpumpenIndustrielle Peristaltische Schlauchpumpen
- Auslegerpumpen
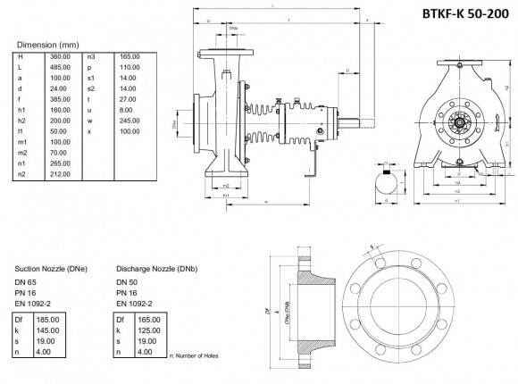
- Pumpe für Heißöl BTKF-K 50-200 (3000) ohne Motor
Pumpe für Heißöl BTKF-K 50-200 (3000) ohne Motor
Kaufen Sie auch mit diesem Produkt
1042539
Nur Vorbestellung
Dokumentation
Anleitung herunterladen, Katalog für Pumpe für Heißöl BTKF-K 50-200 (3000) ohne Motor
Überblick

Die Pumpe für Heißöl BTKF-K ist zum Pumpen von Hochtemperaturflüssigkeiten, Öl 350°C vorgesehen. Pumpe zum Aufwärmen von Bitumen, Pumpe für Holzbearbeitungsanlagen zur Herstellung von Produkten. Die Pumpen sind mit Laufrädern in drei Durchmessergrößen (mit Trimmen) ausgestattet, wodurch die Pumpe für Druck und Leistung auf der Welle genauer ausgewählt werden kann. Die Wärmepumpe ist eine Kreiselpumpe h mit Luftkühlung, die von einem Heizkörper gegossen wird, um die thermische Belastung der Wellenkammer und der installierten Gleitringdichtungen zu entfernen. Die Pumpe und der Elektromotor werden über eine Kupplung angeschlossen. Dies bietet Vorteile bei der Demontage. Die Pumpengröße entspricht der Norm TS EN 733. Die Eingangs- und Ausgangsmaße der Flansche entsprechen ISO 7005-2/PN16. Die Pumpe verfügt über eine Gleitringdichtung, die aus hochtemperaturbeständigen Materialien hergestellt ist. Wenn das Laufrad, die Lager oder die Dichtungen ausgetauscht werden müssen, ist die Pumpe leicht zu zerlegen. Zweck: Pumpe für überhitzte Flüssigkeit, Öl, andere saubere Produkte mit einer Temperatur von bis zu 350°C. Anwendungen: - chemische und petrochemische Fabriken, Papierfabriken, Zuckerfabriken, Lebensmittelindustrie, Bäckereien Fabriken für die Herstellung von Kunststoff-, Gummi- und Synthetikfasern, Küche und Heizung Öfen , Textil-und Lederindustrie, Metallurgie, Herstellung von Farben, Warm Bitumen für den Straßenbau, Holzverarbeitung Industrie, Herstellung von Platten für Möbel, Einfügen, etc. ,für Wärmetauscher technologischen bei der Übertragung und Erwärmung von Flüssigkeiten.
Eigenschaften
| Hersteller | ERDURO |
| Leistung, Kubikmeter/Stunde | 98 |
| Förderhöhe, mCE | 65 |
| Leistung, kW | 11, 15, 18,5, 22 |
| Das Material | Gusseisen |
| Durchmesser des Einlassrohrs | DN65 |
| Durchmesser des Auslassrohrs | DN50 |
| Drehzahl, U/min | 3 480 |
| Schutzwert | IP55 |
| Explosionsschutz | Nein |
| Leistung (max), Kubikmeter/Stunde | 98 |
| Temperatur (max), mit | 350 |
| Dichtung | Gleitringdichtung, Adler Burgmann |
| Förderhöhe (max), mCE | 65 |
| Druck, Bar | 16 |
| Pumpen-Reihe | BTKF-K |
| Herkunftsland | Türkei |
| Pumpentyp | Konsole |
| Antriebsart | elektrisch |
| Installationstyp | horizontal |
| Art der Ausrüstung | ohne Motor |
| Garantie, Monate | 12 |
| Gebrauch | überhitztes Wasser, Thermalöl |
| Analog | FLOWSERVE, ALLWEILER, KSB, Pompetravaini TCD, SIHI, WILO |
| Logistische Daten: | |
| Gewicht, kg | 46 |
Kategorien:AuslegerpumpenKreiselpumpenThermoölpumpen +350Hochtemperaturpumpen +400°C

































































































































































