Katalog
Mehr Kategorien
- Hauptsächlich
- Industriepumpen
- Pumpen nach TypFasspumpen VakuumpumpenVertikale HalbtauchpumpenSchraubenpumpenWirbelpumpenHermetische PumpenDispergiermittel-Emulgator, HomogenisatorDosierpumpenImpeller PumpenKanalisationsstationenAuslegerpumpenRotationspumpeMembranpumpenPneumatische Membran-TauchpumpenMehrstufige PumpenMonoblockpumpen aus GusseisenMotorpumpenMotormembranpumpenEx ATEX PumpeZapfwellenpumpeDoppelte EinlasspumpenInline-PumpenDrüsenlose PumpenAxialpumpenSchlauchpumpenDrehschieberpumpenKolbenpumpenHalbtauch-Fäkalien-EntwässerungspumpenTauchentwässerung und KotpumpenTauchschlammpumpenKolbenpumpenRollenpumpen Selbstansaugende PumpenHygienepumpenBohrlochpumpenMagnetpumpenspenderWasserversorgungs- und FeuerlöschstationenChemische MagnetpumpenKreiselpumpenZahnradpumpenIndustrielle Peristaltische Schlauchpumpen
- Inline-Pumpen
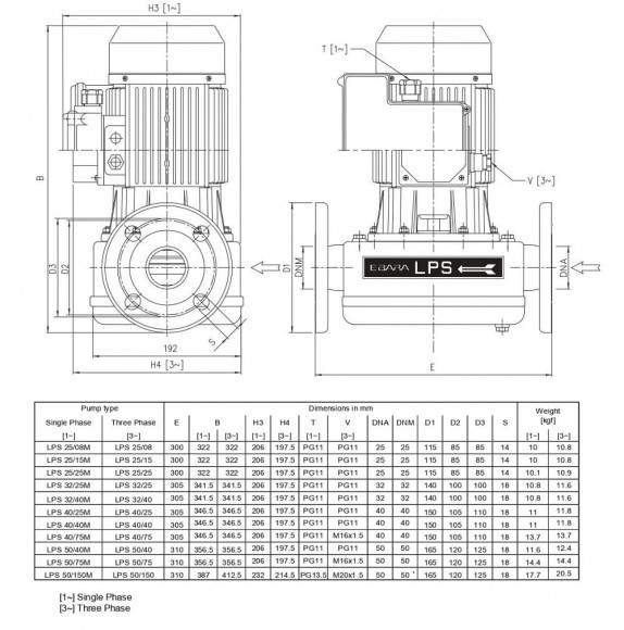
- Umwälzpumpe Ebara LPS 25/08M, 220V
Umwälzpumpe Ebara LPS 25/08M, 220V
Kaufen Sie auch mit diesem Produkt
1042539
Nur Vorbestellung
Überblick

Die Umwälzpumpen der Ebara-Serie LPS sind aus Edelstahl AISI 304 gefertigt.
Anwendung: Zirkulation von heißem und kaltem Wasser; Waschsysteme; Bewässerung von Pflanzen; Pumpen von mäßig aggressiven Flüssigkeiten; Klimaanlagen; Heizsysteme; Nachspeisung von Pflanzen; Ausrüstung für industrielle Lackierung.
Technische Merkmale: robuste Konstruktion; geräuscharm im Betrieb; kompakte Abmessungen; aus Edelstahl AISI 304 gefertigt.
Technische Daten: Förderleistung bis 25 m3/h; Förderhöhe bis 21 m; Temperatur der zu fördernden Flüssigkeit: -10°C bis 100°C; maximaler Druck: 0,4 MPa.
Eigenschaften
| Hersteller | Ebara |
| Leistung, Kubikmeter/Stunde | 4.2 |
| Förderhöhe, mCE | 7.2 |
| Leistung, kW | 0,08 |
| Das Material | AISI 304 Rostfreier Stahl |
| Durchmesser des Einlassrohrs | DN25 |
| Durchmesser des Auslassrohrs | DN25 |
| Drehzahl, U/min | 2 800 |
| Schutzwert | IP55 |
| Stromversorgung | 1x220V, 50Hz |
| Explosionsschutz | Nein |
| Leistung (max), Kubikmeter/Stunde | 4.2 |
| Temperatur (max), mit | 100 |
| Die Kapazität des Kondensators des Motors, Μf | 12,5 |
| Dichtung | Gleitringdichtung, Carbon/Keramik/NBR |
| Förderhöhe (max), mCE | 7.2 |
| Material des Gehäuses | AISI 304 Rostfreier Stahl |
| Material des Laufrades | AISI 304 Rostfreier Stahl |
| Material der Welle | AISI 303 |
| Pumpen-Reihe | LPS |
| Herkunftsland | Italien |
| Pumpentyp | online |
| Antriebsart | elektrisch |
| Installationstyp | vertikal |
| Logistische Daten: | |
| Gewicht, kg | 10 |
Kategorien:Inline-PumpenKreiselpumpenTrocknen von Holz (Umwälzpumpen)Ebara LPS



























































































































































