Katalog
Mehr Kategorien
- Hauptsächlich
- Industriepumpen
- Pumpen nach TypFasspumpen VakuumpumpenVertikale HalbtauchpumpenSchraubenpumpenWirbelpumpenHermetische PumpenDispergiermittel-Emulgator, HomogenisatorDosierpumpenImpeller PumpenKanalisationsstationenAuslegerpumpenRotationspumpeMembranpumpenPneumatische Membran-TauchpumpenMehrstufige PumpenMonoblockpumpen aus GusseisenMotorpumpenMotormembranpumpenEx ATEX PumpeZapfwellenpumpeDoppelte EinlasspumpenInline-PumpenDrüsenlose PumpenAxialpumpenSchlauchpumpenDrehschieberpumpenKolbenpumpenHalbtauch-Fäkalien-EntwässerungspumpenTauchentwässerung und KotpumpenTauchschlammpumpenKolbenpumpenRollenpumpen Selbstansaugende PumpenHygienepumpenBohrlochpumpenMagnetpumpenspenderWasserversorgungs- und FeuerlöschstationenChemische MagnetpumpenKreiselpumpenZahnradpumpenIndustrielle Peristaltische Schlauchpumpen
- Chemische Magnetpumpen
- Pumpe mit Magnetkupplung DM 06 PVDF, VITON, 0,37 kW, 81 mm
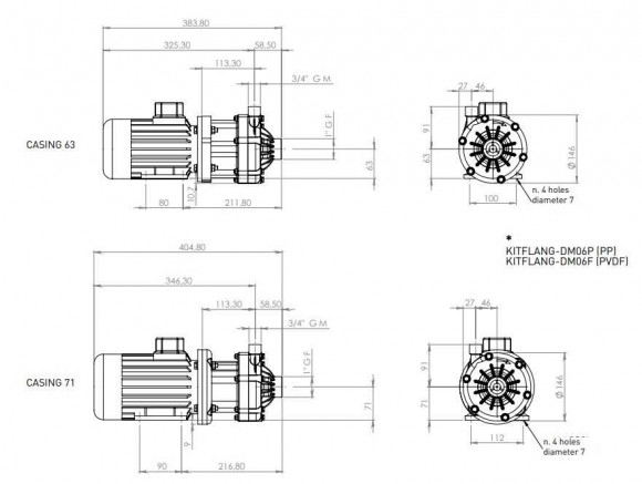
Pumpe mit Magnetkupplung DM 06 PVDF, VITON, 0,37 kW, 81 mm
Kaufen Sie auch mit diesem Produkt
1042539
Nur Vorbestellung
Überblick

DM Dosen Pumpen ohne Dichtungen und Magnetkupplungen.
Hermetische Pumpen mit einer Magnetkupplung verwendet zum Pumpen von korrosiven, giftige oder entflammbare Flüssigkeiten und Flüssigkeiten, die Partikel.
Mehrere Magnete treibt die Pumpe in Bewegung, den externen Magneten an der Welle befindet, überträgt die Bewegung auf den inneren Magneten in dem Pumpenrad eingebettet ist, die hermetisch isoliert ist. Das Flügelrad auf der Pumpenwelle montiert ist, also keine Dichtung, die verhindert, dass infolge der Dichtungen des gepumpten Fluidleckage tragen. Pumpenkopf besteht aus mehreren Komponenten, vereinfacht so die Wartung. Standard Pumpenleistung Materialien: Polypropylen (PP) und polivinilindenftorid (PVDF).
Diese Pumpen können nicht „trocken“ laufen. Pumpen verunreinigte Flüssigkeiten führen zu einer Verringerung der Pumpen Lebensdauer.
Eigenschaften
| Hersteller | DEBEM |
| Leistung, Kubikmeter/Stunde | 6.5 |
| Förderhöhe, mCE | 8.5 |
| Leistung, kW | 0,37 |
| Das Material | PVDF |
| Durchmesser des Einlassrohrs | 1" |
| Durchmesser des Auslassrohrs | 3/4" |
| Stromversorgung | 3x380V, 50Hz |
| Leistung (max), Kubikmeter/Stunde | 6.5 |
| Das Modell | DM06 |
| Temperatur (max), mit | 95 |
| Maximale Temperatur der Flüssigkeit, °C | 95 |
| Durchmesser des Laufrades, mm | 81 |
| Maximale Viskosität, sPz | 150 |
| Förderhöhe (max), mCE | 8.5 |
| Material des fließenden Teils | PVDF |
| Material der Ringdichtung | VITON(FKM) |
| Pumpen-Reihe | DM |
| Herkunftsland | Italien |
| Pumpentyp | mit Magnetkupplung |
| Antriebsart | elektrisch |
| Verfügbarkeit von Ersatzteilen | Ja |
| Logistische Daten: |
Kategorien:Chemische MagnetpumpenHermetische PumpenKreiselpumpenSalpetersäurepumpeSäurepumpenLaugenpumpenSäurebeständige Pumpen für aggressive FlüssigkeitenPumpe für aggressive Flüssigkeiten, SäurepumpePumpen für GalvanikMagnetische Antriebspumpen DM





























































































































































