Katalog
Mehr Kategorien
- Hauptsächlich
- Industriepumpen
- Pumpen nach TypFasspumpen VakuumpumpenVertikale HalbtauchpumpenSchraubenpumpenWirbelpumpenHermetische PumpenDispergiermittel-Emulgator, HomogenisatorDosierpumpenImpeller PumpenKanalisationsstationenAuslegerpumpenRotationspumpeMembranpumpenPneumatische Membran-TauchpumpenMehrstufige PumpenMonoblockpumpen aus GusseisenMotorpumpenMotormembranpumpenEx ATEX PumpeZapfwellenpumpeDoppelte EinlasspumpenInline-PumpenDrüsenlose PumpenAxialpumpenSchlauchpumpenDrehschieberpumpenKolbenpumpenHalbtauch-Fäkalien-EntwässerungspumpenTauchentwässerung und KotpumpenTauchschlammpumpenKolbenpumpenRollenpumpen Selbstansaugende PumpenHygienepumpenBohrlochpumpenMagnetpumpenspenderWasserversorgungs- und FeuerlöschstationenChemische MagnetpumpenKreiselpumpenZahnradpumpenIndustrielle Peristaltische Schlauchpumpen
- Zapfwellenpumpe
- Veneroni LKT 125/850, 216 m3/h Hochdruckpumpe von Zapfwelle
Veneroni LKT 125/850, 216 m3/h Hochdruckpumpe von Zapfwelle
Kaufen Sie auch mit diesem Produkt
1042539
Nur Vorbestellung
Dokumentation
Anleitung herunterladen, Katalog für Veneroni LKT 125/850, 216 m3/h Hochdruckpumpe von Zapfwelle
Überblick

Die LKT-Pumpe ermöglicht es Ihnen, mit der Kraft des Traktors einen hohen Druck zu erreichen. Ausgestattet mit einem effizienten Mehlsystem und einem speziellen offenen Laufrad, ermöglicht es das Pumpen von Abwasser, das feste und faserige Substanzen in großer Entfernung enthält, ideal für den Einsatz in Verteilungssystemen; Das halbautomatische Grundiersystem sorgt für eine einfache und schnelle Grundierung.
Eigenschaften
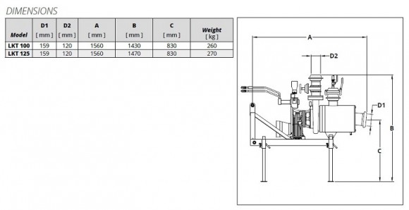
| Hersteller | Veneroni |
| Leistung, Kubikmeter/Stunde | 216 |
| Förderhöhe, mCE | 108 |
| Das Material | Gusseisen |
| Durchmesser des Einlassrohrs | 159 mm |
| Durchmesser des Auslassrohrs | 120 mm |
| Drehzahl, U/min | 2 900 |
| Leistung auf der Welle, PS. | 117,5 |
| Leistung (max), Kubikmeter/Stunde | 216 |
| Drehzahl der Zapfwelle, U/min. | 850 |
| Förderhöhe (max), mCE | 108 |
| Material des Gehäuses | Gusseisen GS 400 |
| Material des Pumpenteils | Gusseisen GS 400 |
| Pumpen-Reihe | LKT |
| Herkunftsland | Italien |
| Pumpentyp | mit einem Antrieb von der Zapfwelle |
| Antriebsart | mechanisch von Zapfwelle |
| Garantie, Monate | 12 |
| Logistische Daten: | |
| Gewicht, kg | 270 |
Kategorien:ZapfwellenpumpePumpen für Ammoniakwasser, Ammoniumhydroxid NH4OHHochdruckpumpe LKT von ZapfwelleTraktor Zapfwelle Pumpen
Produkte aus der gleichen Kategorie
1026957
Nur Vorbestellung
1026958
Nur Vorbestellung



























































































































































