Katalog
Mehr Kategorien
- Hauptsächlich
- Industriepumpen
- Pumpen nach TypFasspumpen VakuumpumpenVertikale HalbtauchpumpenSchraubenpumpenWirbelpumpenHermetische PumpenDispergiermittel-Emulgator, HomogenisatorDosierpumpenImpeller PumpenKanalisationsstationenAuslegerpumpenRotationspumpeMembranpumpenPneumatische Membran-TauchpumpenMehrstufige PumpenMonoblockpumpen aus GusseisenMotorpumpenMotormembranpumpenEx ATEX PumpeZapfwellenpumpeDoppelte EinlasspumpenInline-PumpenDrüsenlose PumpenAxialpumpenSchlauchpumpenDrehschieberpumpenKolbenpumpenHalbtauch-Fäkalien-EntwässerungspumpenTauchentwässerung und KotpumpenTauchschlammpumpenKolbenpumpenRollenpumpen Selbstansaugende PumpenHygienepumpenBohrlochpumpenMagnetpumpenspenderWasserversorgungs- und FeuerlöschstationenChemische MagnetpumpenKreiselpumpenZahnradpumpenIndustrielle Peristaltische Schlauchpumpen
- Schlauchpumpen
- Industrielle Schlauchpumpe JXHIN-10-ABS Plastic-NBR-P, 57 l/h, 0,37 kW, 10 bar, 380V
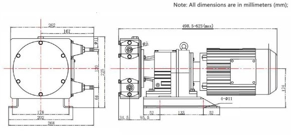
Industrielle Schlauchpumpe JXHIN-10-ABS Plastic-NBR-P, 57 l/h, 0,37 kW, 10 bar, 380V
Kaufen Sie auch mit diesem Produkt
1042539
Nur Vorbestellung
Dokumentation
Anleitung herunterladen, Katalog für Industrielle Schlauchpumpe JXHIN-10-ABS Plastic-NBR-P, 57 l/h, 0,37 kW, 10 bar, 380V
Überblick

Die industrielle Schlauchpumpe der Serie JXHIN wird zum Fördern von abrasiven Schlämmen, ätzenden Säuren, großen Feststoffen, Gas-Flüssigkeits-Gemischen und hochviskosen Flüssigkeiten eingesetzt.
Merkmale der Schlauchpumpe: Trockenstart ohne Beschädigung, auslaufsicher, keine Dichtungen, Ventile, Membranen, etc.
Stabiler Durchfluss, genaue und wiederholbare Messung. Genauigkeit ± 1%.
Keine Zusatzgeräte, Rückschlagventile oder Wasserspülsysteme. Reversibler Betrieb, Partikel können sicher aus der Saug- oder Druckleitung austreten.
Minimale Wartung - einfach den Schlauch austauschen.
Eigenschaften
| Hersteller | BTS-Engineering |
| Leistung, Kubikmeter/Stunde | 0.057 |
| Förderhöhe, mCE | 100 |
| Leistung, kW | 0,37 |
| Das Material | ABS Plastic |
| Durchmesser des Einlassrohrs | 3/8" |
| Durchmesser des Auslassrohrs | 3/8" |
| Drehzahl, U/min | 43 |
| Stromversorgung | 3x380V, 50Hz |
| Leistung (max), Kubikmeter/Stunde | 0.16 |
| Temperatur (max), mit | 80 |
| Leistung (nom), Kubikmeter/Stunde | 0.057 |
| Leistung, L/h | 57 |
| Maximaler Durchmesser von festen Einschlüssen, mm | 1,5 |
| Abmessungen, mm | 623x268x225 |
| Trockensaughöhe (max), mCE | 9,5 |
| Förderhöhe (max), mCE | 100 |
| Druck, Bar | 10 |
| Material des Gehäuses | ABS Plastic |
| Material Ausführung des Schlauches | NBR |
| Pumpen-Reihe | JXHIN |
| Herkunftsland | China |
| Pumpentyp | peristaltisch |
| Antriebsart | elektrisch |
| Logistische Daten: | |
| Gewicht, kg | 27 |
Kategorien:SchlauchpumpenIndustrielle Peristaltische Schlauchpumpen
Produkte aus der gleichen Kategorie
1042996
Nur Vorbestellung
1042998
Nur Vorbestellung
1042999
Nur Vorbestellung
1043000
Nur Vorbestellung



























































































































































