Katalog
 Gleitringdichtungen
GleitringdichtungenMehr Kategorien
- Hauptsächlich
- Industriepumpen
- Pumpen nach TypFasspumpen VakuumpumpenVertikale HalbtauchpumpenSchraubenpumpenWirbelpumpenHermetische PumpenDispergiermittel-Emulgator, HomogenisatorDosierpumpenImpeller PumpenKanalisationsstationenAuslegerpumpenRotationspumpeMembranpumpenPneumatische Membran-TauchpumpenMehrstufige PumpenMonoblockpumpen aus GusseisenMotorpumpenMotormembranpumpenEx ATEX PumpeZapfwellenpumpeDoppelte EinlasspumpenInline-PumpenDrüsenlose PumpenAxialpumpenSchlauchpumpenDrehschieberpumpenKolbenpumpenHalbtauch-Fäkalien-EntwässerungspumpenTauchentwässerung und KotpumpenTauchschlammpumpenKolbenpumpenRollenpumpen Selbstansaugende PumpenHygienepumpenBohrlochpumpenMagnetpumpenspenderWasserversorgungs- und FeuerlöschstationenChemische MagnetpumpenKreiselpumpenZahnradpumpenIndustrielle Peristaltische Schlauchpumpen
- Schlauchpumpen
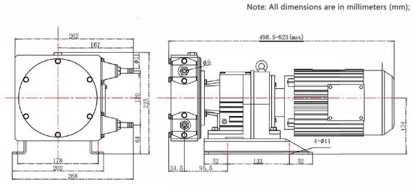
- Industrielle Schlauchpumpe JXHIN-10-SS-F-NR-P, 57 l/h, 0,37 kW, 10 bar, 380V
Industrielle Schlauchpumpe JXHIN-10-SS-F-NR-P, 57 l/h, 0,37 kW, 10 bar, 380V
Kaufen Sie auch mit diesem Produkt
1042539
Nur Vorbestellung
Dokumentation
Anleitung herunterladen, Katalog für Industrielle Schlauchpumpe JXHIN-10-SS-F-NR-P, 57 l/h, 0,37 kW, 10 bar, 380V
Überblick

Die industrielle Schlauchpumpe der Serie JXHIN wird zum Fördern von abrasiven Schlämmen, ätzenden Säuren, großen Feststoffen, Gas-Flüssigkeits-Gemischen und hochviskosen Flüssigkeiten eingesetzt.
Merkmale der Schlauchpumpe: Trockenstart ohne Beschädigung, auslaufsicher, keine Dichtungen, Ventile, Membranen, etc.
Stabiler Durchfluss, genaue und wiederholbare Messung. Genauigkeit ± 1%.
Keine Zusatzgeräte, Rückschlagventile oder Wasserspülsysteme. Reversibler Betrieb, Partikel können sicher aus der Saug- oder Druckleitung austreten.
Minimale Wartung - einfach den Schlauch austauschen.
Eigenschaften
| Hersteller | BTS-Engineering | 
| Leistung, Kubikmeter/Stunde | 0.057 | 
| Förderhöhe, mCE | 100 | 
| Leistung, kW | 0,37 | 
| Das Material | AISI Rostfreier Stahl | 
| Durchmesser des Einlassrohrs | 3/8" | 
| Durchmesser des Auslassrohrs | 3/8" | 
| Drehzahl, U/min | 43 | 
| Stromversorgung | 3x380V, 50Hz | 
| Leistung (max), Kubikmeter/Stunde | 0.16 | 
| Temperatur (max), mit | 80 | 
| Leistung (nom), Kubikmeter/Stunde | 0.057 | 
| Leistung, L/h | 57 | 
| Maximaler Durchmesser von festen Einschlüssen, mm | 1,5 | 
| Abmessungen, mm | 623x268x225 | 
| Trockensaughöhe (max), mCE | 9,5 | 
| Förderhöhe (max), mCE | 100 | 
| Druck, Bar | 10 | 
| Material des Gehäuses | AISI Rostfreier Stahl | 
| Material Ausführung des Schlauches | F-NR | 
| Pumpen-Reihe | JXHIN | 
| Herkunftsland | China | 
| Pumpentyp | peristaltisch | 
| Antriebsart | elektrisch | 
| Logistische Daten: | |
| Gewicht, kg | 27 | 
Kategorien:SchlauchpumpenIndustrielle Peristaltische Schlauchpumpen
Produkte aus der gleichen Kategorie
1043001
Nur Vorbestellung
1043005
Nur Vorbestellung
1043007
Nur Vorbestellung



















































































































































 
             
            























