Katalog
Mehr Kategorien
- Hauptsächlich
- Kippmischer und Mischer
- Kippmische bei niedriger Geschwindigkeit
- Mischer für chemische Reagenzien AQUA AG3-PVC70/S, 380V, 70 RPM, ADAG3P07S
Mischer für chemische Reagenzien AQUA AG3-PVC70/S, 380V, 70 RPM, ADAG3P07S
Dokumentation
Anleitung herunterladen, Katalog für Mischer für chemische Reagenzien AQUA AG3-PVC70/S, 380V, 70 RPM, ADAG3P07S
Überblick

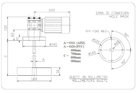
Der elektrische Mischer der italienischen Firma AQUA wird zum Mischen von chemischen Reagenzien (Säure- und Laugenlösungen) in Tanks verwendet. Sie sind für die Installation auf einem Arbeitsbehälter bestimmt, um chemische Reagenzien in einem für das Pumpen mit Pumpen geeigneten Zustand vorzubereiten und zu halten. Behälter werden von oben angebracht. Dieses Modell ist für das Mischen bei niedrigen Geschwindigkeiten ausgelegt. Die Ausführung des Elektromotors ist dreiphasig. Für alle Arten von Dosierpumpen geeignet. Für diese Armatur ist der Behälter Aqua A-TANK-2-3 mit einem Volumen von 200-300 Liter geeignet.
Eigenschaften
| Hersteller | AQUA |
| Leistung, kW | 0,089 |
| Das Material | PVC |
| Drehzahl, U/min | 70 |
| Stromversorgung | 3x380V, 50Hz |
| Durchmesser des Impellers, Millimeter | 189 |
| Länge, mm | 700 |
| Mixer-Serie | AG-S |
| Herkunftsland | Italien |
| Gebrauch | Suspension, Agitation, Limettenmilch, Auflösung, Lösungen, Reagenzien und Emulsionen zum Zwecke der Homogenisierung, Verwirrtheit, Salz-, suspendieren, Suspensionen |
| Analog | FLUIMAC, AGF, Emec, FWT, Grundfos, Inoxpa, Jesco Pump, Lightnin, ProMinent, SULZER, Tapflo |
| Logistische Daten: | |
| Bruttogewicht, kg | 7 |
| Länge der Transportverpackung, cm | 21 |
| Breite der Transportverpackung, cm | 123 |
| Höhe der Transportverpackung, cm | 21 |
Produkte aus der gleichen Kategorie
ADAG1A08S
Nur Vorbestellung













































































































































