Katalog
Mehr Kategorien
- Hauptsächlich
- Abschaltventile
- Kondensatabflüsse
- DN50 Stahlflanschkondensatableiter
DN50 Stahlflanschkondensatableiter
Dokumentation
Anleitung herunterladen, Katalog für DN50 Stahlflanschkondensatableiter
Überblick

Dieser Kondensatableiter wird mit einem ausgewogenen Doppelsitz oder einem Sitz mit einem sicheren Verschluss und einer langen Lebensdauer verwendet. Diese Art von Kondensatableiter wird mit einem ausgewogenen Einzelsitz mit sicherem Verschluss und langer Lebensdauer verwendet.
Die Hochtemperaturkondensation mit Wasser bildet immer eine sichere Abdichtung, ohne dass Dampf austritt.
Der Betrieb des Kondensatableiters erzeugt kein Rauschen. Es hat also keinen Einfluss auf die umliegenden Arbeiter und die Umwelt.
Das Ventil ist vollständig geöffnet, wenn zum ersten Mal Dampf eintritt. Kondensat und Luft mit niedriger Temperatur können erneut entleert werden, was die Startzeit des Geräts erheblich verkürzt.
Alle Innenteile bestehen aus korrosionsbeständigem Stahl und Kavitationskomponenten.
Eigenschaften
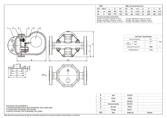
| Anschlussdurchmesser, DN | 50 |
| Hersteller | BTS-Engineering |
| Nenndruck, MPa | 1,6 |
| Verbindungstyp | geflanscht |
| Betriebstemperatur | ≤300 |
| Material des Gehäuses | Carbon steel |
| Herkunftsland | China |
| Arbeitsumgebung | Dampfkondensat |
| Logistische Daten: |




































































































































