Katalog
Mehr Kategorien
- Hauptsächlich
- Abschaltventile
- Regelventile
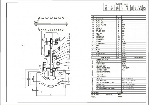
- DN25 Pneumatisch betätigtes Stellventil 10P11Y-DNx2516Z-L112C-C (Gehäuse CF8, Sitz SS304) mit Stellungsregler YT-1000, Eingang 4-20mA, Ex
DN25 Pneumatisch betätigtes Stellventil 10P11Y-DNx2516Z-L112C-C (Gehäuse CF8, Sitz SS304) mit Stellungsregler YT-1000, Eingang 4-20mA, Ex
Dokumentation
Anleitung herunterladen, Katalog für DN25 Pneumatisch betätigtes Stellventil 10P11Y-DNx2516Z-L112C-C (Gehäuse CF8, Sitz SS304) mit Stellungsregler YT-1000, Eingang 4-20mA, Ex
Überblick

Regelventil mit pneumatischem Antrieb und Aktuator, 4-20mA-Steuerung Absperrventil, einwöchiges, zweiwegiges, gerades Regelventil. RA ist ein pneumatischer Linearantrieb des Membrantyps. Der Antrieb hat zwei Ausführungen: DA - direkt wirkend, normal offen (Luftdruck schließt das Ventil) und RA - rückwirkend normal geschlossen (Luftdruck öffnet das Ventil). Ein breites Anwendungsspektrum ermöglicht die Verwendung dieses Ventils mit den gängigsten Prozessflüssigkeiten wie Wasser, überhitztem Wasser, Dampf, Luft, Gasen und anderen nicht korrosiven Flüssigkeiten.
GRUNDEIGENSCHAFT:
Ein-Wochen-, Zwei-Wege-, Vorwärts- oder Rückwärtsbewegungen.
Die Neuinstallation des Antriebs erfordert keine Demontage.
Ventil aus der Rohrleitung.
Eigenschaften
| Steuersignal, mA | 4-20 |
| Wirkungsweise | normalerweise geschlossen |
| Anschlussdurchmesser, DN | 25 |
| Hersteller | BTS-Engineering |
| Explosionsschutz | Also |
| Nenndruck, MPa | 1,6 |
| Verbindungstyp | geflanscht |
| Betriebstemperatur | –17°C +230°C |
| Material des Gehäuses | AISI 304 Rostfreier Stahl |
| Herkunftsland | China |
| Arbeitsumgebung | Wasser, Luft, Dampf, Flüssigkeiten, dickflüssige und viskose Flüssigkeiten, nicht korrosive Umgebung |
| Logistische Daten: |

































































































































































