Каталог товарів
- Головна
- Насоси промислові
- Насоси за типомБочкові насоси Вакуумні насосиВертикальні напівзаглибні насосиГвинтові насосиВихрові насосиГерметичні насосиДиспергатор-емульгатор, гомогенізаторДозуючі насосиІмпелерні насосиКаналізаційні станціїКонсольні насосиКулачкові насосиМембранні насосиМембранні погружні пневматичні насосиБагатоступінчасті насосиМоноблочні насоси із чавунуМотопомпиМоторні мембранні насосиНасос Ex ATEXНасос з приводом від ВВПНасоси двостороннього входуНасоси конструкції «Інлайн»Насоси з мокрим роторомОсьові пропеллерні насосиПеристальтичні насосиПластинчато-роторні насосиПлунжерні насосиНапівзанурені фекальні, дренажні насосиЗанурювальні дренажно-фекальні насосиПогружні шламові насосиПоршневі насосиРоликові насоси Самовсмоктуючі насосиСанітарні, гігієнічні насосиСвердловинні насосиСоленоїдний насос дозаторСтанції водопостачання і пожежогасінняХімічні насоси з магнітною муфтоюВідцентрові насосиШестеренні насосиІндустріальні шлангові перистальтичні насоси
- Консольні насоси
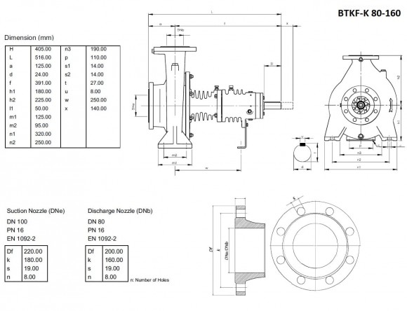
- BTKF-K 80-160, imp 177mm, 1500 насос для гарячого масла без двигуна
BTKF-K 80-160, imp 177mm, 1500 насос для гарячого масла без двигуна
З цим товаром також купують
1042539
Тільки під замовлення
Документація
Скачати інструкцію, каталог для BTKF-K 80-160, imp 177mm, 1500 насос для гарячого масла без двигуна
Огляд

Насос для гарячого масла BTKF-K призначений для перекачування високотемпературних рідин, масла 350°C. Помпа для розігріву бітуму, насос для деревообробних заводів з виробництва виробів. Насоси комплектуються робочими колесами трьох типорозмірів по діаметру (з підрізуванням), що дозволяє більш точно підібрати насос по тиску і потужності на валу. Насос для гарячого теплоносія є відцентровим насосом з повітряним типом охолодження, відлитим радіатором для зняття термічного навантаження камери вала і встановлених торцевих ущільнень. Насос і електродвигун підключаються за допомогою муфти. Це дає переваги при демонтажі. Розмір помпи відповідає стандарту TS EN 733. Вхідні та вихідні розміри фланців відповідають ISO 7005-2 / PN16. У насос встановлено механічне ущільнення, яке виконано з матеріалів стійких до високих температур. При необхідності заміни робочого колеса, підшипників або ущільнень, насос легко розбирається. Призначення: насос для перегрітої рідини, масла, інших чистих продуктів з температурою до 350°C. Застосування: - хімічні та нафтохімічні заводи, паперові фабрики, цукрові заводи, при виробництві харчових продуктів, пекарні заводи з виробництва виробів з пластику, гуми і синтетичного волокна, кухонні та нагрівальні грубки, текстильна і шкіряна промисловості, металургія, приготування фарб, розігрів бітуму для дорожнього будівництва, Деревопереробна промисловість, виготовлення плит для меблів, обклеювання і т.д, для теплообмінників технологічних при передачі і розігріві рідини.
Характеристики
| Виробник | ERDURO |
| Продуктивність, м.куб / год | 80 |
| Висота подачі, м.вод.ст | 11 |
| Матеріал | чавун |
| Діaметр вхідного патрубка | DN100 |
| Діаметр вихідного патрубка | DN80 |
| Частота обертання, об/хв | 1 500 |
| Ступінь захисту | IP55 |
| Вибухобезпека | ні |
| Продуктивність (max), м.куб / год | 80 |
| Температура (max), С | 350 |
| Ущільнення | Mechanical Seal, Eagle Burgmann |
| Висота подачі (max), м.вод.ст | 11 |
| Тиск, бар | 16 |
| Серія насоса | BTKF-K |
| Країна походження | Туреччина |
| Тип насосу | консольний |
| Тип приводу | електричний |
| Тип установки | горизонтальний |
| Тип комплектації | без двигуна |
| Гарантія, місяців | 12 |
| Застосування | перегрітої води, термомасла |
| Аналог | FLOWSERVE, ALLWEILER, KSB, Pompetravaini TCD, SIHI, WILO |
| Логістичні дані: | |
| Вага, кг | 45 |
Категорії:Консольні насосиВідцентрові насосиНасоси термомасла +350Високотемпературні насоси +400°C
Відео BTKF-K 80-160, imp 177mm, 1500 насос для гарячого масла без двигуна
Товари з цієї категорії
1026808
Тільки під замовлення

















































































































































































