Каталог товарів
- Головна
- Насоси промислові
- Насоси за типомБочкові насоси Вакуумні насосиВертикальні напівзаглибні насосиГвинтові насосиВихрові насосиГерметичні насосиДиспергатор-емульгатор, гомогенізаторДозуючі насосиІмпелерні насосиКаналізаційні станціїКонсольні насосиКулачкові насосиМембранні насосиМембранні погружні пневматичні насосиБагатоступінчасті насосиМоноблочні насоси із чавунуМотопомпиМоторні мембранні насосиНасос Ex ATEXНасос з приводом від ВВПНасоси двостороннього входуНасоси конструкції «Інлайн»Насоси з мокрим роторомОсьові пропеллерні насосиПеристальтичні насосиПластинчато-роторні насосиПлунжерні насосиНапівзанурені фекальні, дренажні насосиЗанурювальні дренажно-фекальні насосиПогружні шламові насосиПоршневі насосиРоликові насоси Самовсмоктуючі насосиСанітарні, гігієнічні насосиСвердловинні насосиСоленоїдний насос дозаторСтанції водопостачання і пожежогасінняХімічні насоси з магнітною муфтоюВідцентрові насосиШестеренні насосиІндустріальні шлангові перистальтичні насоси
- Шестеренні насоси
- Шестеренчатий насос для целюлози та паперу Kupar KIP 3 дюйма, 12-60 м3/год
Шестеренчатий насос для целюлози та паперу Kupar KIP 3 дюйма, 12-60 м3/год
З цим товаром також купують
1042539
Тільки під замовлення
Документація
Скачати інструкцію, каталог для Шестеренчатий насос для целюлози та паперу Kupar KIP 3 дюйма, 12-60 м3/год
Огляд

Найважливіший критерій при виборі типу шестеренчатих насосів є в'язкість продукту.
Основні критерії при підборі шестеренчастого насоса:
- тип насоса: основний принцип полягає в тому, що зовнішнє зачеплення шестерень використовується для рідин відносно низької в'язкості, а внутрішнє для рідин високої в'язкості.
- розмір патрубків: розмір патрубків і приєднуваних трубопроводів також пов'язані з в'язкістю продукту. При виборі типу насоса та проектування системи трубопроводів, слід точно розрахувати діаметри трубопроводів аби досягнути оптимальної швидкості потоку для рідини заданої в'язкості.
В даному випадку дійсна пряма залежність - для рідин більшої в’язкості слід використовувати труби більшого діаметра.
- швидкість обертання насоса: максимальна швидкість для шестеренчастих насосів становить 1500 об/хв. Вона зменшується відповідно до збільшення в'язкості. Високі швидкості слід вибирати для низької в'язкості, низькі швидкості для високої в'язкості.
Пряме зчеплення з електродвигуном використовується на 1000 і 1500 об/хв. Для 500 об/хв. і нижче - зчеплення з електродвигуном здійснюється через редуктор або клинопасову передачу.
- робочі допуски: робочі зазори встановлюються під час виготовлення насоса, деякі зазори регулюється під час збирання насоса, відповідно до діапазонів в'язкості.
Для перекачування певного виду рідини, слід використовувати насос з відповідними робочими зазорами, інакше насос може працювати з меншим тиском, або повністю зупинитися.
Характеристики
| Витрата, л/об | 2,222 |
| Діапазон тиску, бар | 1-14 |
| Тип зачеплення шестерні | внутрішнє |
| Виробник | KUPAR |
| Продуктивність, м.куб / год | 60 |
| Потужність, кВт | 18,5 |
| Матеріал | чавун |
| Діaметр вхідного патрубка | 3" |
| Діаметр вихідного патрубка | 3" |
| Частота обертання, об/хв | 450 |
| Продуктивність (max), м.куб / год | 60 |
| Робоча температура | 20°C +200°C |
| Максимальна в'язкість, сПз | 25 000 |
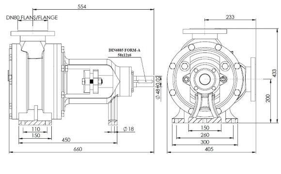
| Габарити, мм | 660x435x405 |
| Матеріал корпусу | чавун |
| Серія насоса | KIP |
| Країна походження | Туреччина |
| Тип насосу | шестеренчастий |
| Тип установки | горизонтальний |
| Логістичні дані: | |
| Вага, кг | 160 |
Категорії:Шестеренні насосиНасос для рідкого склаНасос для сиропуНасос (помпа) для сметаниНасос для емульсій і суспензійНасос спецій і соліНасоси для гліцеринуНасоси для морозиваНасоси для рослинного масла, оліїХарчові насоси
Відео Шестеренчатий насос для целюлози та паперу Kupar KIP 3 дюйма, 12-60 м3/год
Товари з цієї категорії
1040471
Тільки під замовлення













































































































































































