Каталог товарів
- Головна
- Насоси промислові
- Насоси за типомБочкові насоси Вакуумні насосиВертикальні напівзаглибні насосиГвинтові насосиВихрові насосиГерметичні насосиДиспергатор-емульгатор, гомогенізаторДозуючі насосиІмпелерні насосиКаналізаційні станціїКонсольні насосиКулачкові насосиМембранні насосиМембранні погружні пневматичні насосиБагатоступінчасті насосиМоноблочні насоси із чавунуМотопомпиМоторні мембранні насосиНасос Ex ATEXНасос з приводом від ВВПНасоси двостороннього входуНасоси конструкції «Інлайн»Насоси з мокрим роторомОсьові пропеллерні насосиПеристальтичні насосиПластинчато-роторні насосиПлунжерні насосиНапівзанурені фекальні, дренажні насосиЗанурювальні дренажно-фекальні насосиПогружні шламові насосиПоршневі насосиРоликові насоси Самовсмоктуючі насосиСанітарні, гігієнічні насосиСвердловинні насосиСоленоїдний насос дозаторСтанції водопостачання і пожежогасінняХімічні насоси з магнітною муфтоюВідцентрові насосиШестеренні насосиІндустріальні шлангові перистальтичні насоси
- Насоси конструкції «Інлайн»
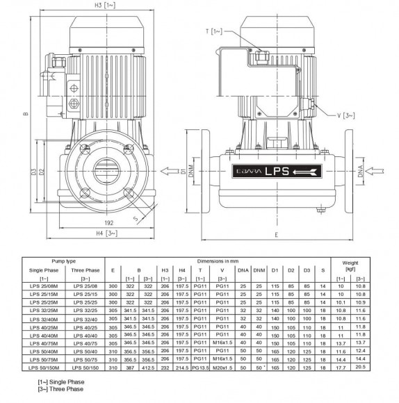
- Циркуляційний насос LPS 32/40M, 220V
Циркуляційний насос LPS 32/40M, 220V
З цим товаром також купують
1042539
Тільки під замовлення
Огляд

Циркуляційні насоси Ebara серії LPS виготовлені із нержавіючої сталі AISI 304.
Застосування: циркуляція гарячої і холодної води; системи миття; зрошення рослин; перекачування помірно агресивних рідин; системи кондиціювання; системи опалення; підживлення рослин; устаткування для промислового фарбування.
Технічні особливості: міцна конструкція; малошумні в роботі; компактні розміри; виготовлені із нержавіючої сталі AISI 304.
Технічні дані: продуктивність до 25 м3/год; висота подачі до 21 м; температура рідини, що перекачується: -10°C ÷ 100°C; максимальний тиск: 0,4 МПа.
Характеристики
| Виробник | Ebara |
| Продуктивність, м.куб / год | 9 |
| Висота подачі, м.вод.ст | 16.4 |
| Потужність, кВт | 0,4 |
| Матеріал | AISI 304 нержавіюча сталь |
| Діaметр вхідного патрубка | DN32 |
| Діаметр вихідного патрубка | DN32 |
| Частота обертання, об/хв | 2 800 |
| Ступінь захисту | IP55 |
| Електроживлення | 1х220 V, 50 Hz |
| Вибухобезпека | ні |
| Продуктивність (max), м.куб / год | 9 |
| Температура (max), С | 100 |
| Ємність конденсатора електродвигуна, Μf | 12,5 |
| Ущільнення | Mechanical Seal, Carbon/Ceramic/NBR |
| Висота подачі (max), м.вод.ст | 16.4 |
| Матеріал корпусу | AISI 304 нержавіюча сталь |
| Матеріал робочого колеса | AISI 304 нержавіюча сталь |
| Матеріал вала | AISI 303 |
| Серія насоса | LPS |
| Країна походження | Італія |
| Тип насосу | ін-лайн |
| Тип приводу | електричний |
| Тип установки | вертикальний |
| Логістичні дані: | |
| Вага, кг | 10,8 |
Категорії:Насоси конструкції «Інлайн»Відцентрові насосиСушка деревини (циркуляційні насоси)Ebara LPS





























































































































































