Каталог товарів
- Головна
- Насоси промислові
- Насоси за типомБочкові насоси Вакуумні насосиВертикальні напівзаглибні насосиГвинтові насосиВихрові насосиГерметичні насосиДиспергатор-емульгатор, гомогенізаторДозуючі насосиІмпелерні насосиКаналізаційні станціїКонсольні насосиКулачкові насосиМембранні насосиМембранні погружні пневматичні насосиБагатоступінчасті насосиМоноблочні насоси із чавунуМотопомпиМоторні мембранні насосиНасос Ex ATEXНасос з приводом від ВВПНасоси двостороннього входуНасоси конструкції «Інлайн»Насоси з мокрим роторомОсьові пропеллерні насосиПеристальтичні насосиПластинчато-роторні насосиПлунжерні насосиНапівзанурені фекальні, дренажні насосиЗанурювальні дренажно-фекальні насосиПогружні шламові насосиПоршневі насосиРоликові насоси Самовсмоктуючі насосиСанітарні, гігієнічні насосиСвердловинні насосиСоленоїдний насос дозаторСтанції водопостачання і пожежогасінняХімічні насоси з магнітною муфтоюВідцентрові насосиШестеренні насосиІндустріальні шлангові перистальтичні насоси
- Хімічні насоси з магнітною муфтою
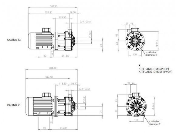
- Насос з магнітною муфтою DM 06 PP, EPDM, 0,37 кВт (крильчатка 70)
Насос з магнітною муфтою DM 06 PP, EPDM, 0,37 кВт (крильчатка 70)
З цим товаром також купують
1042539
Тільки під замовлення
Огляд

Герметичні насоси DEBEM DM без ущільнень і з магнітною муфтою.
Герметичні насоси з магнітною муфтою застосовуються для перекачування корозійних, токсичних або легкозаймистих рідин, а також рідин із вмістом частинок.
Кілька магнітів приводять насос у рух, зовнішній магніт, розташований на валу, передає рух внутрішньому магніту, вбудованому в робоче колесо, яке герметично ізольоване. Робоче колесо не кріпиться на валу насоса, отже, ущільнення відсутні, що унеможливлює витік рідини, що перекачується, як наслідок зносу ущільнень. Головка насоса складається з декількох компонентів, спрощуючи, таким чином, технічне обслуговування. Стандартні матеріали виконання насоса: поліпропілен (PP) і полівінілінденфторид (PVDF).
Ці насоси не можуть працювати "всуху". Перекачування забруднених рідин призводить до скорочення терміну служби насосів."
Характеристики
| Виробник | DEBEM |
| Продуктивність, м.куб / год | 6.5 |
| Висота подачі, м.вод.ст | 8.5 |
| Потужність, кВт | 0,37 |
| Матеріал | PP |
| Діaметр вхідного патрубка | 1" |
| Діаметр вихідного патрубка | 3/4" |
| Електроживлення | 3х380 V, 50 Hz |
| Продуктивність (max), м.куб / год | 6.5 |
| Модель | DM06 |
| Температура (max), С | 65 |
| Максимальна температура рідини,°C | 65 |
| Діаметр робочого колеса, мм | 70 |
| Максимальна в'язкість, сПз | 150 |
| Висота подачі (max), м.вод.ст | 8.5 |
| Матеріал проточної частини | PP |
| Матеріал кільцевого ущільнення | EPDM |
| Серія насоса | DM |
| Країна походження | Італія |
| Тип насосу | з магнітною муфтою |
| Тип приводу | електричний |
| Наявність запасних частин | так |
| Логістичні дані: |
Категорії:Хімічні насоси з магнітною муфтоюГерметичні насосиВідцентрові насосиНасос для азотної кислотиНасоси для кислотиНасоси для лугуНасоси кислотостійкі для агресивної рідиниНасос для агресивних рідин, кислотний насосНасоси для гальванікиНасоси з магнітною муфтою DM
Відео Насос з магнітною муфтою DM 06 PP, EPDM, 0,37 кВт (крильчатка 70)
Товари з цієї категорії
DM30FC-SV1NE090
Тільки під замовлення
DM10P-SV1BE080-without-engine
Тільки під замовлення
DM06P-SV2BE063
Тільки під замовлення





























































































































































